EasyManua.ls Logo

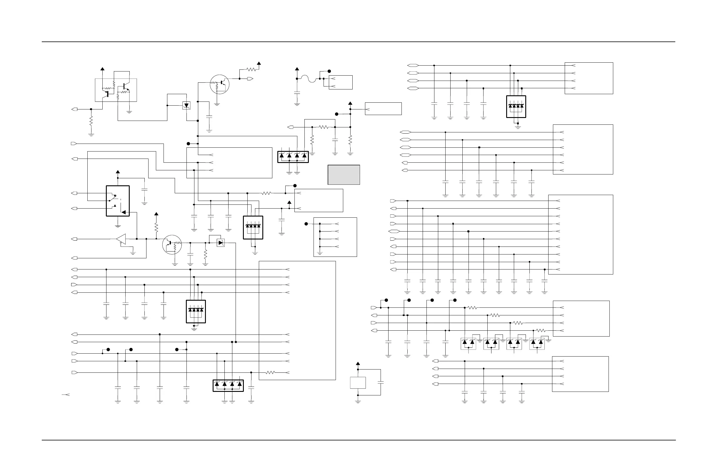
Motorola Astro XTL 1500 - Figure 7-116.Control-Head Front Connector Schematic

Motorola Astro XTL 1500
452 pages
To Next Page IconTo Next Page
To Next Page IconTo Next Page
To Previous Page IconTo Previous Page
To Previous Page IconTo Previous Page
Loading...
Schematics, Component Location Diagrams, and Parts Lists: HUF4017A (700-800 MHz) Main Board 7-155
6815854H01-A June 15, 2005
Figure 7-116. Control-Head Front Connector Schematic
SPARE_1
UARTA_RXD
BUSY
SPI_MOSIB
Interface
SPI_SCKB
OPTB+_BOOTSEL_VPP
AUX_RX
NAUTILUS_CS*
RS232 BUS
VIP_OUT_1_12V
MIC_HI
FOR NEW CH/ACCYs
IGNITION
SW_B+
SSI / NAUTILUS
SPI_MISOB
PTT*
SAP_DCLK
UARTA_CTS
SB9600
NOT USED
NAUTILUS_INT*
LH_RESET
VIP_OUT_2_12V
VIP_IN_2_5V
AUDIO
Programming Cable
AUX_MIC
ONE_WIRE
SPKR-
SAP_RX
BOOT_RX
BUS_PWR_OUT
BUS-
UARTA_RTS
SPARE_2
SAP_FSYNC
SAP_TX
VIPs
UARTA_TXD
VIP_OUT_1_5V
VIP_IN_1_5V
VCC5
A+
SSI_INT
EMERGENCY
RX_FILT_AUDIO
BUS+
BOOT_TX / KEYFAIL*
AUX_TX
VIP_OUT_2_5V
SPKR+
J0401-47
J0401-12
J0401-26
J0401-50
33pF
100
C0424
J0401-13
R0418
C0443
33pF
R0415
100
J0401-37
C0453
33pF
C0452
33pF
15V
C0475
100pF
3
6
4
1
VR0424
Q0403
5
2
J0401-38
J0401-40
C0469
0.1uF
J0401-15
R0431
10K
100pF
C0427
J0401-19
R0409
C0456
33pF
1
K1
3
K2
4
K3
6
K4
10K
5.6V
*VR0417*
2
A1
5
A2
J0401-25
1
TP0414
1
NO
6
2
VPOS
TP0401
U0401
NLAST4599
COM
5
3
GND
IN
1
NC
4
C0439
J0401-18
100pF
J0401-6
J0401-44
33pF
2
5
1
3
4
6
C0459
VR0412
20V
33pF
J0401-2
J0401-31
VCC2.85
C0422
10K
J0401-20
R0425
C0462
220pF
J0401-33
J0401-48
0.1uF
C0441
VR0425
15V
1
TP0411
1
VR0420
11V
2
3
F0400
125V
5A
C0450
33pF
Q0404
C0437
470pF
J0401-43
VR0413
20V
J0401-11
C0446
100pF
1
C0436
470pF
470pF
TP0408
C0435
J0401-1
C0444
33pF
1K
R0404
A1
A2
K1
K2
K3
K4
5.6V
*VR0414*
C0431
100pF
J0401-30
J0401-24
Q0402
VR0423
15V
1
J0401-46
VCC5
TP0415
1
TP0403
J0401-23
VCC5
C0445
33pF
C0434
100pF 100pF
J0401-32
C0433
R0416
100
33pF
C0432
100pF
100pF
C0454
J0401-9
C0449
J0401-10
J0401-42
C0461
220pF
TP0407
1
33K
R0422
0
R0421
TP0413
1
C0448
100pF
J0401-35
1
C0425
100pF
TP0402
C0442
33pF
3
GND
5
VCC
J0401-3
TP0412
1
U0402-2
PWR_GND
C0477
VCC2.85
100pF
C0428
100pF
J0401-45
C0426
470pF
J0401-22
J0401-14
J0401-34
J0401-36
J0401-16
C0438
33pF
470pF
J0401-21
SW_B+
C0457
J0401-27
J0401-49 J0401-41
33pF
11V
C0458
U0402-1
NC7SZ125
2
1
4
VR0421
J0401-39
VCC2.85
100pF
C0478
A+
C0430
100pF
C0451
33pF
VCC5
J0401-4
J0401-7
VR0422
15V
10K
R0420
J0401-8
J0401-5
C0429
100pF
100pF
C0460
C0440
C0447
100pF
100pF
J0401-29
4.7K
R0517
*VR0418*
2
A1
5
A2
1
K1
3
K2
4
K3
6
K4
5.6V
100pF
C0476
J0401-17
J0401-28
TP0410
1
C0455
33pF
R0417
100
4.7K
R0419
TP0409
1
C0423
33pF
SPARE_2
SPARE_1
SW_B+_ON-OFF
IGNITION
BUS+_UARTB_TXD
BUS-_UARTB_RXD
BUSY_UARTB_RTS
RESET_UARTB_CTS
C0470
33pF
MIC_HI
RX_FILT_AUDIO
IGNITION_CONN
SPKR-
SPKR-
BOOT_RX
EMERGENCY
ONE_WIRE
UARTA_TXD
UARTA_RXD
UARTA_CTS
UARTA_RTS
UARTA_TXD_CH
UARTA_CTS_CH
UARTA_RTS_CH
CABLE_DET
BOOT_DATA_EN*
KEYFAIL
BUS_PWR_OUT
MIC_HI
AUX_MIC
AUX_MIC
PTT*
AUX_RX
VIP_IN_2_5V
VIP_IN_1_5V
VIP_OUT_2_5V
VIP_OUT_1_5V
VIP_OUT_1_12V
VIP_OUT_2_12V
AUX_TX
NAUTILUS_CS*
SAP_DCLK
SAP_TX
UARTA_RXD_CH
SAP_RX
SAP_FSYNC
SPI_MOSIB
SPI_SCKB
NAUTILUS_INT*
MOD
BOOT_TX
FORCE_FAIL*
SPKR+
SPKR+
SSI_INT*
SPI_MISOB
10K
10K
10K
10K
47K
47K
47K
47K
MAEPF-27843-O
Part Series
400-2

Table of Contents

Related product manuals