EasyManua.ls Logo

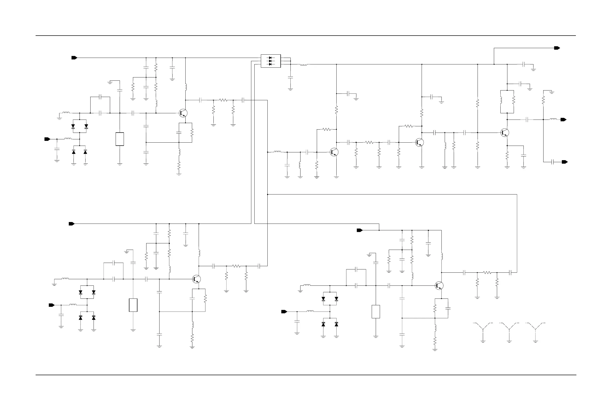
Motorola Astro XTL 1500 - Figure 7-85. HUE4040 A Receive VCO Schematic

Motorola Astro XTL 1500
452 pages
To Next Page IconTo Next Page
To Next Page IconTo Next Page
To Previous Page IconTo Previous Page
To Previous Page IconTo Previous Page
Loading...
Schematics, Component Location Diagrams, and Parts Lists: HUE4040A (UHF Range 2) Main Board 7-113
6815854H01-A June 15, 2005
Figure 7-85. HUE4040A Receive VCO Schematic
BFQ67
700 MHz
C5915
3.9pF
NE68519-T1-A
NE68519-T1-A
BFQ67
BFQ67
665 MHz
NE68519-T1-A
730 MHz
1.6K
150nH
L5907
R5924
0.1uF
C5958
RX_High_Switch
R5910
5.1pF
C5927
33
C5951
Q5906
100pF
Q5904
1.2pF
C5906
C5920
0.1uF
220
R5950
R5937
330
R5918
100
R5914
820
33
C5900
0.1uF
R5922
1.6K
R5912
Q5903
R5934
33
L5909
2K
R5916
18nH
IN
1
OUT
2
150nH
L5900
C5928
Y5901
4.7pF
C5922
D5903
NU
3.3pF
R5904
SH5902
100pF
C5959
270
1.5pF
C5938
220pF
C5919
D5904
150nH
D5901
L5916
D5909
R5926
100pF
820
330nH
C5908
4.7pF
C5931
L5901
2.7K
R5921
360
R5940
5.6pF
Steer_Line
C5944
L5913
330nH
R5932
5.6pF
C5943
D5906
75
18nH
D5907
L5902
3.3pF
C5926
C5911
4.3pF
2K
R5927
OUT
2
C5925
100pF
C5917
Y5900
IN
1
220pF
220pF
C5956
1.5pF
C5960
R5930
51
Q5901
D5911
C5957
1pF
RX_Mid_Switch
D5905
R5933
2.7K
330nH
L5905
Q5905
R5929
Steer_Line
RX_Inj_SW
RX_Low_Switch
12K
C5941
D5902
100pF
C5921
22pF
C5913
C5905
3.3pF
D5910
220pF
220pF
C5945
3.9pF
L5917
15nH
220pF
C5901
C5912
C5930
220pF
330nH
L5915
10nH
L5919
C5910
2.7pF
0.1uF
C5904
220nH
L5922
C5946
220pF
330nH
L5912
C5909
100pF
4.7K
R5938
R5903
1.6K
75
R5909
C5940
5.1pF
R5935
470
12K
R5917
330nH
L5908
220
R5941
L5920
270nH
100pF
470
R5911
C5949
C5950
220pF
R5942
100
5.6pF
L5904
330nH
K1
K2
K3
C5947
D5900
A1
A2
A3
75
R5948
SH5900
NU
R5923
470
D5908
C5948
0.1uF
C5937
100pF
0.1uF
C5916
5.1pF
C5907
R5900
2K
C5929
220pF
C5933
0.1uF
100
R5905
220pF
C5935
Steer_Line
C5932
220pF
R5931
75
220pF
C5914
L5918
6.8nH
L5906
150nH
R5919
75
D5912
3.3pF
C5939
IN
1
OUT
2
C5936
0.1uF
Y5902
C5923
1.5pF
330nH
L5914
R5915
270
R5939
4.7K
75
R5920
Q5902
3.9pF
C5942
RX_Inj
L5910
330nH
C5924
5.1pF
R5928
SH5901
NU
270
R5902
220
15
R5949
Feedback
18nH
L5911
NU
NU
MID RANGE 582.65 MHz to 605.65 MHz
HIGH RANGE 605.65 MHz to 629.65 MHz
LOW RANGE 559.65 MHz to 582.65 MHz

Table of Contents

Related product manuals