EasyManua.ls Logo

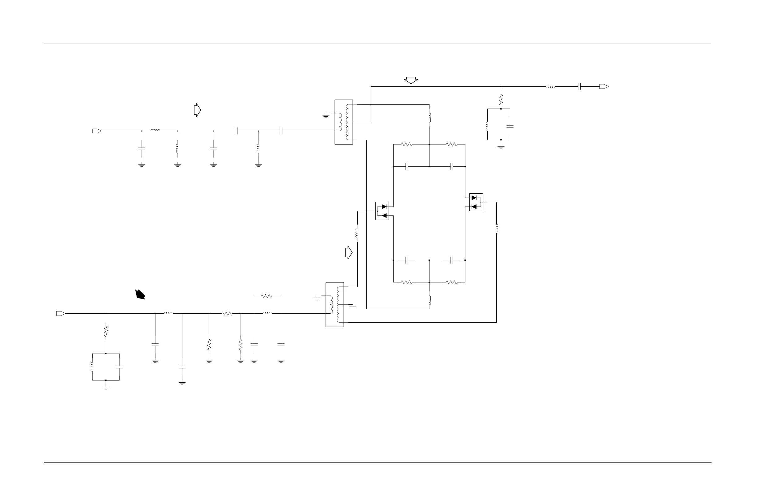
Motorola Astro XTL 1500 - Figure 7-89. HUE4040 A Receiver Mixer Schematic

Motorola Astro XTL 1500
452 pages
To Next Page IconTo Next Page
To Next Page IconTo Next Page
To Previous Page IconTo Previous Page
To Previous Page IconTo Previous Page
Loading...
Schematics, Component Location Diagrams, and Parts Lists: HUE4040A (UHF Range 2) Main Board 7-117
6815854H01-A June 15, 2005
Figure 7-89. HUE4040A Receiver Mixer Schematic
SIGNAL
INJECTION
5.6pF
HIGH SIDE
1
2
3
4
5
NU
C5381
replace,2585040Y01
*T5381*
C5377
12pF
5.1pF
9.1pF
C5380
L5382
12nH
C5389
R5382
NU
NU
470
6.8pF
C5390
L5380
12nH
C5379
8.2pF
C5375
9.1pF
R5380
470
0
NU
R5381
L5389
8.2nH
R5387
47
C5386
33pF
L5388
68nH
D5381
8.2nH
L5390
L5381
68nH
12nH
R5388
51
9.1pF
L5392
NU
NU
NU
C5374
R5385
180
C5388
.01uF
R5386
180
8.2nH
L5384
C5385
.01uF
R5384
180
L5383
3.3nH
C5383
.01uF
NU
C5382
.01uF
8.2nH
C5378
L5385
L5387
NU
6.2pF
L5386
6.8nH
D5380
6.8nH
R5383
180
4
5
33pF
C5391
1
2
3
LO
MIXER_RF_IN
IF
replace,2585040Y01
*T5380*
0
R5389
I. F.
109.65 MHz
THE RECEIVER INPUT SIGNAL AND THE INJECTION SIGNAL
GENERATED BY THE RECEIVE SYNTHESIZER ARE MIXED
TO PROVIDE A 109.65MHz I-F SIGNAL.
+24.5 dBm I/P from the injection amp
RECEIVED RF

Table of Contents

Related product manuals