EasyManua.ls Logo

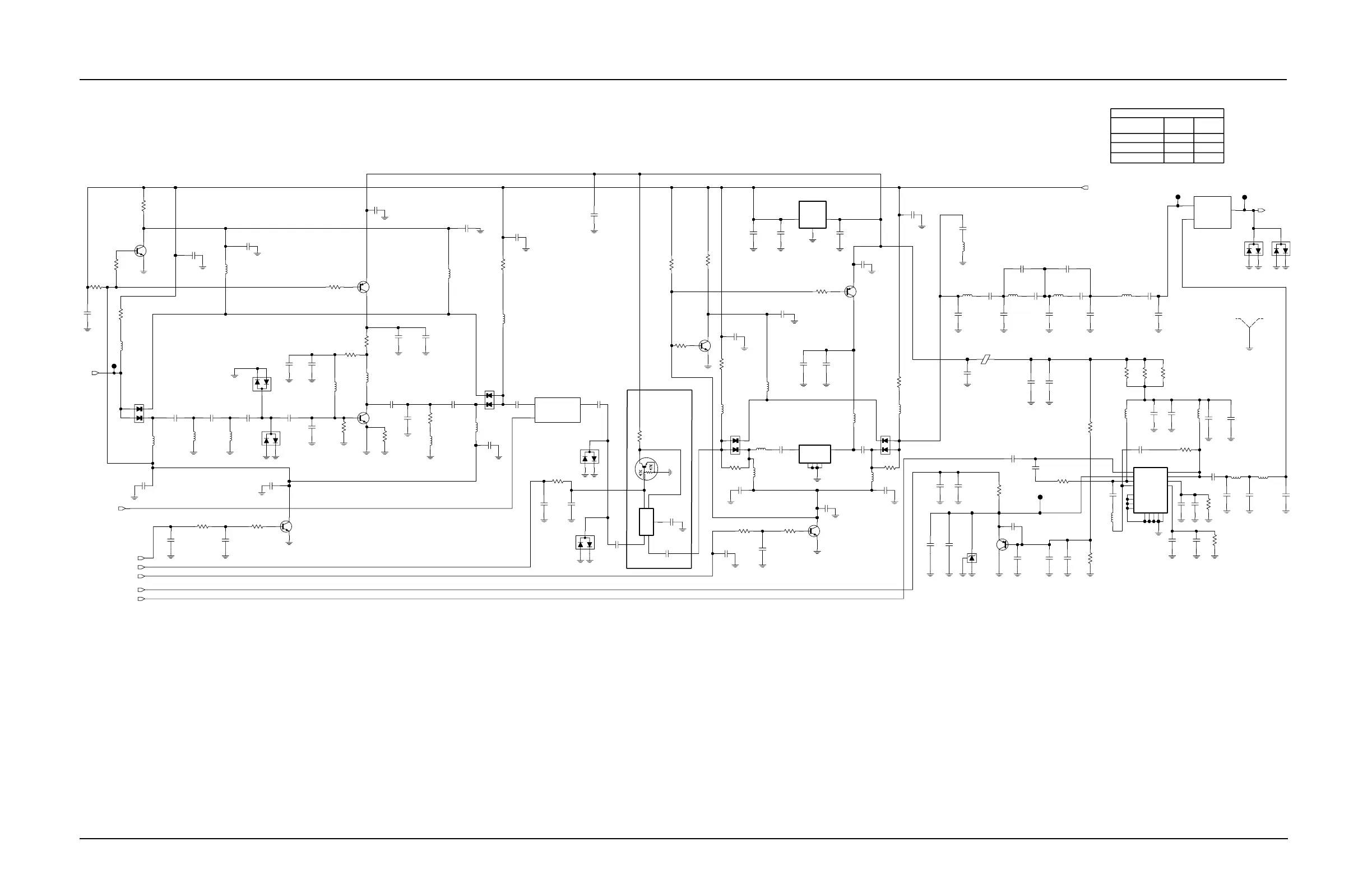
Motorola Astro XTL 1500 - Figure 7-58. HUE4039 A Receiver Front-End Schematic

Motorola Astro XTL 1500
452 pages
To Next Page IconTo Next Page
To Next Page IconTo Next Page
To Previous Page IconTo Previous Page
To Previous Page IconTo Previous Page
Loading...
Schematics, Component Location Diagrams, and Parts Lists: HUE4039A (UHF Range 1) Main Board 7-75
6815854H01-A June 15, 2005
Figure 7-58. HUE4039A Receiver Front-End Schematic
22nH
D5300
390nH
L5287
D5313
L5293
L5289
390nH
C5357
220pF
220pF
C5304
D5306
NU
5.6V
15
R5324
C5291
.01uF
L5305
15nH
.01uF
C5302
C5294
.01uF
.033uF
C5335
C5324
220pF
10K
R5301
C5305
220pF
1K
R5318
4.7K
R5314
C5290
220pF
L5304
27nH
TP5301
220pF
C5300
220pF
C5280
C5310
470pF
C5345
220pF
SH5250
82nH
L5288
NU
15
R5326
U5301
C5311
.01uF
8.2nH
L5307
220pF
C5338
L5308
Q5250
15nH
220pF
C5306
5.6pF
C5339
R5310
1K
C5316
470pF
Q5255
L5282
18nH
L5297
27nH
C5362
220pF
27nH
L5301
.01uF
C5303
220pF
C5307
L5296
.033uF
C5356
1uH
D5305
TP5303
220pF
C5321
68
L5302
R5308
.033uF
12nH
C5360
Q5258
C5283
8.2pF
9.1pF
C5331
L5299
L5298
22nH
NU
120
R5321
220pF
C5312
220pF
C5363
C5325
.033uF
L5284
18nH
C5308
220pF
NU
470pF
C5333
C5361
220pF
4.7pF
C5299
.01uF
C5285
C5367
220pF
4.7K
R5313
Q5254
R5307
22K
18pF
C5347
R5315
1K
15
C5320
220pF
R5325
D5302
3.9pF
TP5302
C5295
U5303
1K
220pF
R5302
D5304
C5296
R5312
10K
TP5304
100pF
.01uF
C5282
C5329
.01uF
L5281
390nH
C5301
R5327
180
82nH
NU
1K
R5329
18pF
C5328
L5283
4.7K
R5303
C5288
8.2pF
L5303
C5326
12pF
1K
68nH
R5317
R5309
27
R5305
4.7K
.033uF
R5322
2.4K
C5351
C5366
C5318
4.7uF
.01uF
1000pF
C5313
U5300
.01uF
C5287
12K
R5323
.033uF
C5337
C5353
5.6K
220pF
NU
R5328
470
R5319
Q5251
C5323
.033uF
R5306
15K
.01uF
C5322
C5368
1000pF
D5281
.033uF
C5350
C5330
220pF
C5352
220pF
NU
Q5257
C5309
.01uF
1000pF
C5364
C5293
2pF
220pF
220pF
C5289
11pF
C5358
C5348
8.2pF
C5349
R5311
Q5252
10K
D5311
C5340
1uH
L5290
L5300
220pF
27nH
9.1pF
C5336
D5282
C5334
220pF
C5292
220pF
3.6pF
Q5256
C5332
Q5253
9.1pF
C5343
22pF
R5332
1.5K
C5344
C5365
220pF
1K
R5304
L5280
1uH
1.5K
R5334
47pF
C5354
U5302
R5336
00
R5335
100pF
C5327
.01uF
C5284
.01uF
C5314
.01uF
C5319
R5316
D5307
1K
R5333
390nH
L5292
47
D5280
C5341
3.6pF
C5355
10pF
L5306
8.2nH
.033uF
L5294
39nH
C5346
C5297
2.7pF
47
R5330
NU
C5359
1.5pF
C5342
9.1pF
L5285
68nH
C5315
4.7uF
220pF
C5317
L5295
390nH
L5286
47nH
1uH
L5291
R5300
4.7K
NU
NU
NU
NU
NU
IF_OUT_IF
RF_ATTN_2_A
9.3V_TO_IF
9.3V_TO_IF
9.3V_TO_IF
9.3V_TO_IF
RX_Inj_SW
RF_ATTN_3_A
RF_ATTN_1_A
RX_FILT_1_A
RF_IN
TO_1st_MIXER
LO_IN
RX switching voltages
Preselector Ref Des = 5250 - 5279
TP6256, 58, 60, 62
0V
2.3V
TP6254
Second LNA
AGC/Attenuator circuit
RX Receive
800 MHz
3V
Test points
700 MHz
4.3V
7.7V
TP6255, 57, 59, 61
HPF to remove VHF
RX Receive
7.7V
image filter and IF suck-out
Mixer Ref Des = 5380 - 5399
IN
3
OUT
2
GND
1
RFIN
16
RFOUT1
6
RFOUT2
7
VCNTRL
1
VD 1
14
2
VG1
VG2
3
GND1
4
GND2
5
GND3
12
GND4
13
NC1
8
NC2
9
NC3
10
NC4
15
EP
17
G2
11
1
RFIO1
3
RFIO2
4
V1
5
V2
2
GND
FE_CNTL_1
RF_IN_1 RF_OUT_1
1
GND1
2
GND2
4
GND3
5
GND4
3
RFIN
6
RFOUT
IF
LO
MIXER_RF_IN

Table of Contents

Related product manuals