EasyManua.ls Logo

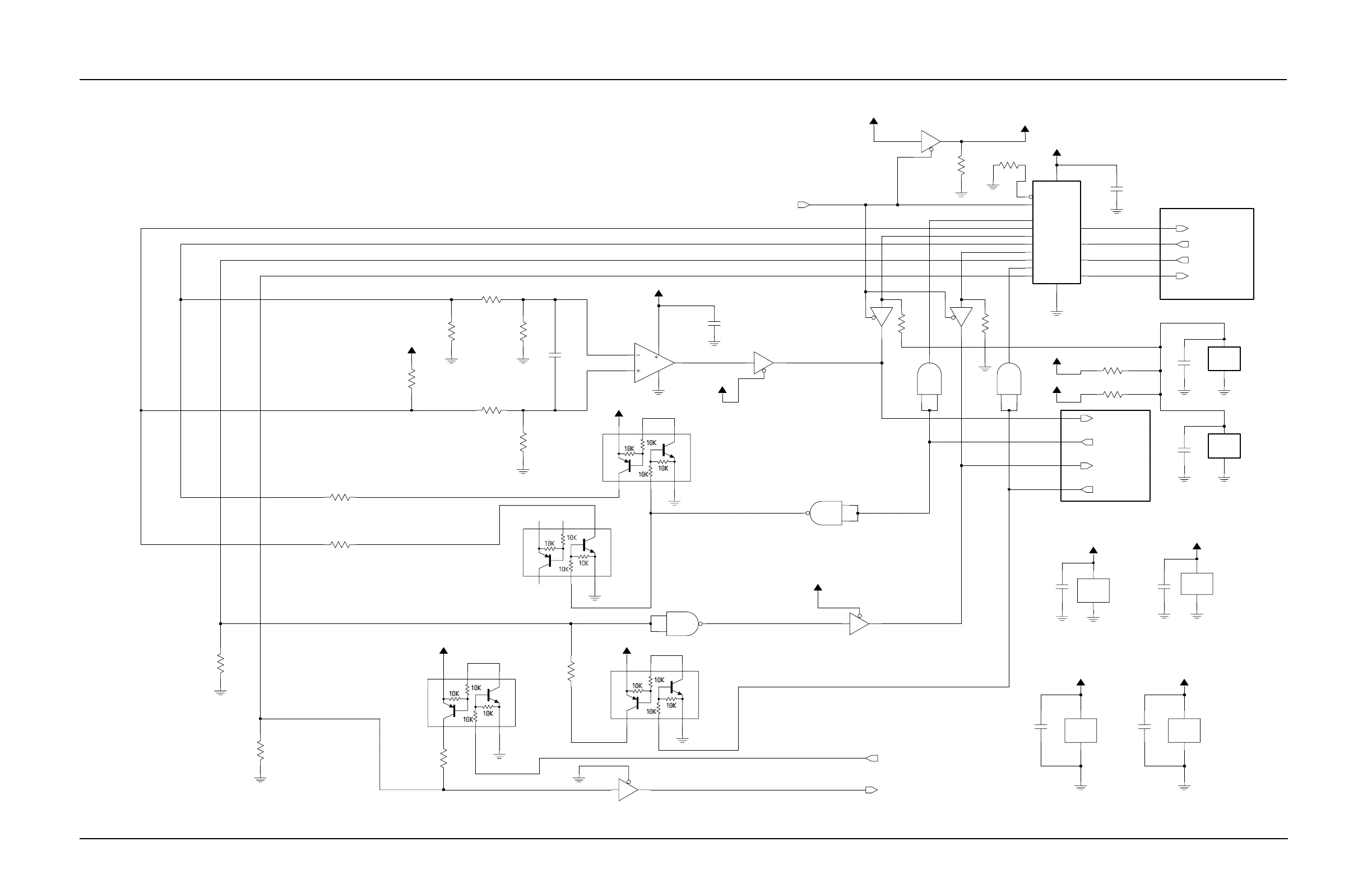
Motorola Astro XTL 1500 - Figure 7-68. HUE4039 A Secure SB9600 Schematic

Motorola Astro XTL 1500
452 pages
To Next Page IconTo Next Page
To Next Page IconTo Next Page
To Previous Page IconTo Previous Page
To Previous Page IconTo Previous Page
Loading...
Schematics, Component Location Diagrams, and Parts Lists: HUE4039A (UHF Range 1) Main Board 7-85
6815854H01-A June 15, 2005
Figure 7-68. HUE4039A Secure SB9600 Schematic
BUFFER SUPPLY BUFFER SUPPLY
NAND SUPPLY
BUFFER SUPPLY
BUFFER SUPPLY
NAND SUPPLY
U0608-2
U0607-2
U0602-5
R0629
10K
100K
VCC2.85
SB96_RS232*_EN_INV
VCC2.85
VCC5
R0634
0.1uF
C0611
0.1uF
C0606
VCC2.85
100K
C0613
0.1uF
R0627
VCC2.85
R0632
U0602-2
SB96_RS232*_EN_INV
0.1uF
C0610
0.1uF
C0614
U0609-1
100
R0623
R0621
U0608-1
R0620
100
100
U0607-1
Q0612
VCC5
SB96_RS232*_EN_INV
U0610-2
R0628
100K
R0630
100K
U0602-3
U0603-2
VCC2.85
VCC5
U0610-1
10K
R0639
VCC2.85
Q0611
Q0610
U0603-5
100
R0624
VCC5
VCC5
U0606
100pF
100
R0622
C0616
0.1uF
C0603
U0609-2
10K
R0636
Q0613
VCC5
VCC5
U0602-4
100K
R0626
C0600
0.1uF
R0631
R0635
100K
0.1uF
U0604-1
C0604
U0603-1
U0602-1
10K
R0638
R0625
10K
NU
0
0
3
GND
5
VCC
3
GND
5
VCC
7
GND
14
VCC
4
6
5
1
2
4
1
2
4
1
2
4
3
GND
5
VCC
6
9
10
8
2
4
5
4
1
GND
7
VCC
14
YB
9
YC
12
YD
I0D
3
I1A
6
I1B
10
I1C
13
I1D
1
SELECT
16
VCC
4
YA
7
15
EN_OE
8
GND
2
I0A
5
I0B
11
I0C
14
3
GND
5
VCC
13
1112
2
3
1
8
4
2
1
3
2
1
3
BUS-
BUS+*
BUSY BUSY
LH_RESET
BUS-*
BUS+
BUSY*
LH_RESET*
URXD2
SB96_RS232*_EN
URTS2
UTXD2
LHRST_IN
LHRST_OUT
BUS+_UARTB_TXD
BUSY_UARTB_RTS
RESET_UARTB_CTS
BUS-_UARTB_RXD
UCTS2
Patriot UARTB
Connector IF

Table of Contents

Related product manuals