EasyManua.ls Logo

Motorola Astro XTL 1500 - Figure 7-59. HUE4039 A Receiver Mixer Schematic

Motorola Astro XTL 1500
452 pages
To Next Page IconTo Next Page
To Next Page IconTo Next Page
To Previous Page IconTo Previous Page
To Previous Page IconTo Previous Page
Loading...
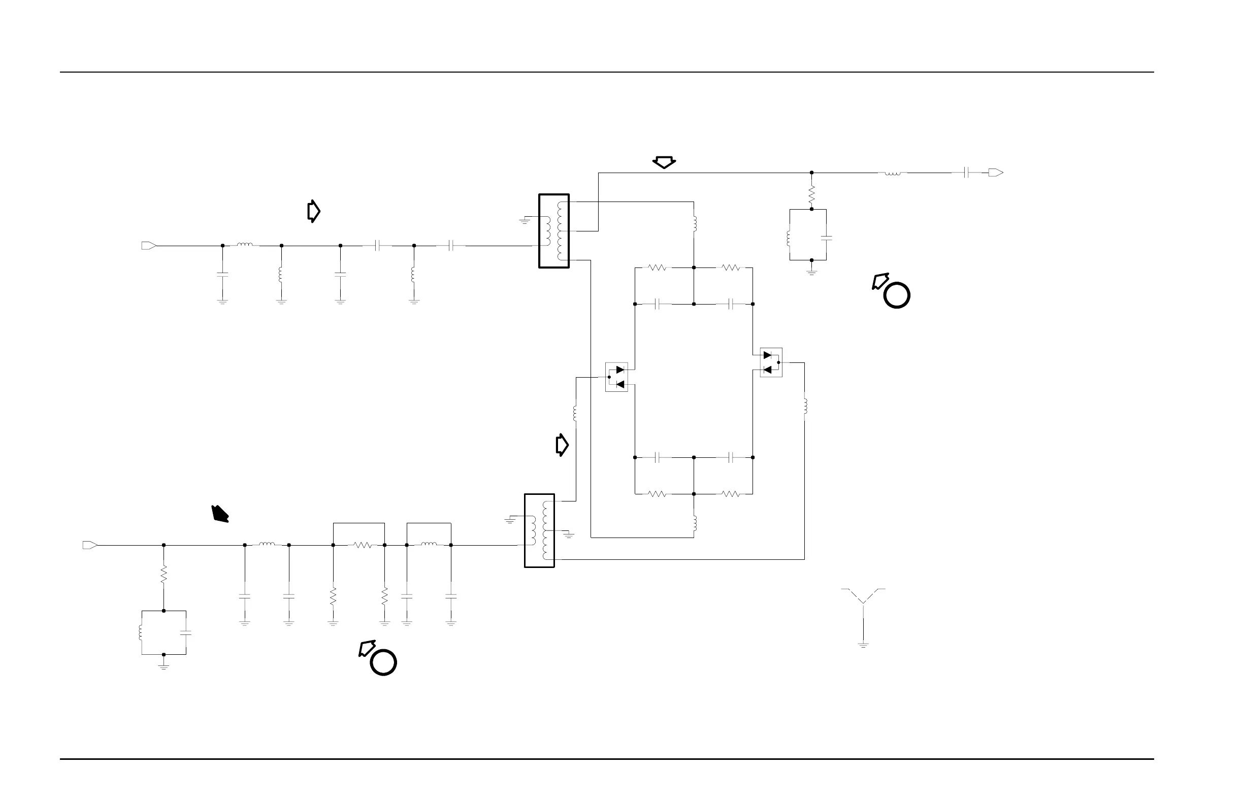
7-76 Schematics, Component Location Diagrams, and Parts Lists: HUE4039A (UHF Range 1) Main Board
June 15, 2005 6815854H01-A
Figure 7-59. HUE4039A Receiver Mixer Schematic
E
L5380
6.8nH
C5379
9.1pF
C5375
3.9pF
470
NU
R5380
NU
R5381
10
L5389
10nH
R5387
47
33pF
68nH
C5386
L5388
D5381
68nH
L5390
L5381
8.2nH
R5388
0
L5392
12nH
C5374
2.4pF
R5385
180
C5388
.01uF
180
R5386
.01uF
6.8nH
L5384
180
C5385
3.3nH
R5384
NU
L5383
C5383
.01uF
C5382
.01uF
L5385
10nH
6.2pF
C5378
10nH
L5387
NU
10nH
L5386
D5380
180
R5383
1
2
3
4
5
33pF
C5391
NU
T5380
C5381
5.6pF
T5381
1
2
3
4
5
6.8pF
C5390
15pF
6.8pF
C5377
C5380
NU
C5389
12pF
L5382
12nH
470
R5382
NU
SH5380
NU
1
I
F
delete,.
PROVIDE A 109.65MHz I-F SIGNAL.
RECEIVE SYNTHESIZER ARE MIXED TO
INJECTION SIGNAL GENERATED BY TH
THE RECEIVER INPUT SIGNAL AND THE
+24.5 dBm I/P from the injection amp
B
LO
SIGNAL
INJECTION
HIGH SIDE
RECEIVED RF
MIXER_RF_IN
A
I. F.
109.65 MHz

Table of Contents

Related product manuals