EasyManua.ls Logo

Motorola Astro XTL 1500 - Figure 7-131.HUF4017 A Frequency Generation Unit Overall Schematic (Sheet 2 of 2)

Motorola Astro XTL 1500
452 pages
To Next Page IconTo Next Page
To Next Page IconTo Next Page
To Previous Page IconTo Previous Page
To Previous Page IconTo Previous Page
Loading...
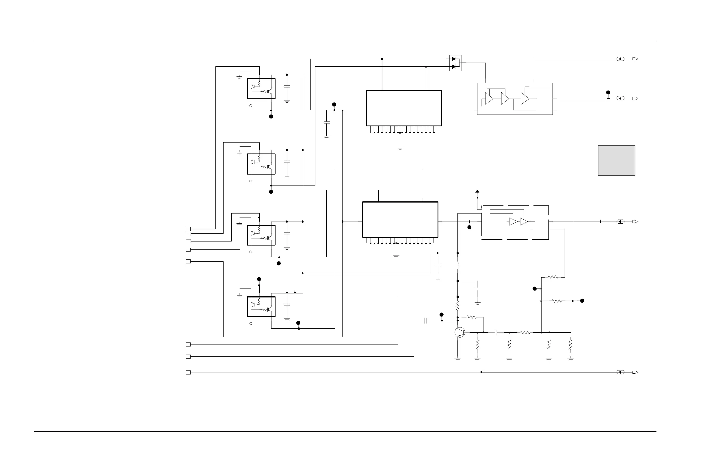
7-170 Schematics, Component Location Diagrams, and Parts Lists: HUF4017A (700-800 MHz) Main Board
June 15, 2005 6815854H01-A
Figure 7-131. HUF4017A Frequency Generation Unit Overall Schematic (Sheet 2 of 2)
IF6766
NC
D6750
150
R6779
From_RX_VCO
RX_FDB
RX_INJ
VS1
VS2
F9.3V
C6792
10uF
TP6754
1
GND6
7
GND7
9
GND8
10
GND9
11
RF_OUT
20
SWBPOS1
2
SWBPOS2
17
GND17
21
GND18
22
GND2
3
GND3
4
GND4
5
GND5
6
12
GND11
13
GND12
14
GND13
15
GND14
16
GND15
18
GND16
19
U6755
06G61
700-800MHz
CONT_V
8
GND1
1
GND10
IF6767
NC
L6754
1uH
3
4
Q6753
3
1
2
5
TP6767
1
1
C6767
39pF
TP6751
1
TP6753
TP6750
1
39pF
C6784
Q6761
Q6760
1
2
5
3
4
C6773
39pF
C6802
39pF
2
1
TP6769
1
1
TP6757
1
TP6766
1
TP6763
TP6759
1
TP6761
1
R6774
330
IF6764
150
R6780 R6828
150
8.0V
From_TX_VCO
TX_8 V
TX_FDBK
TX_INJ
R6778
1.5K
IF6765
39pF
2
5
3
4
C6798
Q6756
6
1
C6801
39pF
10K
R6775
39pF
C6797
NC
VN_B6752
VN_B6771
VN_B6772
R6792
10
1
2
5
3
4
C6761
Q6755
39pF
NC
240
R6791
51
R6777
VN_T6766
20
SWBPOS1
2
SWBPOS2
17
VN_T6753
GND4
5
GND5
6
GND6
7
GND7
9
GND8
10
GND9
11
RF_OUT
GND15
18
GND16
19
GND17
21
GND18
22
GND2
3
GND3
4
CONT_V
8
GND1
1
GND10
12
GND11
13
GND12
14
GND13
15
GND14
16
U6754
06G62
700-800MHz
K9.1
Lock_Det
RX_Inj
TX_INJ
RECEIVER INJECTION STRING
TX INJECTION STRING
6
7
8
1
2
3
4
5
MAEPF-27830-O
Part Series
6700-1
6800-1

Table of Contents

Related product manuals