EasyManua.ls Logo

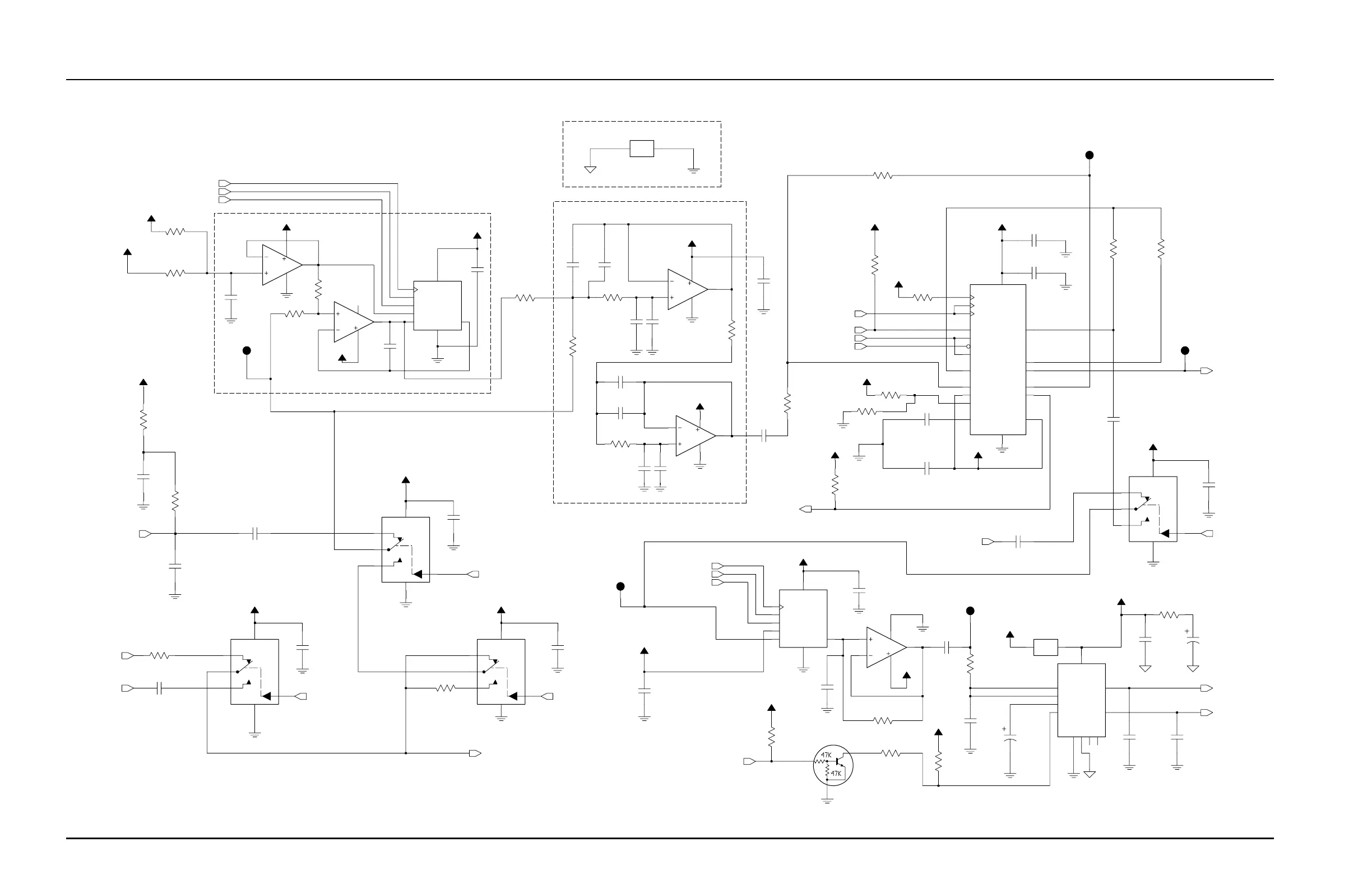
Motorola Astro XTL 1500 - Figure 7-82. HUE4040 A Controller Audio Schematic

Motorola Astro XTL 1500
452 pages
To Next Page IconTo Next Page
To Next Page IconTo Next Page
To Previous Page IconTo Previous Page
To Previous Page IconTo Previous Page
Loading...
7-110 Schematics, Component Location Diagrams, and Parts Lists: HUE4040A (UHF Range 2) Main Board
June 15, 2005 6815854H01-A
Figure 7-82. HUE4040A Controller Audio Schematic
NU
Ground
NU
NU
-20 dB
0.1uF
C0239
0
R0201
0.1uF
C0210
3300pF
C0217
68K
TP0200
R0223
0.1uF
C0234
C0211
100pF
CLK
DATA
5
3
GND
IN
8
LOAD
4
OUT
2
7
VDD
VREFIN
1
VCC5
U0202
6
R0236
9.1K
VCC2.85
R0212
100K
1K
R0219
C0209
0.1uF
470pF
C0232
VCC5
R0221
10K
C0216
TP0205
0.1uF
68K
R0229
C0212
0.1uF
C0227
SW_A+
0.1uF
VAG
TP0203
6800pF
C0244
VCC2.85
6800pF
C0243
C0213
470pF
0.1uF
33K
R0230
C0236
3
1
IN
4
NC
6
NO
VPOS
2
9.3V_TX
VCC5
U0209
5
COM
GND
100K
R0208
68K
R0227
10uF
C0221
C0238
220pF
VCC5
COM
5
GND
3
IN
1
NC
4
NO
6
2
VPOS
U0203
R0210
100K
VCC2.85
C0207
33pF
2.7
R0231
5
DATA
3
GND
8
IN
4
LOAD
2
OUT
7
VDD
1
VREFIN
VCC5
1
2
5
U0206
6
CLK
NU
U0207
4
3
SC0002
I1
1
I2
2
C0237
220pF
C0202
0.1uF
TP0204
VCC2.85
R0225
10K
A+
220pF
C0233
R0216
100K
Q0200
5
COM
GND
3
1
IN
4
NC
6
NO
VPOS
2
VCC5
U0210
33K
R0228
VAG
560
R0204
0.1uF
C0224
TP0206
R0205
27K
0.1uF
C0242
VCC2.85
R0200
1K
0.1uF
C0214
100
R0213
1K
VCC2.85
R0220
R0218
C0215
18K
0.1uF
4.7uF
C0240
0.1uF
9
10
8
4
11
VCC2.85
C0223
0.1uF
U0201-3
6
5
7
4
11
C0201
U0201-2
VCC5
150pF
C0205
4
OUT1
6
OUT2
3
RR
7
VCC
R0235
1K
2
GND1
GND2
5
10
GND3
GND4
11
9
INV
8
M_SS
1
NINV
U0204
14
4
11
A+_FILT
1uF
C0208
VCC5
U0201-4
13
12
VCC5
R0211
33K
R0215
10K
VPOS
2
VCC2.85
VAG
C0200
1uF
U0208
5
COM
GND
3
1
IN
4
NC
6
NO
10K
C0226
0.1uF
R0222
470pF
C0230
470pF
C0235
R0209
22K
C0203
0.1uF
220pF
C0231
17
TG
18
TI_NEG
19
TI_POS
20
VAG
1
VAGREF
6
VDD
15
VSS
14
FST
16
HB
11
MCLK
10
PDI
3
PI
4
PO_NEG
5
PO_POS
2
RO_NEG
U0200
9
BCLKR
12
BCLKT
8
DR
13
DT
7
FSR
U0201-1
2
3
1
4
11
SC0001
I1
1
I2
2
4.7uF
C0204
R0206
100K
C0220
R0224
0
VCC5
10uF
SPI_SCKA
SPI_MOSIA
EEPOT_2_CS*
MIC_F
RX_FILT_AUDIO
SPKR+
SPKR-
VOL_OUT*
RX_AUDIO_IN
RX_AUDIO_IN
MIC_L
VOL_OUT
CODEC_OUT
AUX_DATA
AUX_DATA
AUX_RX*
MIC_HI*
MUX_AUX_TX
AUX_MIC*
AUX_TX*
AUX_MIC
AUX_TX
CODEC_OUT_B
MIC_M
MIC_K
MIC_N
CODEC_OUT_A
SPI_SCKA
SPI_MOSIA
EEPOT_3_CS*
MUX_MICATTEN
AUDIO_PA_EN
MUX_TX
MUX_RX
MIC_HI
MIC_G
MIC_J
MIC_I
MIC_H
AUX_RX
AUDIO_PA_IN
SAP_RX
CODEC_PWR_DOWN
SAP_FSYNC
SAP_TX
SAP_DCLK
NU
Anti-aliasing filter
0 to 60 dB gain amplifier
MIC_PREAMP_IN

Table of Contents

Related product manuals