EasyManua.ls Logo

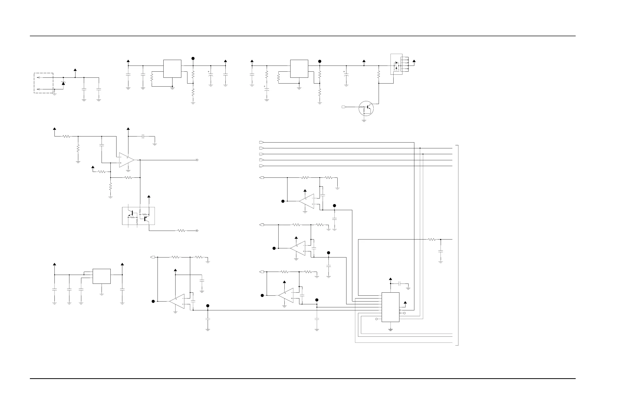
Motorola Astro XTL 1500 - Figure 7-24. HUD4022 A Controller Power Control (Sheet 2 of 2)

Motorola Astro XTL 1500
452 pages
To Next Page IconTo Next Page
To Next Page IconTo Next Page
To Previous Page IconTo Previous Page
To Previous Page IconTo Previous Page
Loading...
7-32 Schematics, Component Location Diagrams, and Parts Lists: HUD4022A (VHF) Main Board
June 15, 2005 6815854H01-A
Figure 7-24. HUD4022A Controller Power Control (Sheet 2 of 2)
BATTERY CONNECTOR
9.3V REGULATOR
9.3V_TX_ REGULATOR
1%
1%
1%
1%
1%
1%
1%
1%
TO SHEET 1
*R0937*
30K0
*R0936*
100100
R0924
VCC5
R0923
1
Q0960
1
C0998
100pF
C0997
68pF
LOOP_DISABLE
1K
R0934
470pF
*C0921*
A+
*R0913*
0.1uF
C0920
130K
12K
*R0914*
VCC5
VCC5
*R0912*
3
1
TX_DISABLE
5
2
12K
LMV7219
U0965
4
12K
*R0911*
R0910
82K
A+
*C0952*
0.1uF
4
VOUT
5
*R0947*
0
U0951
LM2941T
ADJ
1
GND
3
ON_OFF
2
VIN
LM2941T
ADJ
1
GND
3
ON_OFF
2
VIN
4
VOUT
5
2.7
U0950
C0985
R0908
SW_A+
0.1uF
0.1uF
C0986
0.1uF
C0987
VCC3
0.1uF
C0984
VCC5
C0940
0.1uF
C0943
.01uF
C0942
1uF
VIN
1
VOUT
5
C0941
1uF
U0962
LP3985
BYPASS
4
GND
2
VEN
3
0.1uF
C0937
12
14
4
11
NC
NC
1
MC33204
U0960
13
TP0939
TEST_POINT
1
TP0937
TEST_POINT
1
TP0941
TEST_POINT
1
TP0936
TEST_POINT
1
TP0931
TEST_POINT
1
TP0938
TEST_POINT
1
1
TP0940
TEST_POINT
TP0951
TEST_POINT
1
TP0930
TEST_POINT
TP0950
TEST_POINT
1
15
OUTD
7
OUTE
8
OUTF
9
OUTG
TEMP_1*
10
OUTH
5
REF
12
SCLK
4
VDD
DIN
14
DOUT
3
GND
6
LDAC
2
OUTA
PWR_SET*
1
OUTB
CURR_LIM_SET*
16
OUTC
VCC3
MAX5259
U0959
CS
11
13
100pF
C0935
100pF
C0934
100pF
C0933
30K
*R0941*
0
*R0940*
*R0939*
30K
11
0
*R0938*
U0960
MC33204
9
10
VGBIAS_3*
8
4
U0960
MC33204
6
5
VGBIAS_2*
7
4
11
U0960
MC33204
2
3
VGBIAS_1*
1
VGBIAS_1
4
11
9.3V_TX
9.3V_TX
9.3V_TX
9.3V_TX
100pF
C0930
RX_FILT_1*
20K
R0930 R0931
EEPOT_PC_U_D*
EEPOT_PC_INC*
RX_FILT_1
10K
C0956
22uF
VGBIAS_3
C0951
1uF
100K
9.3V_TX9.3V
Q0951
R0955
1
2
3
6
7
8
4
5
SW_A+
Q0952
C0955
0.1uF
22uF
C0982
R0993
1.2K
K9.1V
VGBIAS_2
7.5K
R0954
MOSIA
DA_EN
0.1uF
C0981
C0954
K9.1V_EN
SCKA
C0950
0.1uF
J0950-2
2
0.1uF
1
2
J0950-1
1
VCC3
24V
VR0950
R0952
1.2K
R0951
7.5K
C0953
22uF
47K
47K
10K
10K
10K
10K

Table of Contents

Related product manuals