EasyManua.ls Logo

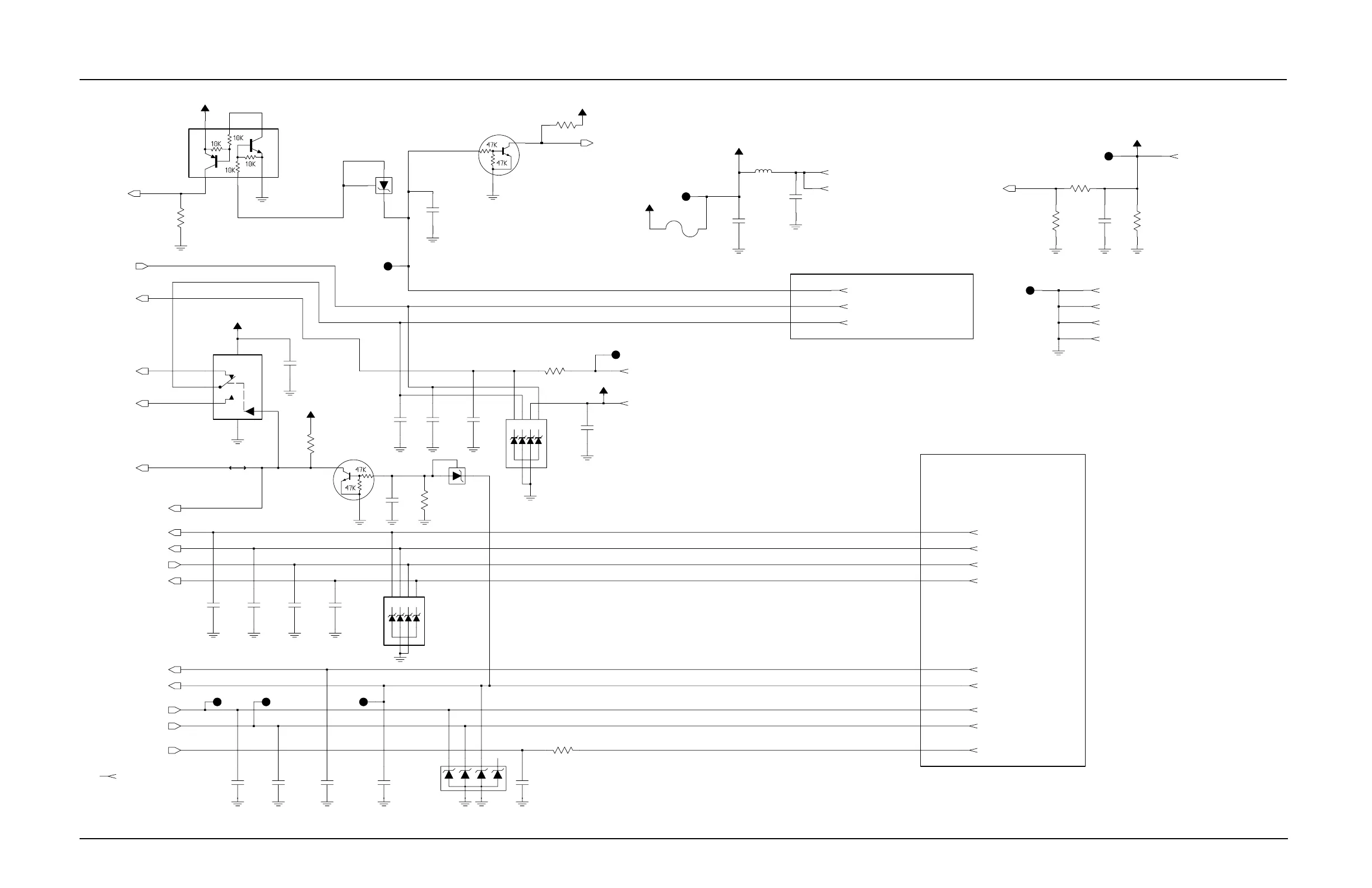
Motorola Astro XTL 1500 - Figure 7-99. HUE4040 A Secure Control-Head Connector Schematic (Sheet 1 of 2)

Motorola Astro XTL 1500
452 pages
To Next Page IconTo Next Page
To Next Page IconTo Next Page
To Previous Page IconTo Previous Page
To Previous Page IconTo Previous Page
Loading...
Schematics, Component Location Diagrams, and Parts Lists: HUE4040A (UHF Range 2) Main Board 7-127
6815854H01-A June 15, 2005
Figure 7-99. HUE4040A Secure Control-Head Connector Schematic (Sheet 1 of 2)
Programming Cable Interface
AUDIO
RX_FILT_AUDIO
BOOT_RX
GND
SPKR-
PTT*
IGNITION
EMERGENCY
NOT USED
MIC_HI
SPKR+
AUX_RX
SW_B+
AUX_MIC
BOOT_TX / KEYFAIL*
VCC5
A+
AUX_TX
OPTB+_BOOTSEL_VPP
C0427
J0401-1
100pF
1K
R0404
100pF
10K
C0428
TP0414
R0425
2
VPOS
TP0401
U0401
COM
5
3
GND
IN
1
NC
4
NO
6
TP0413
10K
R0409
R0419
J0401-7
1
K1
3
K2
4
K3
6
K4
4.7K
VR0414
2
A1
5
A2
100pF
6.8V
TP0402
C0431
6
K4
4.7K
R0517
6.8V
VR0417
2
A1
5
A2
1
K1
3
K2
4
K3
C0441
0.1uF
L0400
10uH
C0433
100pF
C0460
100pF
J0401-5
VR0421
11V
C0421
J0401-50
470pF
10K
R0420
J0401-8
C0429
100pF
VCC5
VCC5
A+
J0401-4
J0401-2
J0401-20
R0431
10K
VR0412
20V
25
1
3
46
100pF
Q0404
C0425
J0401-17
J0401-21
0
R0421
C0435
470pF
C0436
470pF
TP0412
J0401-3
C0439
VCC2.85
100pF
33K
R0422
J0401-18
470pF
VCC2.85
J0401-25
C0437
J0401-19
J0401-43
C0440
100pF
C0434
100pF
TP0411
J0401-10
J0401-9
C0432
100pF
J0401-26
J0401-23
TP0403
J0401-6
Q0402
C0426
470pF
J0401-22
J0401-49
C0438
5
2
3
6
4
1
SW_B+
470pF
1
Q0403
A+_ENC
VR0420
11V
2
3
F0400
125V
5A
C0430
100pF
TP0415
BOOT_R X
EMERGENCY
A+_CH
SW_B+_ON-OFF
IGNITION
BOOT_DATA_EN*
PTT*
VCC2.85
AUX_TX
AUX_MIC
AUX_MIC
AUX_RX
CABLE_DET
KEYFAIL
MIC_HI
MIC_HI
RX_FILT_AUDI O
IGNITION_CONN
SPKR-
SPKR-
MOD
BOOT_T X
FORCE_FAIL*
SPKR+
SPKR+

Table of Contents

Related product manuals