EasyManua.ls Logo

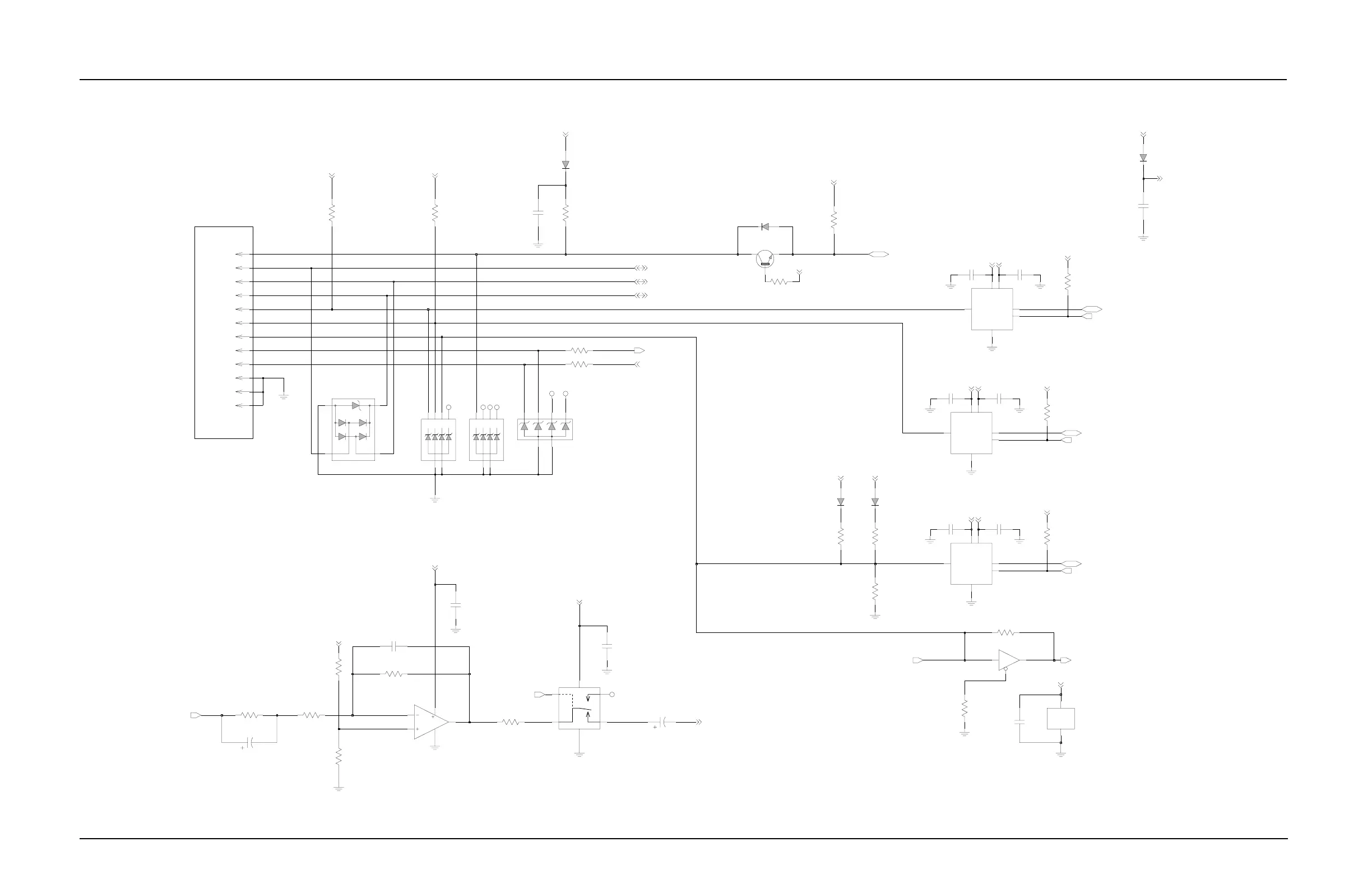
Motorola Astro XTL 1500 - Figure 7-9. GCAI Accessory Interface (Sheet 2 of 2)

Motorola Astro XTL 1500
452 pages
To Next Page IconTo Next Page
To Next Page IconTo Next Page
To Previous Page IconTo Previous Page
To Previous Page IconTo Previous Page
Loading...
Schematics, Component Location Diagrams, and Parts Lists: Control Head Main Board 7-11
6815854H01-A June 16, 2005
Figure 7-9. GCAI Accessory Interface (Sheet 2 of 2)
CONNECTOR 12PINS
DNP
DNP
GCAI SPEAKER
DNP
CRITICAL
R3202
15K
2
C3200
10uF
FSA4157L6X_NL
U3201
3
A
4
B0
6
B1
5
DNG
1
S
CCV
P3200-4
NC
GND
5
VCC
100pF
C3205
U3203-2
PWR_GND
3
R3211
10K
0.10uF
C3213
0
R3216
10K
47uF
R3213
0.10uF
C3203
B
C2
DIR
B2
DN
G
1B
ACCV
1A
B
C
CV
2A
C3211
U3204
SN74LVC1T45
A
C1
15K
R3201
4K
4813978A25
BAT54HT1G
D3200
VR3201
5.6V
1A
2A
1K
2K
3K
3900pF
P3200-7
C3201
D3207
0.10uF
C3202
10K
0.10uF
R3207
U3200
LM7301
4
3
1
2
5
C3207
2.2K
R3203
0.10uF
C3209
20V
VR3202
P3200-9
0.10uF
C3210
10K
R3205
R3222
0
2.2K
NC
R3204
0
R3219
A
2
E
O
1
Y
4
NC NC
R3218
NC
U3203-1
74VHC125
C3214
10K
P3200-3
0.10uF
P3200-5
U4204
SN74LVC1T45
A
C1
B
C2
DIR
B2
D
NG
1B
ACCV
1A
BCCV
2A
2K
3K
4K
5.6V
VR3203
1A
2A
1K
U3202
SN74LVC1T45
A
C1
B
C2
DIR
B2
DNG
1B
A
CCV
1A
BCCV
2A
10K
R3209
R3212
0
P3200-6
P3200-11
P3200-8
P3200-1
0.10uF
C3212
C3204
0.10uF
P3200-10
R3217
10K
R3223
10K
D3208
0
R3214
R3215
10K
R3221
10K
D3204
P3200-2
Q3200
R3220
10K
4813978A25
BAT54HT1G
D3203
VR3200
C3208
0.10uF
NC
NC
R3200
15K
GCAI_CTRL_3
GCAI_AVRAVR_SCK_PROG
VBUS_5V
GPIO1_DP_TXD
GPIO2_DM_RXD
P3200-12
UNSW_VCC
UNSW_VCC
3.3V
3.3V_LS
RX_AUDIO_OUT
GCAI_GPIO_4
3.3V_LS 2.8V
GCAI_CTRL_2
2.8V
GCAI_GPIO_3
3.3V_LS
GCAI_CTRL_1
2.8V
3.3V_LS
GCAI_GPIO_0
2.8V
3.3V
RX_AUDIO_OUT
MIC_HI_IN
2.8V
RX_AUDIO
2.8V
SPKR_CTRL
USB_5V
2.8V
2.8V
ONE_WIRE
2.8V
2.8V
USB_5V
3.3V_LS 3.3V_LS

Table of Contents

Related product manuals