EasyManua.ls Logo

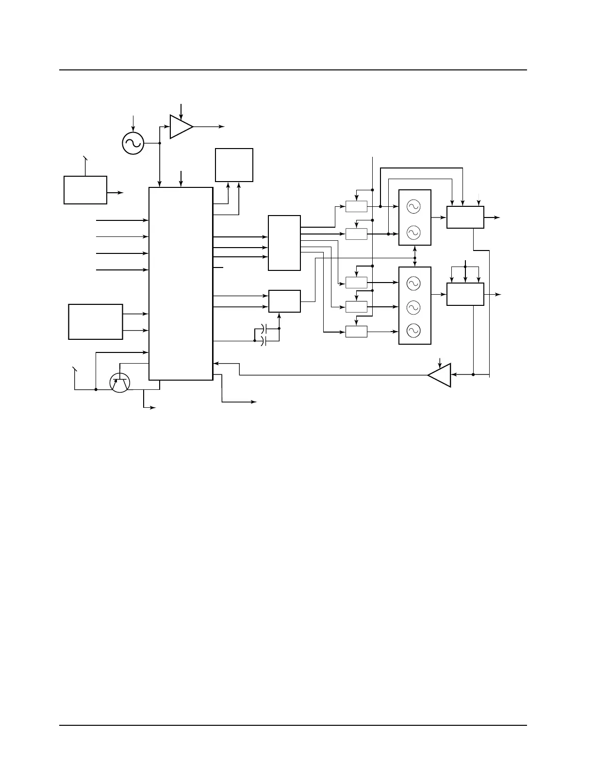
Motorola Astro XTL 1500 - Reference Oscillator; LV Frac-N Synthesizer IC; Figure 3-36. Frequency Generation Unit Block Diagram (UHF Range 1)

Motorola Astro XTL 1500
452 pages
To Next Page IconTo Next Page
To Next Page IconTo Next Page
To Previous Page IconTo Previous Page
To Previous Page IconTo Previous Page
Loading...
June 15, 2005 6815854H01-A
3-50 Theory of Operation: Frequency Generation Unit (FGU)
Figure 3-36. Frequency Generation Unit Block Diagram (UHF Range 1)
3.13.2.1 Reference Oscillator
The radio's frequency stability and accuracy is derived from the 16.8 MHz reference oscillator
(Y5750). The 16.8 MHz reference oscillator circuitry provides a 16.8 MHz reference to the LV Frac-N
(U5752), receiver back-end IC (U5002), and the controller section of the XTL 1500 radio. The
reference oscillator circuitry consists of the reference oscillator Y5750 and the inverter/buffer circuitry
containing the active device U5751. Y5750 is a voltage-controlled, temperature-compensated crystal
oscillator (VCTCXO). Circuitry internal to Y5750 compensates for frequency error over temperature.
Warping of the oscillator on frequency is accomplished via a programmable DAC in the LV Frac-N.
The warp voltage is present at pin 25 (WARP) of U5752 and is applied to pin 1 of Y5750. The
16.8 MHz output frequency of Y5750 is capacitor-coupled to pin 23 of the LV Frac-N (U5752) and
also to the inverter/buffer stage U5751. L5753 and C5768 at the output of U5751 filter the 16.8 MHz
signal, and R5768 along with C5763 set the appropriate amplitude of the signal for the receiver back-
end and controller sections.
3.13.2.2 LV Frac-N Synthesizer IC
The LV Frac-N IC (U5752) functions include frequency synthesis, modulation control, voltage
multiplication and filtering, and auxiliary logic outputs for VCO selection.
U5752 is a mixed-mode IC containing digital and analog circuits. Separate power supply inputs are
used for the various functional blocks on the IC. Inductors L5755 and L5756 provide isolation
between supply pin 20 (AVDD - analog supply input) and pin 36 (DVDD - digital supply input)
connected to F3.0v. This 3.0 V DC supply is provided by U5750, a 3-V regulator IC.
Bias 1
3.0V
3.0V
3.0V
3.0V
8.2V
Lock Detect
to Controller
Prescaler Input
Q5755
RF
Feedback
8.2V
Bias 2
9.3V
SFIN
SFBASE
SFOUT
Lock
PREIN
AUX4
AUX3
Mod Out
IADAPT
IOUT
AUX2
AUX1
VMULT4
VMULT3
5.0V
16.8MHz Reference
to Controller and
Receiver Back End
VOLTAGE
MULTIPLIER
D5750 and
D5751
16.8MHz OSC
8.2V
Super Filter
Q5752
U5751
U5752
3.0V
Regulator
U5750
PHASE
DETECTOR BIAS
Q5750 RX and
Q5751 TX
CLOCK
SYN_SEL
DATA
MOD_IN
From
Controller
NC
A
X0
X1
X2
X3
X4
B
C
7.5V
8.2V
Q5706
Q5707
Q5708
Q5709
RX
INJECTION
TX
INJECTION
RX
Injection
TX
Injection
Keyed
9.1V
C5779
C5780
LOOP
FILTER
8.2V SW
8.2V SW
8.2V SW
8.2V SW
Q5825
Q5826
Q5901
Q5903
Q5905
U5753
Q5710
8.2V SW

Table of Contents

Related product manuals