EasyManua.ls Logo

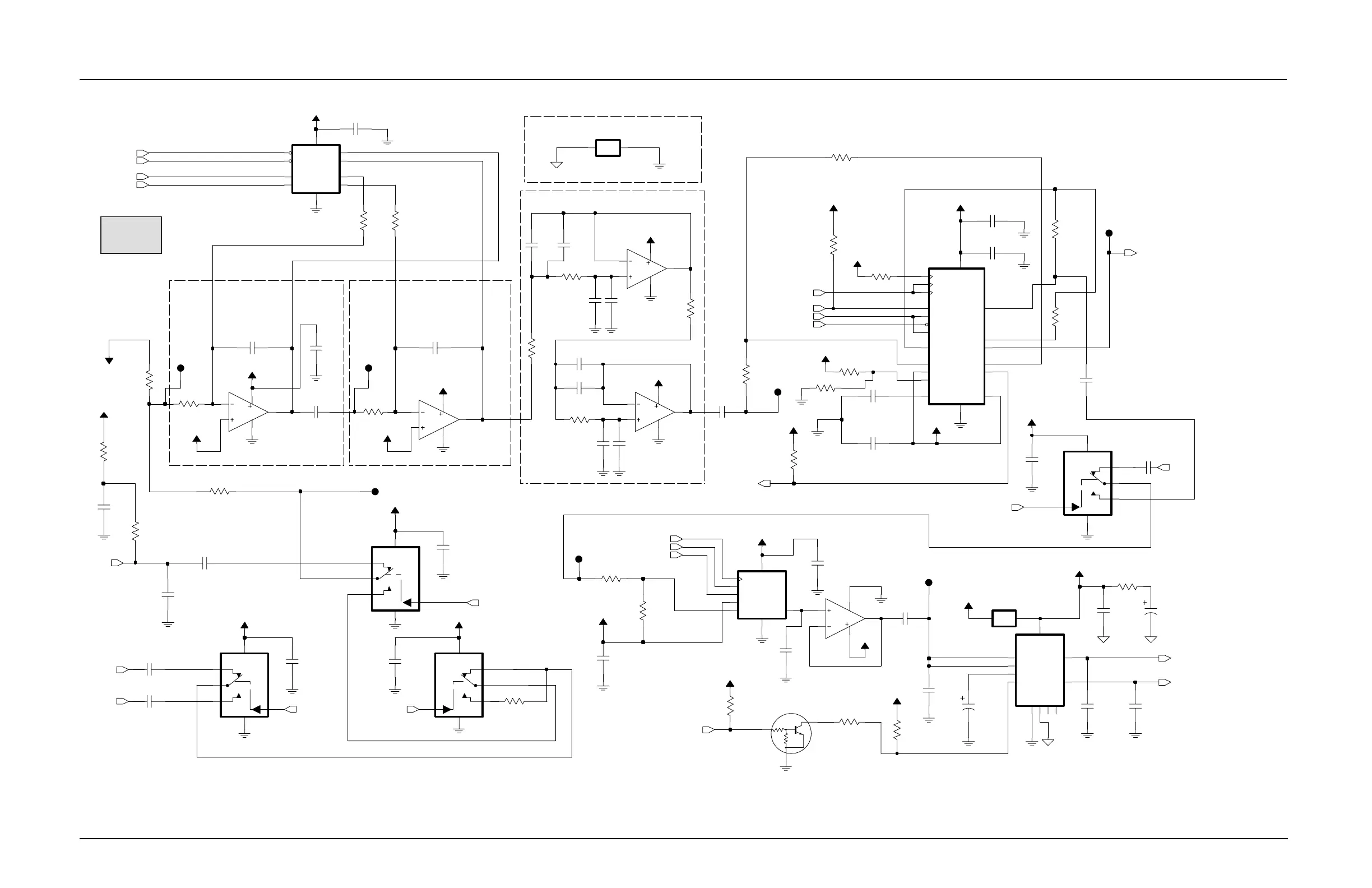
Motorola Astro XTL 1500 - Figure 7-112.HUF4017 A Controller Audio Schematic

Motorola Astro XTL 1500
452 pages
To Next Page IconTo Next Page
To Next Page IconTo Next Page
To Previous Page IconTo Previous Page
To Previous Page IconTo Previous Page
Loading...
Schematics, Component Location Diagrams, and Parts Lists: HUF4017A (700-800 MHz) Main Board 7-151
6815854H01-A June 15, 2005
Figure 7-112. HUF4017A Controller Audio Schematic
AUDIO_GROUND
NP
-14 dB to +14 dB
-9 dB to +14 dB
Programmable pre-amp stage
Programmable pre-amp stage
Anti-aliasing filter
Ground
7 dB Attenuation Stage
UNIVERSAL GROUND
SW_A+
VAG
0.1uF
C0224
R0227
0.1uF
68K
0.1uF
C0216
C0201
VAG
A+_FILT
R0206
100K
C0205
10uF
C0220
150pF
33K
R0228
VAG
10K
C0226
0.1uF
R0222
1
IN
4
NC
6
NO
VPOS
2
VCC2.85
NLAST4599
U0210
5
COM
GND
3
R0207
7.5K
R0203
1K
VPOS
2
470pF
C0230
NLAST4599
U0208
5
COM
GND
3
1
IN
4
NC
6
NO
0.1uF
C0242
R0208
100K
VCC2.85
C0207
33pF
R0236
9.1K
R0226
36K
R0212
100K
C0240
0.1uF
C0206
470pF
C0235
1uF
1
10uF
C0221
VCC2.85
VCC2.85
TP0200
C0204
4.7uF
A+
10K
VAG
TP0205
1
VCC5
R0221
C0210
0.1uF
1uF
C0208
U0201-4
MC33204
13
12
14
4
11
LM7301
U0207
4
3
1
2
5
3300pF
C0217
4.7uF
Q0200
C0223
R0210
100K
0.1uF
C0239
R0209
10K
560
R0204
COM
5
GND
3
IN
1
NC
4
NO
6
2
VPOS
VCC2.85
U0203
NLAST4599
0.1uF
C0227
VCC2.85
R0235
10K
R0225
10K
150pF
C0228
220pF
C0233
0
R0231
VCC2.85
1K
C0214
VCC2.85
R0200
C0225
0.1uF
VCC2.85
0.1uF
R0224
10K
19
TI_POS
20
VAG
1
VAGREF
6
VDD
15
VSS
11
MCLK
10
PDI
3
PI
4
PO_NEG
5
PO_POS
2
RO_NEG
17
TG
18
TI_NEG
9
BCLKR
12
BCLKT
8
DR
13
DT
7
FSR
14
FST
16
HB
VCC2.85
MC145483
U0200
7
VCC
R0223
18K
10
GND3
GND4
11
9
INV
8
M_SS
1
NINV
4
OUT1
6
OUT2
3
RR
U0204
TDA1519C
2
GND1
GND2
5
VREFIN
0.1uF
C0234
6
CLK
5
DATA
3
GND
8
IN
4
LOAD
2
OUT
7
VDD
1
C0209
0.1uF
LM1971
U0206
C0232
18K
R0220
470pF
C0212
1
0.1uF
47K
TP0206
100pF
R0205
MC33204
6
5
7
4
11
C0211
U0201-3
MC33204
9
10
8
4
11
VCC5
U0201-2
TP0203
1
1K
R0219
VAG
3.3K
R0202
TP0202
1
C0238
220pF
C0203
0.1uF
VCC2.85
220pF
C0231
SIGNAL_CONVERT
SC0001
I1
1
I2
2
R0218
1K
100K
VCC2.85
TP0201
1
R0216
0.1uF
C0215
6800pF
C0244
VCC2.85
6800pF
C0243
MC33204
U0201-1
2
3
1
4
11
C0202
0.1uF
TP0204
1
0.1uF
C0213
R0230
C0236
470pF
NO
VPOS
2
9.3V_TX
33K
NLAST4599
U0209
5
COM
GND
3
1
IN
4
NC
6
68K
R0229
I1
1
I2
2
VCC2.85
SIGNAL_CONVERT
SC0002
W1
4
W2
7
VCC2.85
C0237
220pF
CS1
1
CS2
10
GND
8
INC
9
L1
5
6
L2
U_D
2
VDD
3
MIC_PREAMP_OUT
RX_FILT_AUDIO
SPKR+
SPKR-
U0202
MAX5452
AUX_RX*
MIC_HI*
AUX_TX_B
CODEC_OUT_C
RX_AUDIO_IN
MUX_AUX_TX
AUX_MIC*
AUX_TX*
AUX_MIC
AUX_TX
MIC_PREAMP_IN
VOLUME_IN
EEPOT_U_D*
EEPOT_INC*
SPI_SCKA
SPI_MOSIA
EEPOT_3_CS*
MUX_MICATTEN
VOL_OUT*
VOL_OUT
CODEC_OUT
AUX_TX_A
CODEC_OUT_B
MIC_M
MIC_A
MIC_C
MIC_B
MIC_E
MIC_K
MIC_N
CODEC_OUT_A
MIC_L
MIC_G
MIC_J
MIC_I
MIC_F
MIC_H
EEPOT_CS*
AUX_RX
SAP_FSYNC
SAP_TX
SAP_DCLK
AUDIO_PA_EN
MUX_TX
MUX_RX
EEPOT_2_CS*
MIC_HI
MIC_D
AUDIO_PA_IN
SAP_RX
CODEC_PWR_DOWN
47K
47K
MAEPF-27837-O
Part Series
200

Table of Contents

Related product manuals