EasyManua.ls Logo

NMC-WOLLARD 140 - Page 126

NMC-WOLLARD 140
585 pages
Print Icon
To Next Page IconTo Next Page
To Next Page IconTo Next Page
To Previous Page IconTo Previous Page
To Previous Page IconTo Previous Page
Loading...
NMC-WOLLARD 2021Truax Blvd., Eau Claire, WI 54703, Phone (715) 835-3151, Fax (715) 835-6625
M140 Tow Tractor Manual No. 46054
PAGE 2-20
CHAPTER 2 MAINTENANCE
2 TROUBLESHOOTING
JUNE 15, 2015
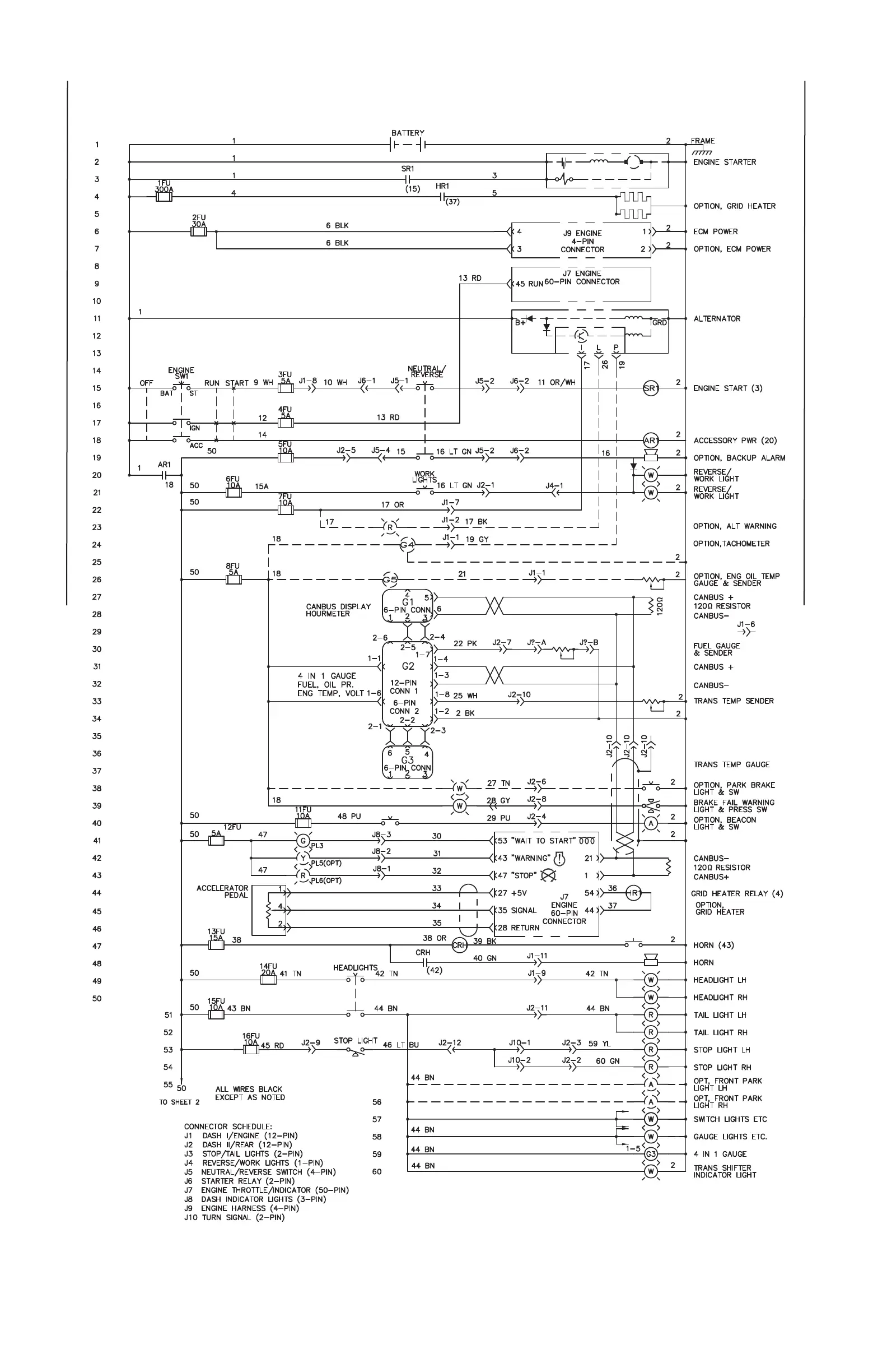
FIGURE 8. CUMMINS QSB3.3/C6 SCHEMATIC (1 of 2)
52992

Table of Contents

Related product manuals