Home
NMC-WOLLARD
Tractor
140
Page 468 (Brake Power Booster, Bendix)
NMC-WOLLARD 140 - Brake Power Booster, Bendix
585 pages
Manual
Save Page as PDF
To Next Page
To Next Page
To Previous Page
To Previous Page
Loading...
NMC-WOLLARD
2021T
ruax Blvd., Eau Claire, WI 54703, Phone (715) 835-3151, Fax (715) 835-6625
M140 T
ow T
ractor Manual No. 46054
P
AGE 5-60
CHAPTER 5 MANUF
ACTURER’S INFORMA
TION
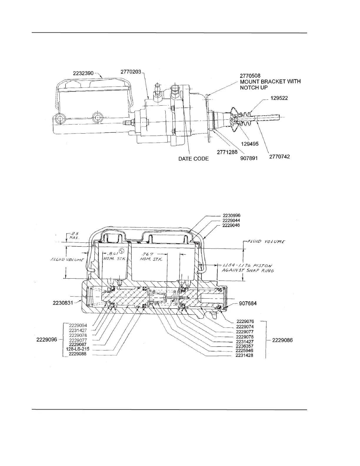
BRAKE POWER BOOSTER, BENDIX
BRAKE POWER BOOSTER, BENDIX
JANUARY
31, 2008
467
469
Table of Contents
Main Page
Section 1
6
Introduction
3
NMC-WOLLARD 2021Truax Blvd., Eau Claire, WI 54703, Phone (715) 835-3151, Fax (715)
3
Year Limited Warranty
4
Table of Contents
6
Revision Record
7
Intro/Page Eff./22-24 Changed Dates
8
Revision Highlights
9
Updated TOC
10
Section 2
11
Page Effectivity
15
Configuration
21
Effectivity Code
23
NMC-WOLLARD 2021Truax Blvd., Eau Claire, WI 54703, Phone (715) 835-3151, Fax (715)
24
Nmc-Wollard Chapter 1 General Information and Operating Instructions
25
Description
27
Product Safety
27
Safety Decals
28
General Safety Precations
29
Cooling Sytem
31
Description of the Tractor
31
Engine
31
Equipment Description
31
Frame
31
Intended Use
31
Transmission
31
Air Cleaner
32
Exhaust System
32
Fuel System
32
Governor
32
Lubrication System
32
Torque Converter
32
Alternator
33
Battery
33
Current Regulator
33
Electrical System
33
Instrument Panel
33
NMC-WOLLARD 2021Truax Blvd., Eau Claire, WI 54703, Phone (715) 835-3151, Fax (715)
34
Lights and Accessories
33
Starter
33
Brake System
35
Rear Axle
35
Steering System
36
Operation
37
Operator's Controls
37
Pre-Operation Check
37
Understand the Controls and Instruments
37
Instruments
38
Operating the Engine
38
Starting the Engine
38
Charging the Battery
39
Hard Starting
39
Slow Charging
40
Fast Charging
41
Jump Starting the Tractor
41
Adjusing Engine Speed
42
Altitude (Diesel)
42
Break-In
42
Engine Performance
42
Engine Protection System
43
Driving the Tractor
44
Number
44
Engine Diagnostic Code Retrieval and Explanations
44
Shutting down the Tractor
45
Emergency Stopping
46
Towing the Tractor
46
Rear-Wheel Drive, Two-Wheel Steer, Towing Tractor
47
Specifications and Capabilities
47
Engine
48
Brakes
49
Corrosion Proofing
49
Electrical
49
Instrumentation & Controls
49
Standard Equipment
49
Transmission, Allison
49
Optional Equipment
50
Dimensional Data
51
NMC-WOLLARD 2021Truax Blvd., Eau Claire, WI 54703, Phone (715) 835-3151, Fax (715)
52
Shipping
53
Towing the Tractor
53
NMC-WOLLARD 2021Truax Blvd., Eau Claire, WI 54703, Phone (715) 835-3151, Fax (715)
54
Day Storage
55
Storage
55
Storage for 90 Days or Longer
55
Toc/1
55
Removing the Machine from Storage
56
Nmc-Wollard Chapter 2 Maintenance
57
Chapter Contents
61
Servicing
61
Periodic Maintenance and Inspection
63
Preventative Maintenance Schedule
64
Coolant Leaks
66
Coolant Level
66
Daily Service
66
Empty Air Cleaner Dust Cup (if Conditions Are Extremely Dusty)
66
Engine Oil Level
66
Brake Pedal Free Play
67
Fuel Leaks
67
Inspect for Transmission Oil Leaks
67
Lights
67
Tire Condition and Pressure
67
Cummins Diesels - Specific Procedures
68
Every 250 Operating Hours or 3 Months
68
Rear Axle Oil Leaks
68
Transmission Oil
68
Water Separator
68
Inspect Drive Shaft, Steering, Suspension, and Front Axle Components
69
Lubricate Grease Fittings
69
Inspect Brakes
70
Inspect Muffler, Exhaust, and Tail Pipe
70
Batteries
71
Instructions for Cleaning Spark Arrester/Exhaust System
71
A Sound Battery Is a Must
73
Voltmeter
73
Alternator
74
Change Engine Oil and Oil Filter - Diesel
74
Change Fuel Filter
74
Check Air Cleaner Restriction
74
Belt Tension and Condition
75
Every 500 Operating Hours or 6 Months
75
Installing or Adjusting Belts
75
Rear Axle Oil Level Check
75
Replace Air Cleaner Element
75
Inspect Linings, Pads, Calipers, Wheel Cylinders, Etc
77
Inspect Wiring, Battery, and Cables
79
Every 1000 Hours or 1 Year
80
Toe-In Adjustment
80
Wheel Bearings
80
Transmission - Allison
90
Shift Inhibitor Adjustment
100
Adjust Valves
101
Change Coolant
101
Changing Axle Oil
101
Every 2500 Operating Hours or 2 Years
101
Inspect Injectors - Diesels
101
Bleeding the Brakes
102
Bleeding the Power Steering System
104
Brake Pedal Adjustment
104
Throttle Pedal Recalibration Req. for Cummins Eng
105
Steering System Overview - Used with At545 Transmission
107
Trouble Shooting
107
System Pressure Test
108
Diagnostics, Steering and Brakes
109
Hydraulic Leak Test
109
Power System Test
109
Brake System Trouble Shooting Chart
111
Check Valve
117
Equalizer Valve
117
Stoplight Switch
117
Brake Lines and Fittings
118
Axle
129
Disassembly of Rockwell Differential and Drive Pinion
129
Removal and Installation
129
Disassembly of Wheel End
130
Cleaning and Inspection
131
Reassembly of Wheel End
132
Repair
132
Reassembly of Drive Pinion
133
Installation of Rear Axle Without Springs
134
Reassembly of Differential
134
Drive Shaft
135
Installation
135
Removal
135
Installation
136
Radiator
136
Rear Suspension
136
Removal
136
Engine/Transmission Removal
137
Transmission and Torque Converter Removal
138
Transmission and Torque Converter Installation
141
Cleaning and Inspection
143
Fuel Tank
143
Removal and Disassembly
143
Repair or Replacement
143
Installation
144
Reassembly
144
Removal
144
Steering Gear Assembly
144
Installation
145
Power Steering Pump
145
Removal
145
Installation
146
Removal
146
Steering Column Assembly
146
Cleaning and Inspection
147
Front Suspension
147
Installation
147
Removing the Leaf Springs
147
Disassembly
148
Front Axle Assembly
148
Removal
148
Assembly
149
Installation
150
Setting Stops on New Axle
151
Alternator
152
Drag Link
152
Installation
152
Removal
152
Setting Pitman Arm Stops
152
Repairs
155
Universal Joint Repair
155
Wheels and Tires
156
Disassembly
157
Removal
157
Assembly
158
Inspection and Cleaning
158
Repair
158
Installation
159
Installation
161
Rear Suspension
161
Removal
161
Rockwell Rear Axle Wheel Hub Seal Replacement
161
Overhaul
165
Cleaning
167
General Repair
167
Guidelines for Repairing the Tractor
167
Removal and Disassembly
167
Special Tools
167
Bearings
168
Frame, Engine, and Transmission
168
Gears
168
Inspecting Parts
168
Metal Parts
168
Repair and Replacement
168
Structural Parts
168
Using Compressed Air
168
Wiring
168
Engine Repair and Maintenance
169
Friction Pad Removal and Installation (Front)
169
Front Brakes
169
Gaskets and Seals
169
Ordering Parts
169
Reassembly and Installation
169
Added
170
Disc Replacement (Front)
170
Caliper Repair (Front)
171
Rear Brakes
172
Rear Drum Brake Removal
172
Adjustment
173
Cleaning and Inspection
173
Rear Drum Brake Assembly and Installation
174
Rear Wheel End Installation
175
Cleaning and Inspection
176
Disassembly
176
Removal
176
Wheel Cylinders
176
Assembly
177
Installation
177
Power Booster/Master Cylinder Assembly
177
Removal
178
Installation
179
Repair
179
Inspecting and Lubricating Brake Assembly
180
Parking Brake (C-6 Transmission)
180
Reassembly
180
Removing Brake Shoes and Pads
180
Repair and Replacement
180
Special Tools for Tire Changing
181
Added
215
Nmc-Wollard Chapter 5 Manufacturer's Information
409
Control Cables
410
Bostrom Seat, T-Bar
412
Automatic Transmission Diagnosis
421
Transmission Service
443
Automatic Transmission Service
444
Case, Converter, and Extension Housing
454
Transmission Parts
454
Intermediate Servo and Band
457
Valve Body Assembly
458
Throttle and Manual Control Linkage
460
Clutches, Gear and Shafts
462
Flywheel and Oil Filler
467
Brake Power Booster, Bendix
468
Sae Diagnostic Trouble Codes and Cummins Fault Codes
485
Newage Axle Information
493
Can Display Manual
495
Nmc-Wollard I Nexsyslink 2" Stand-Alone Can Display Operation Manual · Sae J1939
496
About
498
Nexsyslink 2" Stand-Alone CAN Display Operation Manual · Sae J1939
498
Scope
498
Preconfigured Instruments
499
Stand-Alone and Master Node Configurations
499
Product Outline Drawing
500
Down Switch
501
Menu Navigation
501
Menu/Enter/Reset Switch
501
Switch Icon Conventions
501
Up Switch
501
Figure 1-1: Menu Scrolling and Option Selection
502
Menu Scrolling Icons
502
Selection Arrow Cursor
502
Blinking Bar Cursor
503
Figure 1-2: Blinking Bar Cursor
503
Default CAN Parameter Screen
504
Figure 1-3: Accessing the Main Menu
504
Main Menu
504
Start-Up Routine
504
Viewing CAN Parameters
504
Figure 1-4: Accessing and Resetting Maintenance Hours and Vehicle Trip Logs
505
Maintenance Hours or Vehicle Trip
505
Faults Active
506
Figure 1-5: Fault Notification and Information Screens
506
Figure 1-6: Viewing Active Faults
507
Viewing Active Faults
507
Figure 1-7: Warning Notification and Information Screens
508
Warnings Active
508
Figure 1-8: Viewing Active Warnings
509
Viewing Active Warnings
509
Faults Stored
510
Figure 1-9: Faults Stored Information Screens
510
Alarms
511
Alarms Menu
512
Figure 1-10: Alarms Menu Functions
512
Enabling/Disabling Alarms
513
Figure 1-11: Enabling/Disabling Alarms
513
Figure 1-12: Alarm Screen Details
514
Figure 1-13: Viewing Alarms
514
Viewing Alarms
514
Alarm Configuration
515
Figure 1-14: Add & Edit Alarm CAN Parameter Screen Details
515
Adding an Alarm or Alarms
516
Figure 1-15: Menu Prompt Sequence with no Configured Alarms
516
Figure 1-16: Menu Prompt Sequence with Previously Configured Alarms
517
Editing Alarms
518
Figure 1-17: Editing an Alarm
518
Deleting Alarms
519
Figure 1-18: Deleting an Alarm
519
Figure 1-19: Muting Faults, Warnings & Alarms
520
Mute
520
Figure 1-20: Setup Menu Functions
521
Setup Menu
521
Backlight
522
Figure 1-21: Setting Backlight Intensity
522
Lamp on & Lamp off
522
Figure 1-22: Setting Units
523
Setting Units
523
Figure 1-23: Popup Fault, Warning & Alarm Screens
524
Popups Notification Screens
524
Figure 1-24: Setting Popup Status
525
Setting Popups
525
Display
526
Figure 1-25: Display Menu
526
Figure 1-26: 1 and 2 CAN Parameter Display Formats
527
Figure 1-27: Setting 1 or 2 Parameter Display Lines
527
Or 2 Parameter Display
527
Figure 1-28: Setting LCD Contrast
528
Set Contrast
528
Figure 1-29: Video Mode Formats
529
Video Mode Formats
529
Figure 1-30: Setting LCD Background Color Scheme (Video Mode)
530
Set Video
530
Trip Mode
530
Alarm Output
531
Figure 1-31: Setting Hours or Miles for Main Menu Display
531
Figure 1-32: Setting Alarm Output Pin Status
531
Figure 1-33: Viewing Firmware Revision
532
Firmware Information
532
Implementation of SAE J1939 Parameters
533
Menu Navigation Icon Descriptions
535
Parameter Icons & Descriptions
535
Allison 2500 Trans. Information
538
Related product manuals
NMC-WOLLARD 100
848 pages
NMC-WOLLARD MB-4 200-DF
321 pages
NMC-WOLLARD M60
11 pages