EasyManua.ls Logo

NMC-WOLLARD 140 - Throttle and Manual Control Linkage

NMC-WOLLARD 140
585 pages
Print Icon
To Next Page IconTo Next Page
To Next Page IconTo Next Page
To Previous Page IconTo Previous Page
To Previous Page IconTo Previous Page
Loading...
NMC-WOLLARD 2021Truax Blvd., Eau Claire, WI 54703, Phone (715) 835-3151, Fax (715) 835-6625
M140 Tow Tractor Manual No. 46054
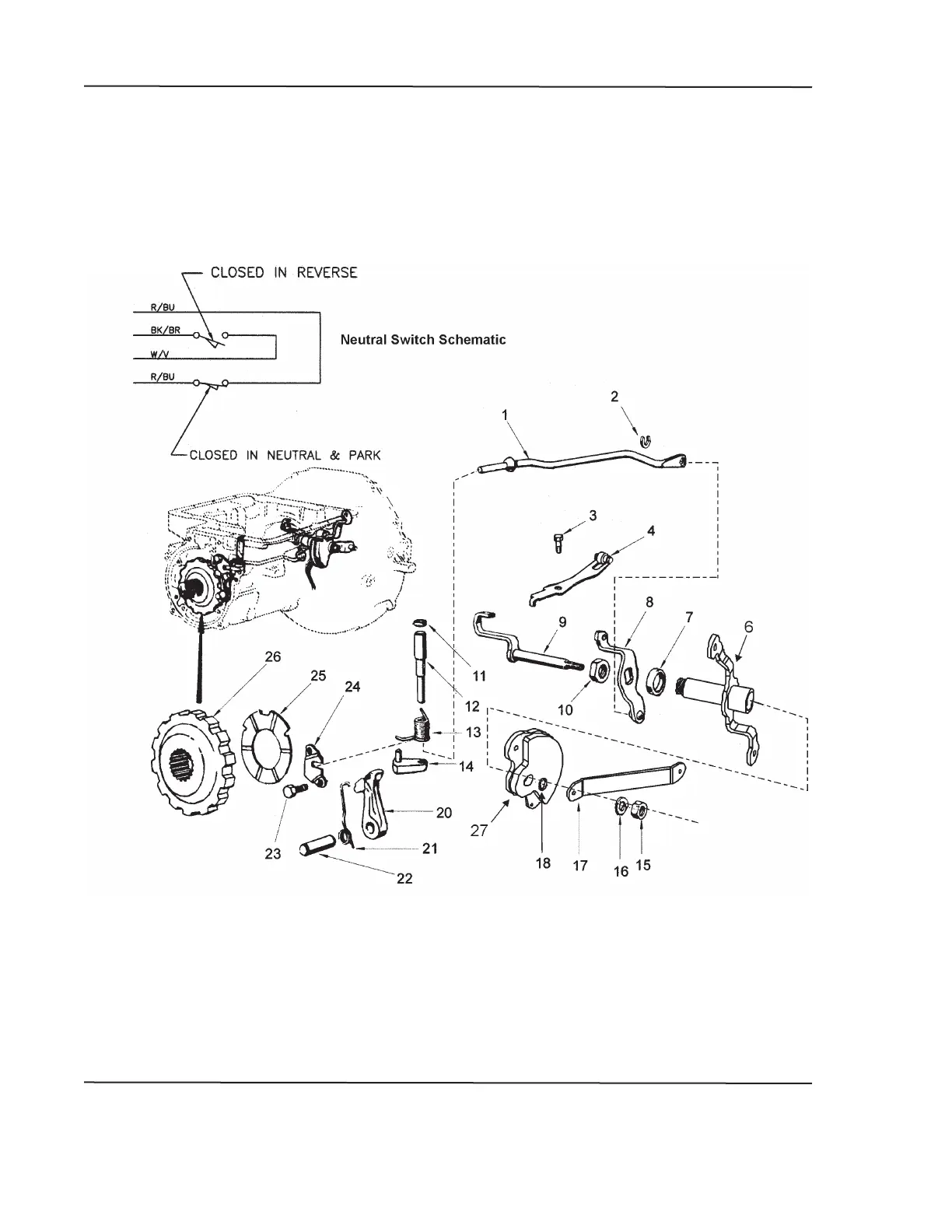
PAGE 5-52
CHAPTER 5 MANUFACTURER’S INFORMATION
C-6 TRANSMISSION PARTS
FIGURE 4
THROTTLE AND MANUAL CONTROL LINKAGE
JANUARY 31, 2008

Table of Contents

Related product manuals