EasyManua.ls Logo

NMC-WOLLARD 140 - Page 348

NMC-WOLLARD 140
585 pages
Print Icon
To Next Page IconTo Next Page
To Next Page IconTo Next Page
To Previous Page IconTo Previous Page
To Previous Page IconTo Previous Page
Loading...
NMC-WOLLARD 2021Truax Blvd., Eau Claire, WI 54703, Phone (715) 835-3151, Fax (715) 835-6625
M140 Tow Tractor Manual No. 46054
PAGE 4-148
CHAPTER 4 REPAIR PARTS
4 ILLUSTRATED PARTS LIST
JANUARY 31, 2009
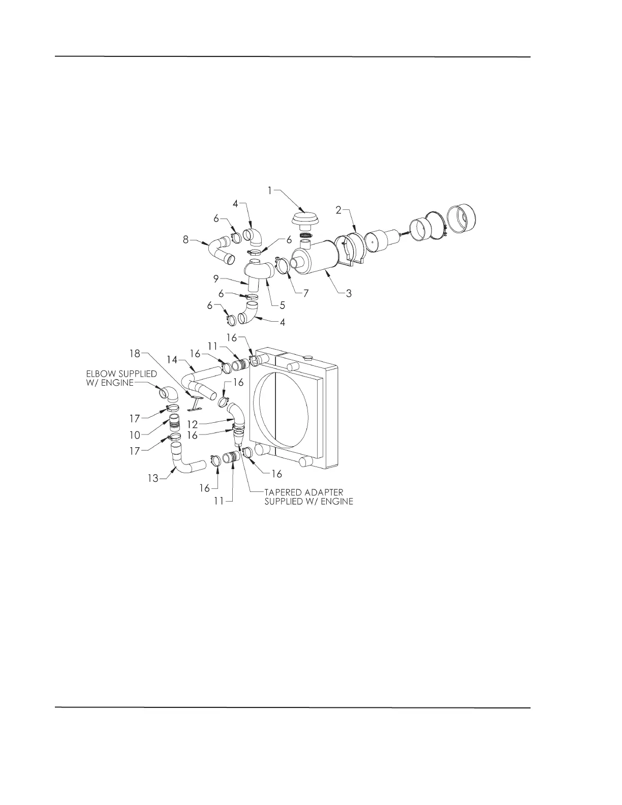
FIGURE 65.
AIR INTAKE SYSTEM, CUMMINS QSB4.5T3/C6

Table of Contents

Related product manuals