EasyManua.ls Logo

NMC-WOLLARD 140 - Page 402

NMC-WOLLARD 140
585 pages
Print Icon
To Next Page IconTo Next Page
To Next Page IconTo Next Page
To Previous Page IconTo Previous Page
To Previous Page IconTo Previous Page
Loading...
NMC-WOLLARD 2021Truax Blvd., Eau Claire, WI 54703, Phone (715) 835-3151, Fax (715) 835-6625
M140 Tow Tractor Manual No. 46054
PAGE 4-202
CHAPTER 4 REPAIR PARTS
4 ILLUSTRATED PARTS LIST
AUGUST 31, 2014
4 ILLUSTRATED PARTS LIST
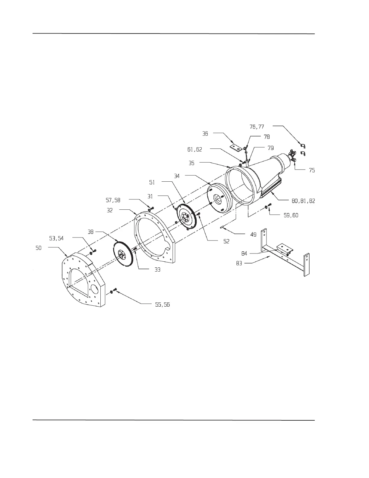
FIGURE 86.
ENGINE TRANSMISSION MOUNTING, PERKINS 1104C-44/C6
(2 OF 2)

Table of Contents

Related product manuals