⚫
 
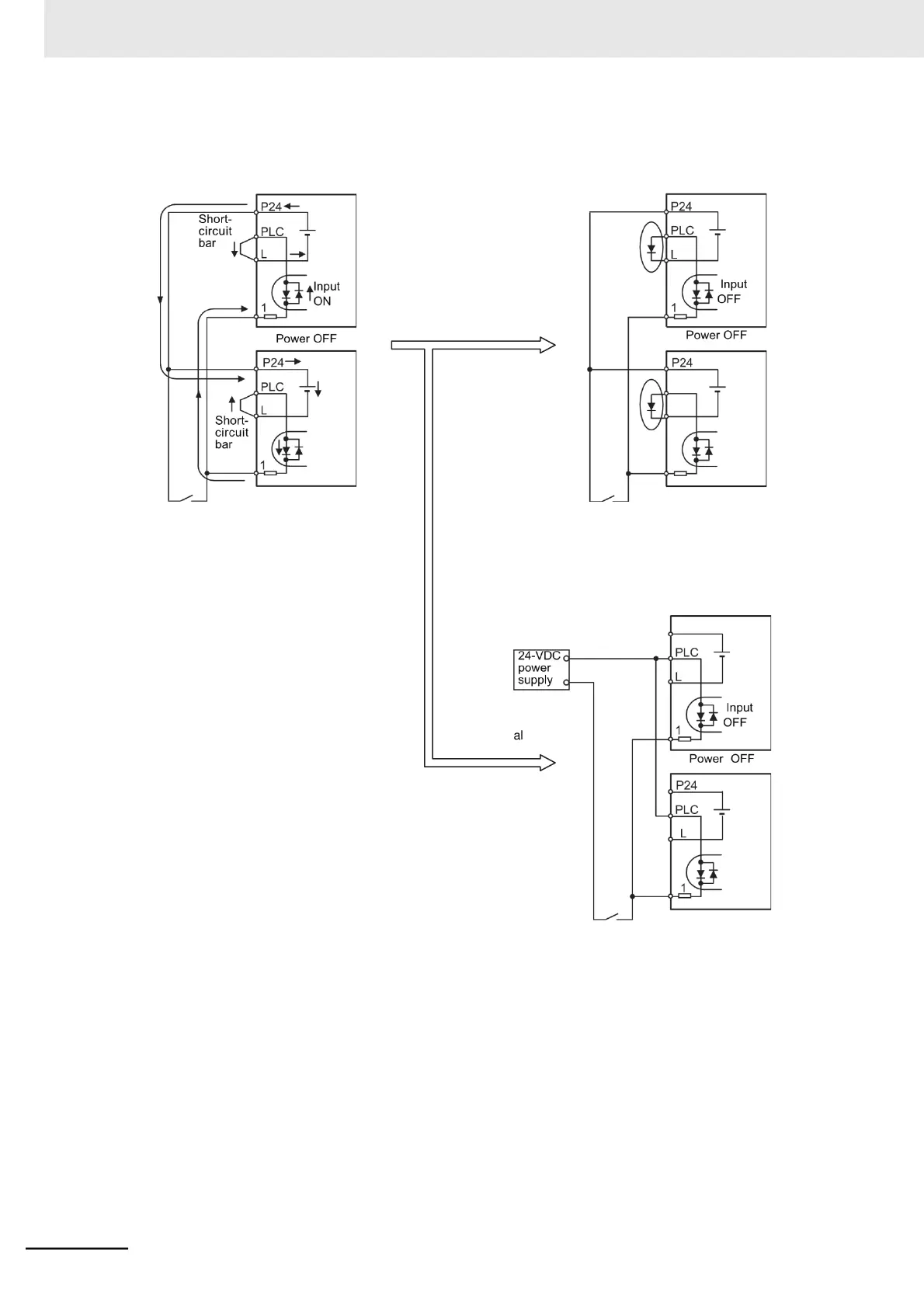
For source logic 
 
Power ON 
Power ON
 
 
 
 
 
 
 
 
Add a diode 
 
 
 
 
 
 
 
 
 
 
Switch OFF 
With no diode inserted, the input turns ON 
due to sneak current even when the switch is 
OFF. 
Switch OFF 
In place of short-circuit bar, insert a diode 
to prevent sneak current. 
 
     Power ON
 
 
 
 
 
 
 
 
Use an external 
power supply 
 
 
 
 
 
 
 
 
Switch OFF 
The use of an external power supply with 
the short-circuit bar removed does not 
cause sneak current.