EasyManua.ls Logo

Omron 3G3MX2-A2002-EV2 - Page 299

Omron 3G3MX2-A2002-EV2
612 pages
Print Icon
To Next Page IconTo Next Page
To Next Page IconTo Next Page
To Previous Page IconTo Previous Page
To Previous Page IconTo Previous Page
Loading...
6 Vector Control and Applied Functions
6 - 31
Multi-function Compact Inverter 3G3MX2-EV2 User’s Manual (I666-E1)
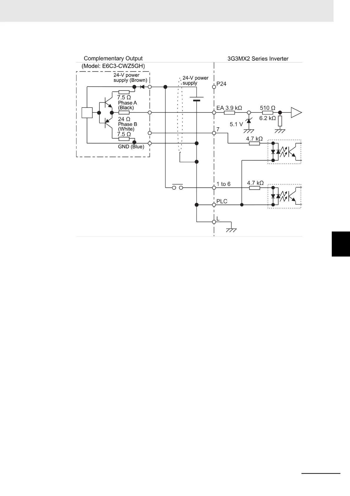
6-7 Simple Position Control
6-7-2 Recommended Encoder for Simple Position Control and Its Wiring
6

Table of Contents

Related product manuals