EasyManua.ls Logo

Omron SYSDRIVE 3G3JV - Wiring on the Input Side of the Main Circuit

Omron SYSDRIVE 3G3JV
246 pages
Print Icon
To Next Page IconTo Next Page
To Next Page IconTo Next Page
To Previous Page IconTo Previous Page
To Previous Page IconTo Previous Page
Loading...
2-17
H Wiring on the Input Side of the Main Circuit
D Installing a Molded-case Circuit Breaker
Always connect the power input terminals (R/L1, S/L2, and T/L3) and power supply via a molded case
circuit breaker (MCCB) suitable to the Inverter.
Install one MCCB for every Inverter used.
Choose an appropriate MCCB capacity according to the Circuit breaker capacity column in the table
on the previous page.
For the MCCB’s time characteristics, be sure to consider the Inverter’s overload protection (one min-
ute at 150% of the rated output current).
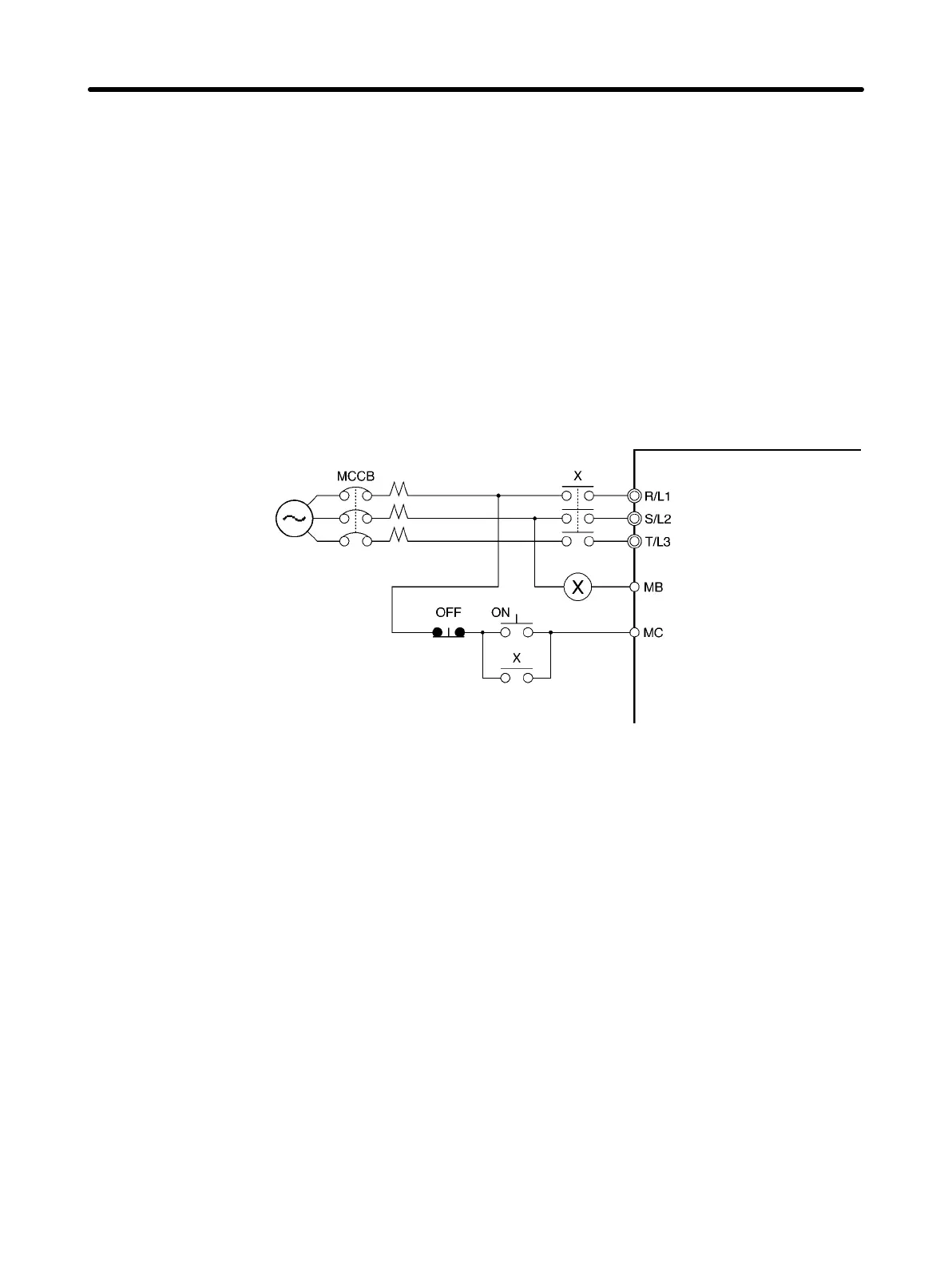
If the MCCB is to be used in common among multiple Inverters, or other devices, set up a sequence
such that the power supply will be turned off by a fault output, as shown in the following diagram.
3-phase/Single-phase
200 V AC
3-phase 400 V AC
Power
supply
Inverter
Fault output
(NC)
D Installing a Ground Fault Interrupter
Inverter outputs use high-speed switching, so high-frequency leakage current is generated.
In general, a leakage current of approximately 100 mA will occur for each Inverter (when the power
cable is 1 m) and approximately 5 mA for each additional meter of power cable.
Therefore, at the power supply input area, use a special-purpose breaker for Inverters, which detects
only the leakage current in the frequency range that is hazardous to humans and excludes high-fre-
quency leakage current.
For the special-purpose breaker for Inverters, choose a ground fault interrupter with a sensitivity am-
perage of at least 10 mA per Inverter.
When using a general leakage breaker, choose a ground fault interrupter with a sensitivity amperage
of 200 mA or more per Inverter and with an operating time of 0.1 s or more.
D Installing a Magnetic Contactor
If the power supply of the main circuit is to be shut off because of the sequence, a magnetic contactor
can be used instead of a molded-case circuit breaker.
When a magnetic contactor is installed on the primary side of the main circuit to stop a load forcibly,
however, the regenerative braking does not work and the load coasts to a stop.
Design Chapter 2

Table of Contents

Other manuals for Omron SYSDRIVE 3G3JV

Related product manuals