EasyManua.ls Logo

Optek CONTROL 200 - Page 47

Optek CONTROL 200
135 pages
Print Icon
To Next Page IconTo Next Page
To Next Page IconTo Next Page
To Previous Page IconTo Previous Page
To Previous Page IconTo Previous Page
Loading...
C200 SOFTWARE
Instruction Manual C200 Part2 A1.doc
optek Danulat GmbH D-45356 Essen Germany
page 25
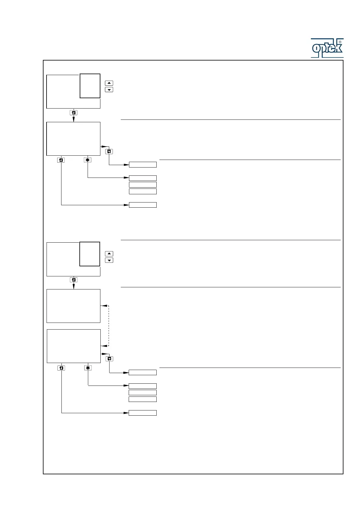
View Logbook
Use the UP and DOWN keys to access the Power logbook.
Note. If no entries are stored in the Power logbook, the display shows No More Entries.
Power
The Power logbook contains up to 2 entries (entry 1 is the most recent), each comprising
the power state (On or Off) and the date/time of the occurrence.
Option board fitted and analog features enabled (Section 6.1.3.) – see
Section 3.1.6.
See Note on Page 21.
Advance to entry 2.
Note. If no more entries are stored, the display shows No More Entries.
View Logbook
Use the UP and DOWN keys to access the Cals logbook.
Note. If no entries are stored in the Cals logbook, the display shows No More Entries.
Calibration
The
Cals logbook contains up to 5 entries (entry 1 is the most recent), each comprising 2
frames. Frame 1 contains the entry number, sensor letter and the calibration pass/fail
indication.
Frame 2 contains the % slope value, the pH check value and the date/time of the
occurrence.
Option board fitted and analog features enabled (Section 6.1.3.) – see
Section 3.1.6.
See Note on Page 21.
Advance to entries 2 to 5.
Note. If no more entries are stored, the display shows No More Entries.
VIEW CLOCK
-----
Calibration
-----
VIEW LOGBOOK
1
Sen.A
Passed
11:09:02 12:34
SENSOR CAL.
Security Code
CONFIG. DISPLAY
Sen.A
100.
%
pH
2
7.00
Power
Errors
Alarms
Cals
-----
11:09:02 12:34
VIEW CLOCK
SENSOR CAL.
Security Code
CONFIG. DISPLAY
-----
VIEW LOGBOOK
1
Off
2
Errors
Alarms
Cals
Power

Table of Contents

Related product manuals