EasyManua.ls Logo

Optek CONTROL 200 - Adjust Offset

Optek CONTROL 200
135 pages
Print Icon
To Next Page IconTo Next Page
To Next Page IconTo Next Page
To Previous Page IconTo Previous Page
To Previous Page IconTo Previous Page
Loading...
C200 SOFTWARE
Instruction Manual C200 Part2 A1.doc
optek Danulat GmbH D-45356 Essen Germany
page 35
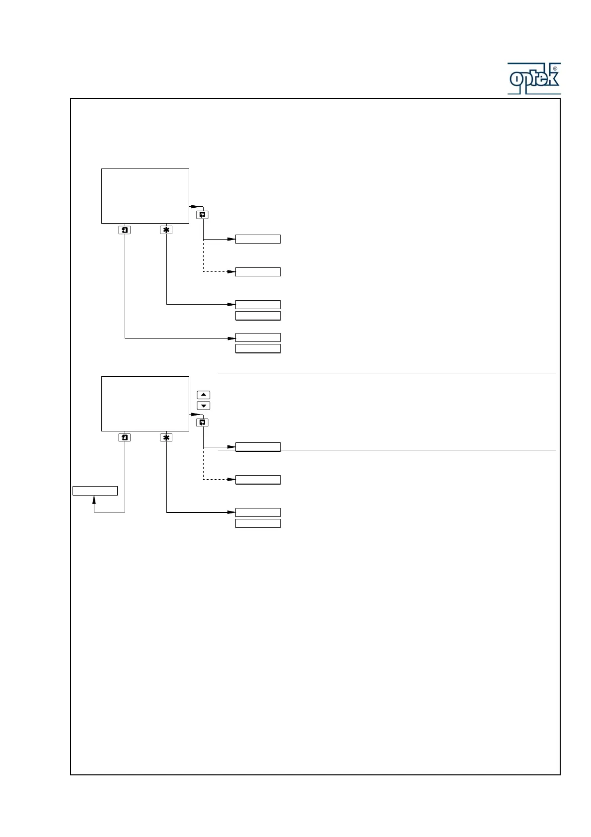
4.1.3 Adjust Offset (Redox/ORP Only)
Calibrate Sensor A
Sensor B (dual input analyzers only) calibration is identical to
Sensor A calibration.
Probe Type for Sensor B (dual input analyzers only) set to Redox or
ORP and Enable Cals. set to No (Section 5.1.3) – return to top of
page.
Alter Sec. Code not set to zero (Section 5.1.8) – see Section 5.1.1
Alter Sec. Code set to zero (Section 5.1.8) – see Section 5.1.2.
Probe Type set to Redox or ORP (Section 5.1.3) – continued below.
Probe Type set to pH (Section 5.1.3) – see Section 4.1.4.
Adjust Offset (ORP/Redox probes only)
mV and Adjust are shown alternately on the upper display line. Use the UP and
DOWN keys to adjust the upper display line to the required offset value for the
process.
Sensor B (dual input analyzers only) calibration is identical to
Sensor A calibration.
Probe Type for Sensor B (dual input analyzers only) set to Redox or
ORP and Enable Cals. set to No (Section 5.1.3) – return to top of
page.
Alter Sec. Code not set to zero (Section 5.1.8) – see Section 5.1.1
Alter Sec. Code set to zero (Section 5.1.8) – see Section 5.1.2.
Sensor Cal. A
-----
A: Adjust Offset
407
mV
0
mV
A: Adjust Offset
A: Buffer Method
SECURITY CODE
CONFIG. DISPLAY
Sensor Cal. A
SECURITY CODE
CONFIG. DISPLAY
SENSOR CAL.
Sensor Cal. B
SENSOR CAL.
Sensor Cal. B

Table of Contents

Related product manuals