EasyManua.ls Logo

Optek CONTROL 200 - View Hardware; View Outputs

Optek CONTROL 200
135 pages
Print Icon
To Next Page IconTo Next Page
To Next Page IconTo Next Page
To Previous Page IconTo Previous Page
To Previous Page IconTo Previous Page
Loading...
C200 SOFTWARE
Instruction Manual C200 Part2 A1.doc
optek Danulat GmbH D-45356 Essen Germany
page 22
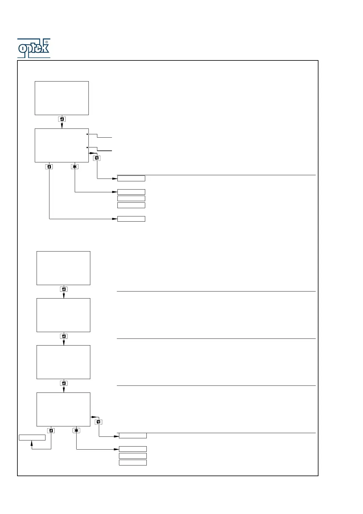
3.1.2 View Outputs
Theoretical Analog Output
There are up to four analog outputs, each showing information for one sensor.
Note. Analog outputs 3 and 4 available only if option board fitted and analog
features enabled – see Section 6.1.3.
Live current output value being retransmitted.
Current output shown as a percentage of full scale for the output range set in
CONFIG. OUPUTS – see Section 5.1.6.
See Section 3.1.3
See Note on Page 21.
Advance to analog output 2 (and outputs 3 and 4 if option board
fitted and analog features enabled – see Section 6.1.3).
3.1.3 View Hardware
Sensor A Module
Shows the type of input board fitted to the analyzer for the Sensor A input.
Sensor B Module – Dual input analyzers only
Shows the type of input board fitted to the analyzer for the Sensor B input.
Option Board
Note. Displayed only if the option board is fitted.
Displays the optional features enabled in the Factory Settings page – see
Section 6.1.3.
See Section 3.1.4.
See Note on Page 21.
50.0
%
Analog Output 1
12.00
mA
VIEW OUTPUTS
-----
VIEW HARDWARE
SENSOR CAL.
Security Code
CONFIG. DISPLAY
Analog Output 2
pH
pH
-----
Sensor A Module
VIEW HARDWARE
-----
Option Board
-----
Sensor B Module
-----
Pb Dp
Analog
VIEW SOFTWARE
SENSOR CAL.
Security Code
CONFIG. DISPLAY
VIEW HARDWARE

Table of Contents

Related product manuals