EasyManua.ls Logo

Optek CONTROL 200 - Test Outputs and Maintenance

Optek CONTROL 200
135 pages
Print Icon
To Next Page IconTo Next Page
To Next Page IconTo Next Page
To Previous Page IconTo Previous Page
To Previous Page IconTo Previous Page
Loading...
C200 SOFTWARE
Instruction Manual C200 Part2 A1.doc
optek Danulat GmbH D-45356 Essen Germany
page 57
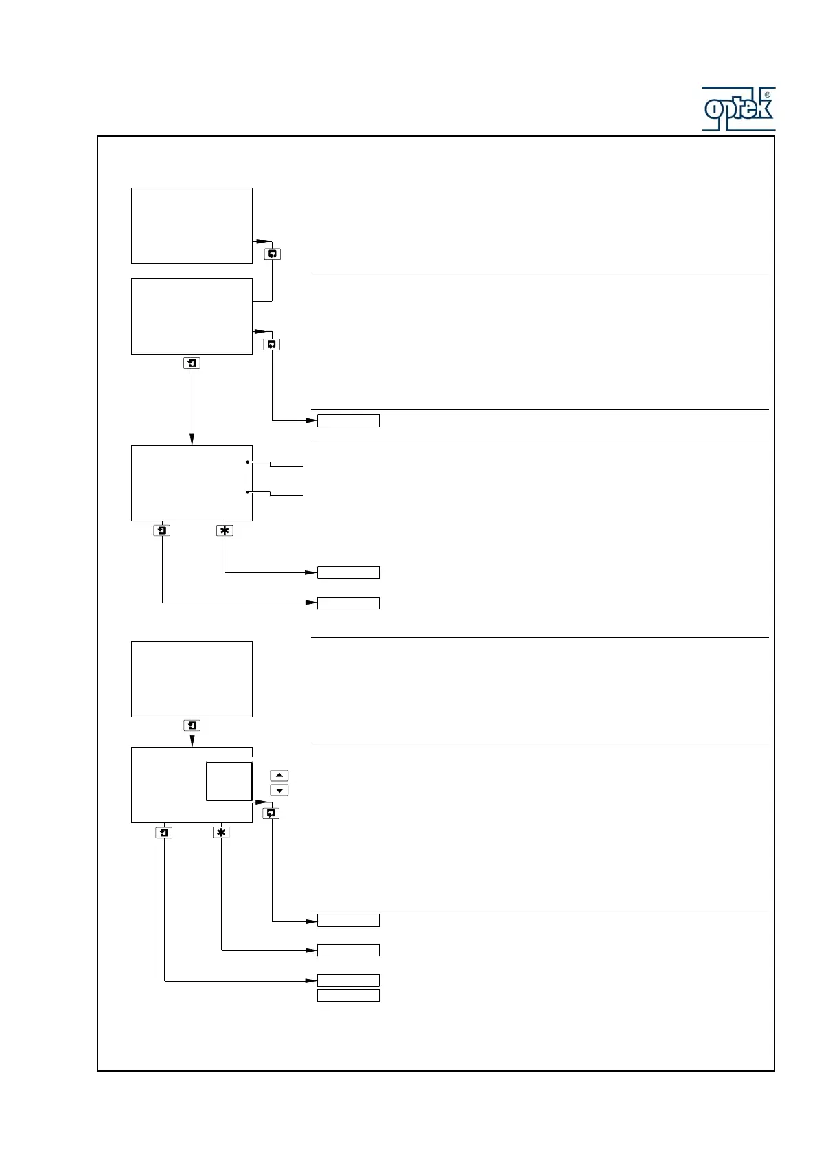
5.1.10 Test Outputs and Maintenance
Test Outputs
Displays the output test details for the analog outputs.
Note. Outputs 3 and 4 are available only if the option board is fitted and analog
features enabled – see Section 6.1.3.
Test Output 1 frame only is shown; the format of frames for the remaining outputs
is identical.
See below.
Test Output 1
The theoretical output current value.
Output current as a percentage of the full range current.
Use the and keys to adjust the displayed theoretical output current value to give
the output required.
See Section 6.1.3.
Test remaining outputs.
Maintenance
Hold Outputs
Enables the relay action and analog outputs to be maintained.
Auto. – Changes in relay action and analog outputs are inhibited during sensor
calibration.
On – Changes in relay action and analog outputs are inhibited.
Off – Changes in relay action and analog outputs are not inhibited.
Note. The LEDs flash while the analyzer is in 'Hold' mode.
Continued on next page.
See Section 6.1.3.
Hold Outputs set to Off or On – return to main menu.
Hold Outputs set to Auto. – continued on next page
.
Tes t O u tp uts
-----
TEST/MAINTENANC
-----
Test Output 1
4.00
mA
20.0
%
Maintenance
-----
Hold Outputs
-----
Auto.
On
Off
FACTORY SETTINGS
Test Output 2
FACTORY SETTINGS
Load/Save Config
Maintenance
Maintenance
Automatic Time

Table of Contents

Related product manuals