EasyManua.ls Logo

Optek CONTROL 200 - Page 69

Optek CONTROL 200
135 pages
Print Icon
To Next Page IconTo Next Page
To Next Page IconTo Next Page
To Previous Page IconTo Previous Page
To Previous Page IconTo Previous Page
Loading...
C200 SOFTWARE
Instruction Manual C200 Part2 A1.doc
optek Danulat GmbH D-45356 Essen Germany
page 47
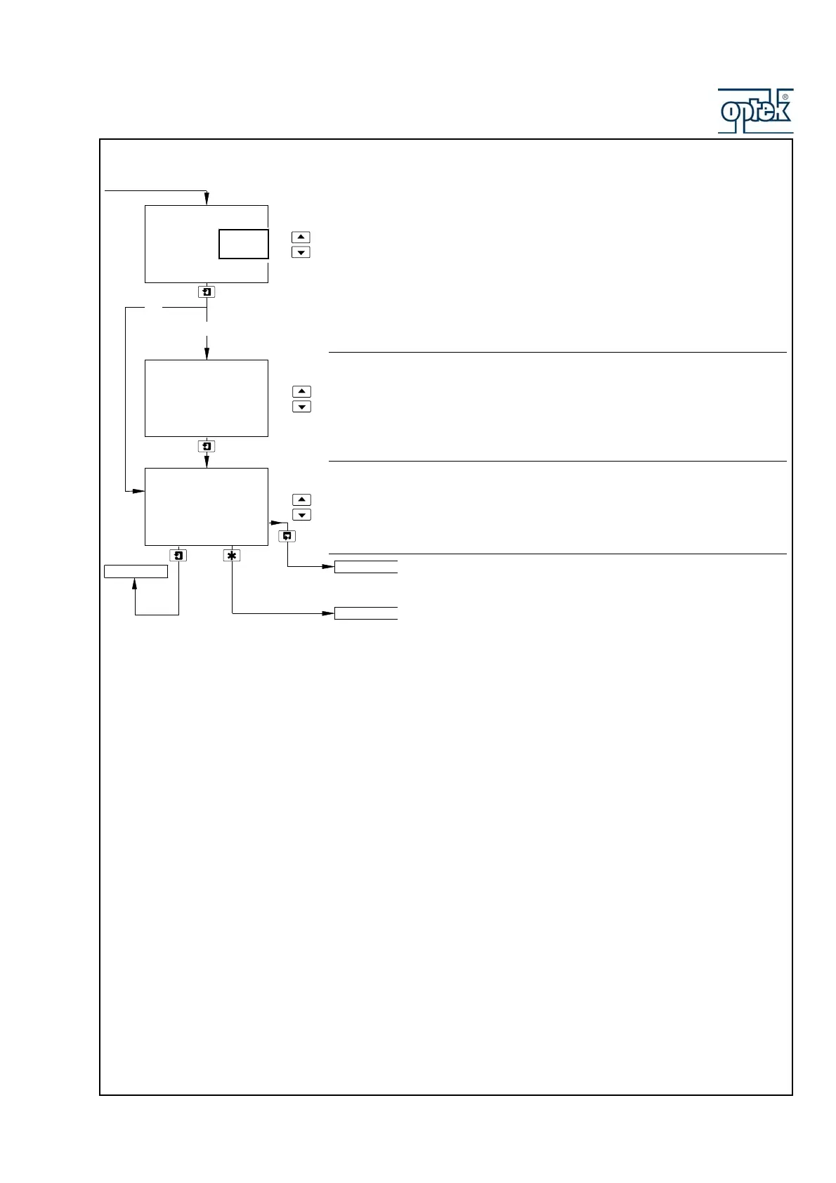
Sample Compensation
Select Yes to enable boiling water compensation.
Sample Coefficient
If Sample Comp. is set to Yes, enter the temperature coefficient of the sample, in
pH/°C, within the range 0.020 to –0.050 (in –0.001 increments). For boiling water
applications, enter –0.035.
pH Calibration Minimum Slope Value
Set the required pH calibration minimum slope value, in %, within the range 60.0
to 90.0 (in 0.1 increments). The calibration fail limit is set automatically to 20%
below the minimum slope setting – see Table 4.1.
Sensor B (dual input analyzers only) configuration is identical to
Sensor A configuration.
See Section 5.1.4.
Config. Sensor B
CONFIG. DIAGS
A: Sample Comp.
-----
Yes
No
A: Sample Coeff.
pH/°C
-0.035
A: Set Min Slope
%
60.0
Config. Sensor A
Yes
No

Table of Contents

Related product manuals