EasyManua.ls Logo

Optek CONTROL 200 - Page 72

Optek CONTROL 200
135 pages
Print Icon
To Next Page IconTo Next Page
To Next Page IconTo Next Page
To Previous Page IconTo Previous Page
To Previous Page IconTo Previous Page
Loading...
C200 SOFTWARE
Instruction Manual C200 Part2 A1.doc
optek Danulat GmbH D-45356 Essen Germany
page 50
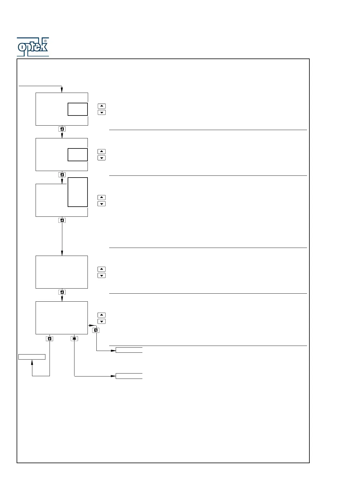
Alarm 1 Failsafe
Select Yes to enable failsafe action, otherwise select No.
Alarm 1 Action
Select the alarm action required, High or Low.
Alarm 1 Set Point
The Alarm 1 Set Point can be set within the following ranges:
pH –2.00 to 16.00 pH
mV –1200 to 1200 mV
Deg.C –10.0 to 150.0
Deg.F –14.0 to 302.0
A-B 0.00 to 14.00pH
Set to the value required.
Alarm 1 Hysteresis
A differential set point can be defined between 0 and 5% of the alarm set point
value. Set the required hysteresis in 0.1% increments.
Alarm 1 Delay
If an alarm condition occurs, the activation of the relays and LEDs can be delayed
for a specified time period. If the alarm clears within the period, the alarm is not
activated.
Set the required delay, in the range 0 to 60 seconds in 1 second increments.
Alarms 2 and 3 configuration (and Alarms 4 and 5 if option board
fitted and analog features enabled – see Section 6.1.3) is identical to
Alarm 1 configuration.
See Section 5.1.6.
A1: Action
High
Low
A1: Setpoint
A1: Hysteresis
0.0
%
A1: Delay
0
Secs
-----
A1: Failsafe
Yes
No
-----
CONFIG. OUTPUTS
Config. Alarm 2
Config. Alarm 1
A-B
mV
Deg.C
Deg.F
pH
100.0

Table of Contents

Related product manuals