EasyManua.ls Logo

Optek CONTROL 200 - Page 76

Optek CONTROL 200
135 pages
Print Icon
To Next Page IconTo Next Page
To Next Page IconTo Next Page
To Previous Page IconTo Previous Page
To Previous Page IconTo Previous Page
Loading...
C200 SOFTWARE
Instruction Manual C200 Part2 A1.doc
optek Danulat GmbH D-45356 Essen Germany
page 54
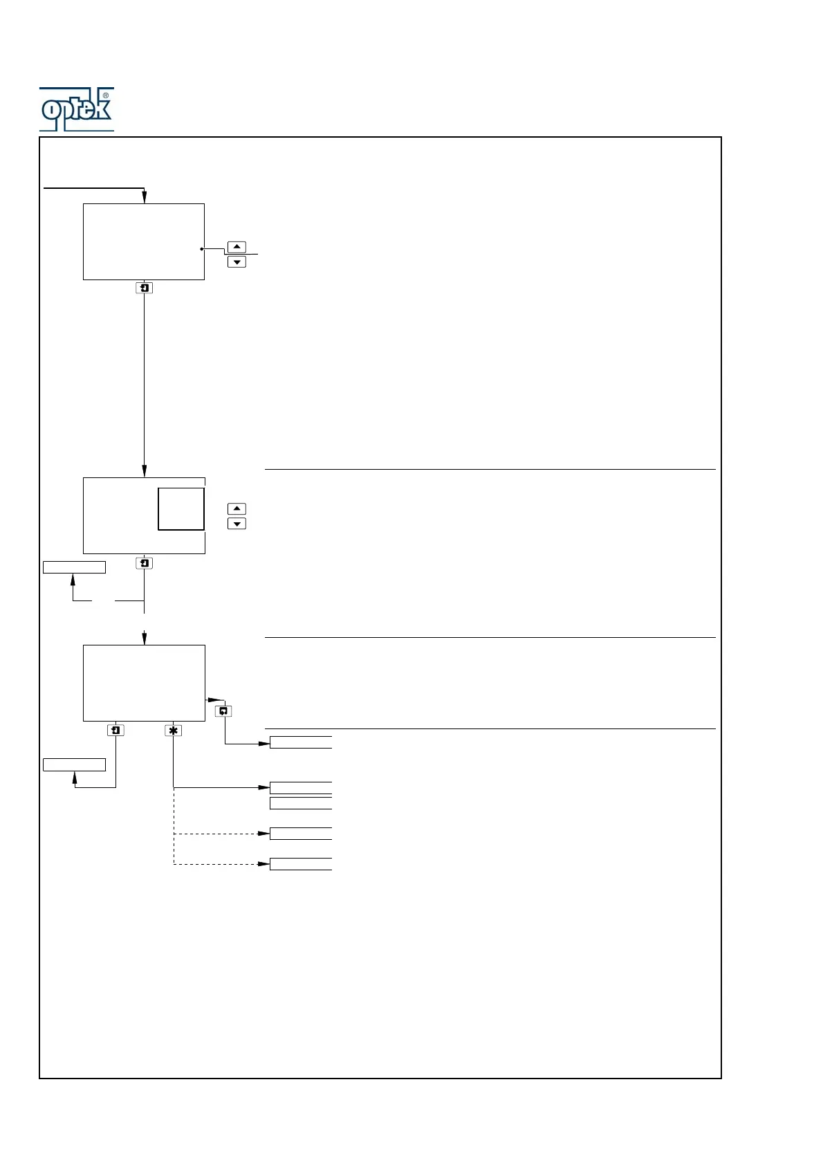
Zero Value
pH (or mV or Deg.C or Deg.F or A-B) and Adjust are shown alternately on the
center display line. Use the and keys to adjust the displayed reading to the
required zero value:
Note. The zero value setting plus the minimum differential determines the
minimum and maximum values for the span setting, e.g. to set a span value
of –1100mV, first set the zero value to –1200mV.
pH –2.00 to 14.00 pH (minimum differential, 2.00pH)
ORP/Redox –1200 to 1100 mV (minimum differential, 100mV)
Temperature Deg. C –10.0 to 140.0 (minimum differential, 10°C)
Deg. F 14.0 to 284.0 (minimum differential, 18°F)
A-B –2.00 to 12.00 pH (minimum differential, 2.00pH)
Note. A-B is applicable only to dual input analyzers.
Default Output
Select the system reaction to failure:
Hold Hold the analog output at the value prior to the failure.
On Stop on failure. This drives the analog output to the level set in the
Default Val frame below.
Off Ignore failure and continue operation.
Default Value
The level to which the analog output is driven if a failure occurs.
Set the value between 0.00 and 22.00mA
Output 2 configuration (and Outputs 3 and 4 if option board fitted
and analog features enabled – see Section 6.1.3) is identical to
Output 1 configuration.
Option board fitted and analog features enabled (Section 6.1.3) –
see Section 5.1.7.
Option board fitted and Serial Communications feature enabled
(Section 7.3) – see Supplementary Manual PROFIBUS Datalink
Description (IM/PROBUS).
Single input analyzer and option board not fitted – see PID Control
Supplement (IM/AX4PID).
Dual input analyzer and option board not fitted – see Section 5.8.
AO1: Zero Value
7.00
pH
0.0
pH
AO1: Default
-----
mA
Hold
On
Off
AO1: Default Val
12.00
mA
Config. Output 2
Config. Output 1
Config. Output 1
On
Off
or
Hold
CONFIG. SERIAL
CONFIG. CLOCK
CONFIG. SECURITY
CONFIG. CONTROL

Table of Contents

Related product manuals