EasyManua.ls Logo

Optek CONTROL 200 - Page 84

Optek CONTROL 200
135 pages
Print Icon
To Next Page IconTo Next Page
To Next Page IconTo Next Page
To Previous Page IconTo Previous Page
To Previous Page IconTo Previous Page
Loading...
C200 SOFTWARE
Instruction Manual C200 Part2 A1.doc
optek Danulat GmbH D-45356 Essen Germany
page 62
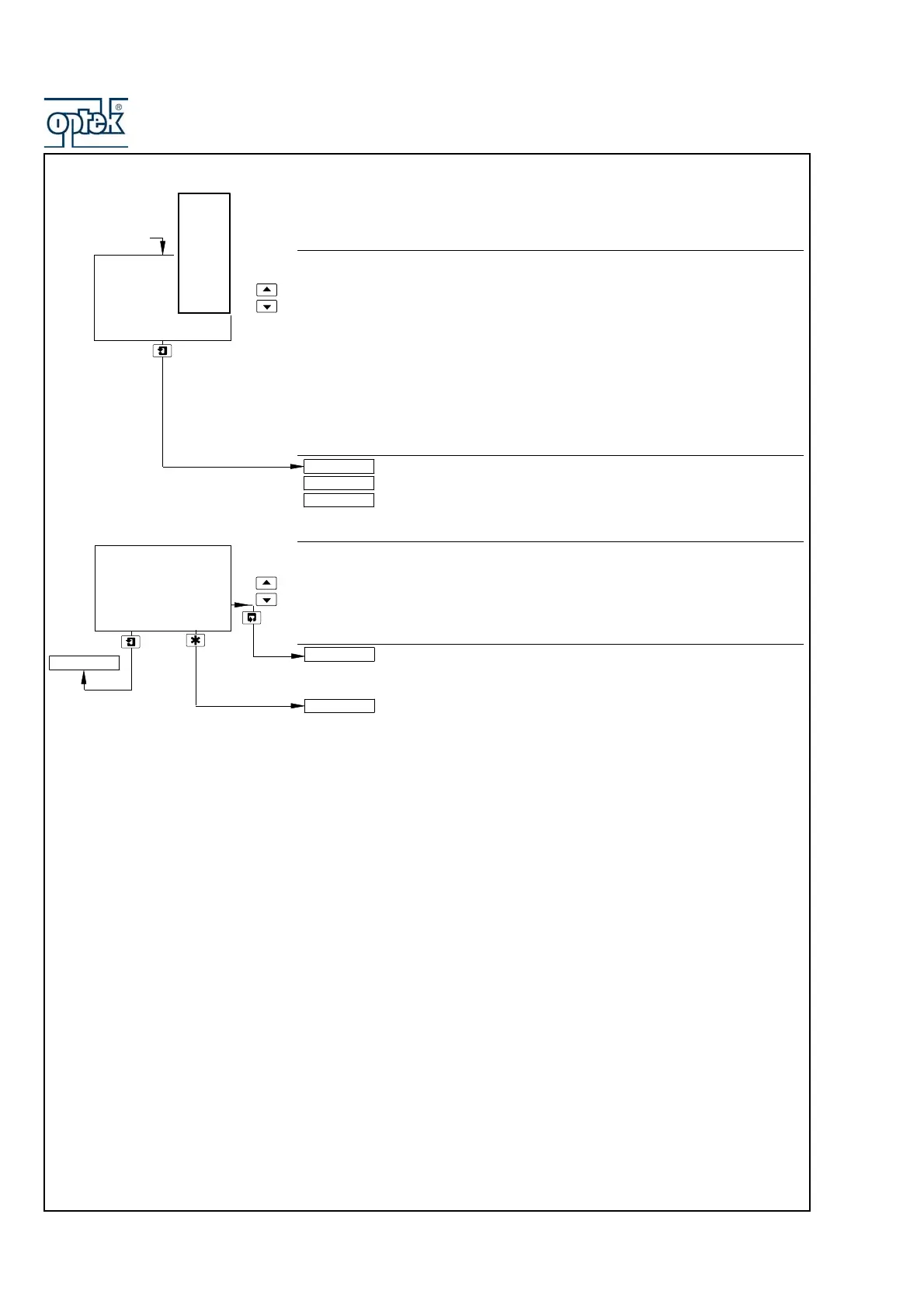
Temperature Compensation
Select the type of temperature compensation most suited to the application:
None
Linear
KCl
NaOH
NaCl
HCl
H2SO4
User
A: Temp.Comp. set to anything other than Linear or User –
continued below.
A: Temp.Comp. set to Linear – continued on next page.
A: Temp.Comp. set to User – continued on next page.
Filter Time
Set the required filter time, between 1 and 60 seconds in 1 second increments.
Sensor B configuration (dual input analyzers only) is identical to
Sensor A configuration.
See Section 5.2.4
A: Temp.Comp.
-----
User
H2SO4
HCl
NaCl
NaOH
KCl
Linear
None
A: Filter Time
A: Analyser Type
set to
Cond
Temp. Coeff.
User Temp Comp
A: Filter Time
10
Secs
Config. Sensor A
CONFIG. ALARMS
Config. Sensor B

Table of Contents

Related product manuals