EasyManua.ls Logo

Panasonic AJ-SD93P/E - Cleaning Arm Unit Replacement; T1 Guide Position Adjustment

Panasonic AJ-SD93P/E
180 pages
Print Icon
To Next Page IconTo Next Page
To Next Page IconTo Next Page
To Previous Page IconTo Previous Page
To Previous Page IconTo Previous Page
Loading...
MECH-41
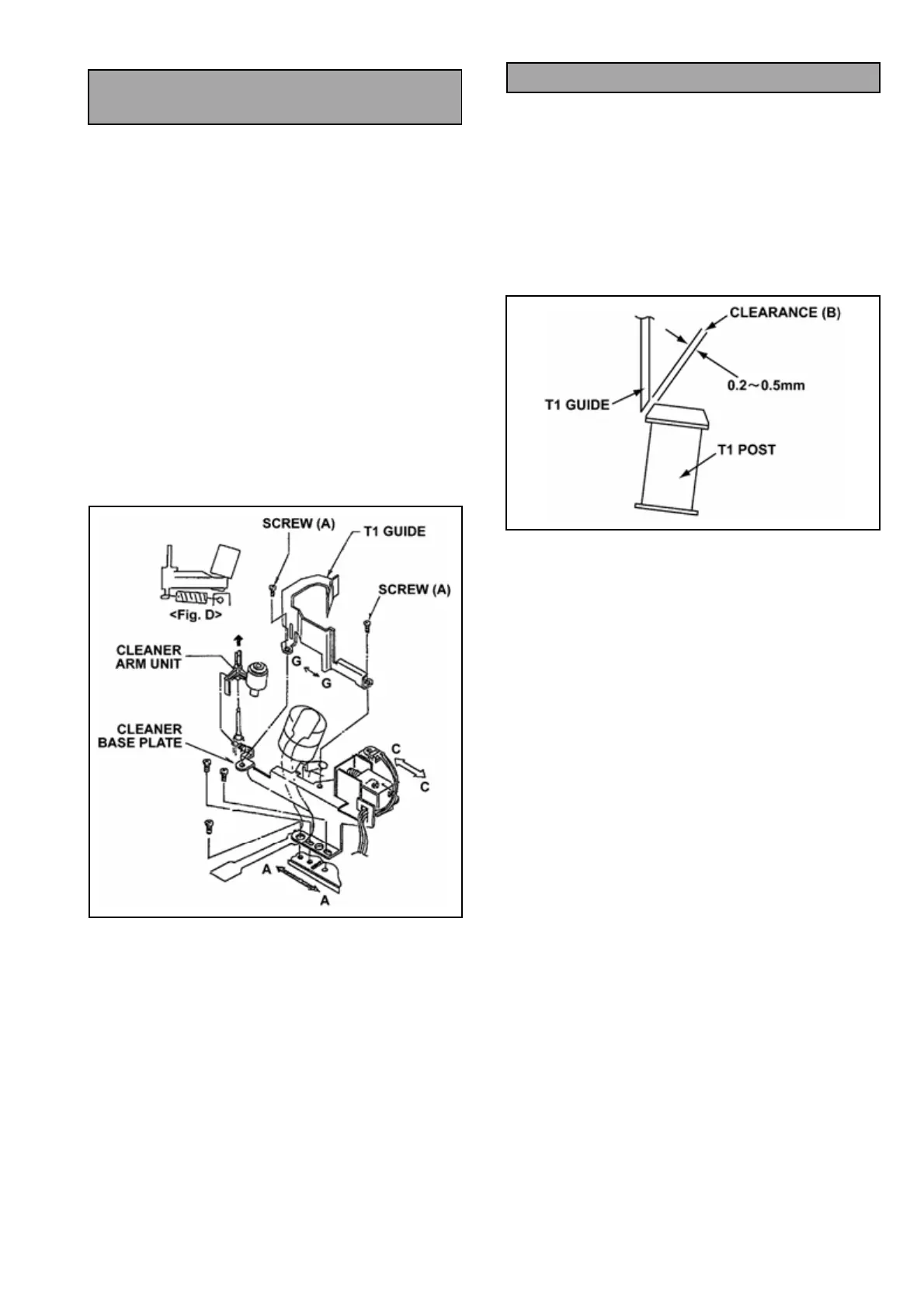
5-2. Cleaning Arm Unit
Replacement
(Removal)
1. Unscrew the 2 screws (A) and remove the T1
Guide as shown in Figure 5-2-1.
2. Widen the tip of the cleaner arm, lift up the
cleaning arm unit and remove the spring and
washer.
(Installation)
1. Install the spring and washer.
2. Insert Cleaning Arm Unit temporary to T2 Arm Unit.
Install the spring between Cleaner Base Plate and
Cleaning Arm Unit, and insert Cleaner Arm Unit to
T2 Arm Unit perfectly.
3. Confirm that the Cleaner Roller rotate when rotate
the cylinder by hand while pressing the core of the
Cleaner Solenoid.
4. Install the T1 Guide.
5. After installing the T1 Guide, please perform the
item “5-3. T1 Guide Position Adjustment”.
Figure 5-2-1
5-3. T1 Guide Position Adjustment
1. Place the unit to loading condition without the
tape.
2. Observe the clearance (B) between T1 Guide and
T1 post as shown in Figure 5-3-1, and make sure
that it is within 0.2mm to 0.5mm.
3. If not, loosen the 2 screws (A) and adjust the
position of the T1 Guide moves to direction of
arrow (G ←→ G) so that the clearance (B) is within
the specification. And tighten the 2 screws (A).
Figure 5-3-1
B

Table of Contents

Related product manuals