EasyManua.ls Logo

Panasonic AJ-SD93P/E - Pinch Solenoid Position Adjustment; Pinch Solenoid Replacement

Panasonic AJ-SD93P/E
180 pages
Print Icon
To Next Page IconTo Next Page
To Next Page IconTo Next Page
To Previous Page IconTo Previous Page
To Previous Page IconTo Previous Page
Loading...
MECH-46
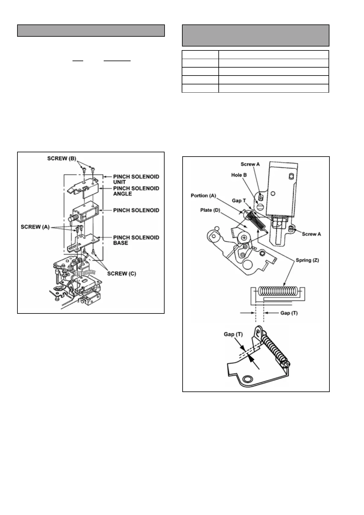
5-10. Pinch Solenoid Replacement
(Removal)
1. Disconnect the P20
on the MECH I/F.
2. Unscrew the 2 screws (A) and remove the Pinch
Solenoid Unit as shown in Figure 5-10-1.
3. Unscrew the 2 screws (B) and remove the Pinch
Solenoid Angle as shown in Figure 5-10-1.
4. Unscrew the 2 screws (C) and remove the Pinch
Solenoid from the Pinch Solenoid Base.
(Installation)
1. Install the new Pinch Solenoid following the
removal steps in reverse order.
2. After installation, perform the Pinch Solenoid
Position Adjustment.
Figure 5-10-1
5-11. Pinch Solenoid Position
Adjustment
SPEC.
T = 0.3 mm
TEST
Gap T
ADJUST
Screw (A) and Hole (B)
MODE
EJECT (Power OFF)
TOOL
Eccentric Driver (VFK0357)
1. Confirm the power is turned off.
2. Push the pinch roller by hand to be close to
capstan.
3. Push the pinch solenoid by hand so that the
pinch roller contacts capstan.
4. Loosen the two screws (A) and adjust the hole
(B) by VFK0357 so that gap (T) is within the
specification.
Figure 5-11-1

Table of Contents

Related product manuals