EasyManua.ls Logo

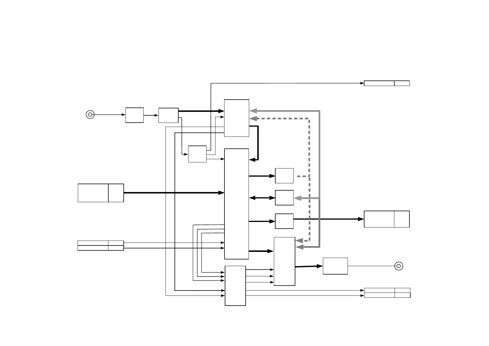
Panasonic AJ-SD93P/E - Sdi (F5) Block Diagram

Panasonic AJ-SD93P/E
180 pages
Print Icon
To Next Page IconTo Next Page
To Next Page IconTo Next Page
To Previous Page IconTo Previous Page
To Previous Page IconTo Previous Page
Loading...
SDI (F5) BLOCK DIAGRAM
BLK-9
IC100 IC101
IC150
IC151
IC255
IC202
D IN DATA12 12A
IC50
SDI CLK27 9B
D IN DATA 34 12B
IC203
DEC DATA
(0-9)
DEC YC
DATA (0-7)
SDI YC (0-9)
ENC ID
(0-9)
IC53
AV DATA
(0-7)
IC52
AV ADR
(0-3)
S2P D (0-9)
IC200
SIN PB AUD34
SIN PB AUD12
PB DOUDCK
S PB AUD12
S PB AUD34
SIN PB AUD34
SIN PB AUD12
SID OUT
SID IN
D OUT DATA12
D OUT DATA 34
FROM (F2)
AVMON BOARD
FROM (F2)
DPROC BOARD
TO (F3), (F4)
DPROC AND AVIO
BOARDS
TO (F3)
DPROC BOARD
J200
J100
P1
P1
P1
P1
P1
AV DATA (0-7)
AV ADR (0-3)
EQ &
CLOCK
GEN
SERIAL/
PARALLEL
CONV.
SDI
DECODER
SDI
PROCESS
FPG
CLOCK
BUFFER
BUFFER
PARALLEL/
SERIAL
CONV.
SDI
ENCODER
SDI YC (0-9)
21B/C
22A/B/C
23A/B/C
24A/B
REC YC (0-7)
15A/B/C
16A/B/C
17A/B
BUFFER
BUFFER
BUFFER
11B
11C
TO (F3)
DPROC BOARDS

Table of Contents

Related product manuals