EasyManua.ls Logo

Panasonic AJ-SD93P/E - Mecha if Block Diagram

Panasonic AJ-SD93P/E
180 pages
Print Icon
To Next Page IconTo Next Page
To Next Page IconTo Next Page
To Previous Page IconTo Previous Page
To Previous Page IconTo Previous Page
Loading...
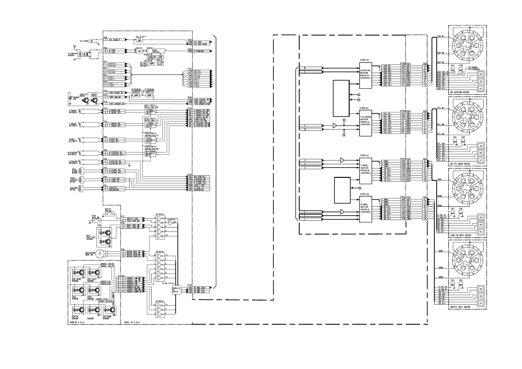
MECHA IF BLOCK DIAGRAM
BLK-4
SWITCHING
REGULATOR
SWITCHING
REGULATOR
12V
6V
16V
CYL ERR21A
CYL ON22A
CAP DIR20A
CAP ERR21C
TRL ERR19C
TRL ON18A
TRL DIR18B
SRL ERR20B
SRL ON20C
SRL DIR19A
IC502 (2)
IC502 (2)
IC562 (3)
P565
P562
IC650, 1
Q650-3 (5)
IC600, 1
Q600, 1 (4)
TO / FROM (F1)
SERVO BOARD
VIA MECHA IF 2
& MOTHER
BOARDS
BOARD BOARD
MECHA I/F 3 BOARD
P750
P750
P750
P750
FROM (F1)
SERVO BOARD
VIA MOTHER
BOARDS
MECHA I/F,
MECHA I/F 2
& MOTHER
BOARDS

Table of Contents

Related product manuals