EasyManua.ls Logo

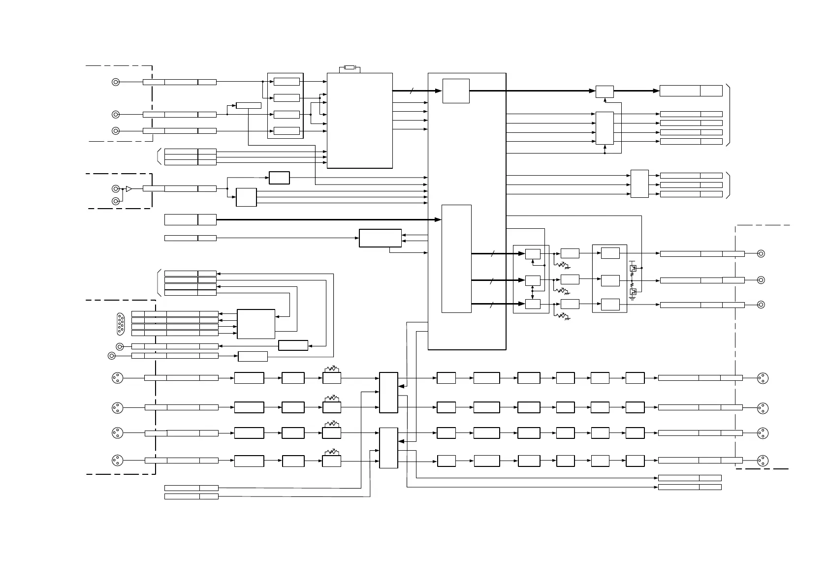
Panasonic AJ-SD93P/E - Avio (F4) Block Diagram

Panasonic AJ-SD93P/E
180 pages
Print Icon
To Next Page IconTo Next Page
To Next Page IconTo Next Page
To Previous Page IconTo Previous Page
To Previous Page IconTo Previous Page
Loading...
AVIO (F4) BLOCK DIAGRAM
BLK-8
WIDE DET
IC3101
AIN11(Composite)
AIN10(Y/C-Y)
AIN12(Y/C-C)
AIN6(Y)
AIN5(Pb)
AIN4(Pr)
27MHz
XTAL XTAL1
DEC_YC[0-9]
P10-P19
HS/CS
FIELD/DE
SDA1/SDA2
SCLK1/SCLK2
RESET
LLC1
SFL/SYNC_OUT
DEC_CLK27M
DEC_HD
DEC_FRM
SFL
+5V
IC3204
DAC
DAC
DAC
ENC_Y[0-9]
ENC_PB[0-9]
ENC_PR[0-9]
ENC_CLK27M
SYNC
SEP
BURST
SEP
27MHz PLL
REF_BURST
REF_H
Q3300, 3302, IC3301, 3312
Q3301, 3313,
IC3302, 3307, 3311
REF_FRM
REF_BP
REF_CLK27M
ERR
WND
IC3500
BUFF
IC3501
LPF & AMP
LPF & AMP
LPF & AMP
LPF & AMP
LPF &
AMP
LPF &
AMP
LPF &
AMP
REF IN 26A
SC ADJ DC 45B
VIDEO 1 OUT 40A
VIDEO 2 OUT 42A
VIDEO 3 OUT 44A
SYS RST L 62A
12C AVIO DAT 61B
12C AVIO CLK 61A
VIDEO 3 IN 32A
VIDEO 2 IN 30A
VIDEO 1 IN 28A
REC YC
(0-7)
47A/B-
50A/B
INCOME CF 53B
INCOME FRM 54A
INCOME HD 54B
INCOM CLK27 52B
IC3400
IC3107
X3100
P3001
P3001
P3001
P3001
P3001
P3001
P3001
P3001
P3001
P3001
P3001
AVIO YC DATA
(0-9)
68A/B-
72A/B
REF IN CF 67A
REF IN FRM 66B
REF IN CLK27 65B
BUFF
AMP
AMP
AMP
VR3202
VR3201
VR3200
Q3202, 4, 9, 10
Q3201, 7, 8
Q3200, 5, 6
QR3200
QR3201
IC3301, 3, 5, X3300, 1
CH1 IN H/C 6A/7A
P3001
CH2 IN H/C 8B/9B
CH3 IN H/C
11A/12A
CH4 IN H/C
13B/14B
IMPEDANCE
SELECT
LEVL
SELECT
IMPEDANCE
SELECT
IMPEDANCE
SELECT
IMPEDANCE
SELECT
LEVL
SELECT
LEVL
SELECT
LEVL
SELECT
AMP
AMP
AMP
AMP
A/D
D/A
REF
LEVEL
REF
LEVEL
REF
LEVEL
REF
LEVEL
DE-
EMPHASIS
DE-
EMPHASIS
DE-
EMPHASIS
DE-
EMPHASIS
LEVL
SELECT
LEVL
SELECT
LEVL
SELECT
LEVL
SELECT
MUTE
MUTE
MUTE
MUTE
AMP
AMP
AMP
AMP
MUTE
MUTE
MUTE
MUTE
CH1 OUT H/C 16A/17A
P3001
CH2 OUT H/C 18B/19B
CH3 OUT H/C 21A22A
CH4 OUT H/C 23B/24B
IC4001, 3, 5
IC4002, 4, 6
IC4100, 2, 4
IC4101, 3, 5
IC4007, 9
IC4008, 10
IC4106, 8
IC4107, 9
IC4201, VR4200
IC4202, VR4201
IC4203, VR4202
IC4204, VR4203
IC4206
IC4205 IC4207, 11
IC4208, 12
IC4209, 13
IC4210, 14
IC4500, QR4500, Q4500
IC4501, QR4501, Q4501
IC4600, QR4600, Q4600
IC4601, QR4601, Q4601
IC4502
IC4503
IC4602
IC4603
Q4502
Q4503
Q4602
Q4632
IC4504, 6
IC4505, 7
IC4604, 6
IC4605, 7
Q4504, 6
Q4505, 7
Q4604, 6
Q4605, 7
P3001
P3001
P3001
DECODER
ENCODER
P5
P5
P5
P5
P5
P5
P5
P5
P5
P5
P5
P3001 P5
P5
P5
P5
P5
P5
P5
P5
P5
P3001
P3001
P3001
3
4
2
13
12/13
16/17
24/25
15/16
P2 P13
P1 P14
P1 P14
P1 P14
P1 P14
P1 P14
P1 P14
P2 P13
8/9
20/21
28/29
19/20
P13 P2
P14 P1
P14 P1
P14 P1
2
4
3
P13 P2
P13 P2
P13 P2
CH1 OUT
CH2 OUT
CH3 OUT
CH4 OUT
VIDEO 1 OUT
VIDEO 2 OUT
VIDEO 3 OUT
CH1 IN
CH2 IN
CH3 IN
CH4 IN
VIDEO 1 IN
VIDEO 2 IN
VIDEO 3 IN
AIN L
BUFF
IC3503
P3001 P5
FROM (F3)
DPROC BOARD
FRON (F2)
AVMON BOARD
FRON (F1)
SERVO BOARD
TO (F3)
DPROC BOARD
TO (F2)
AVMON BOARD
OPTJACK BOARD
OPTJACK BOARD
OPTJACK BOARD
OPTJACK BOARD
A/D
D/A
DASD12
56B
DASD34
57A
ADSD12 57B
ADSD34 58A
P3001P5
P3001 P5
FROM (F3)
DPROC BOARD
TO (F3)
DPROC BOARD
9P TX A 38B
26
9P TX B 38A27
9P RX A 37B
28
9P RX B 37A29
P3001
P5P2 P13
2
7
8
3
TRANSMITTER/
RECEIVER
9P TX 38A
9P RX 37B
P3001
P5
FROM / TO (F3)
DPROC BOARD
TC OUT 37B
28
TC IN 37A29
23
24
BUFFER
AMP
BUFFER
AMP
IC3600, 1, 6
IC3600, 1, 3
TC OUT BUF 59A
TC IN BUF 58B
TC OUT
TC IN
9 PIN
REMOTE
WIDE_L
REF IN
REF OUT

Table of Contents

Related product manuals