EasyManua.ls Logo

Panasonic CZ-CFUNC2 - Communication Adaptor Board Software Rewriting Method; Communication Adaptor Microcomputer Rewrite Procedure

Panasonic CZ-CFUNC2
179 pages
To Next Page IconTo Next Page
To Next Page IconTo Next Page
To Previous Page IconTo Previous Page
To Previous Page IconTo Previous Page
Loading...
34
Communication adaptor microcomputer rewrite procedure
Various procedures
Communication adaptor microcomputer rewrite procedure
1. Things to prepare
1
Communication adaptor [CZ-CFUNC2]
2
Flash Writer 3 (software written) Factory procurement
3
12 V power supply Factory procurement
4
Dedicated wiring Factory procurement
2. Communication adaptor board software rewriting method
1
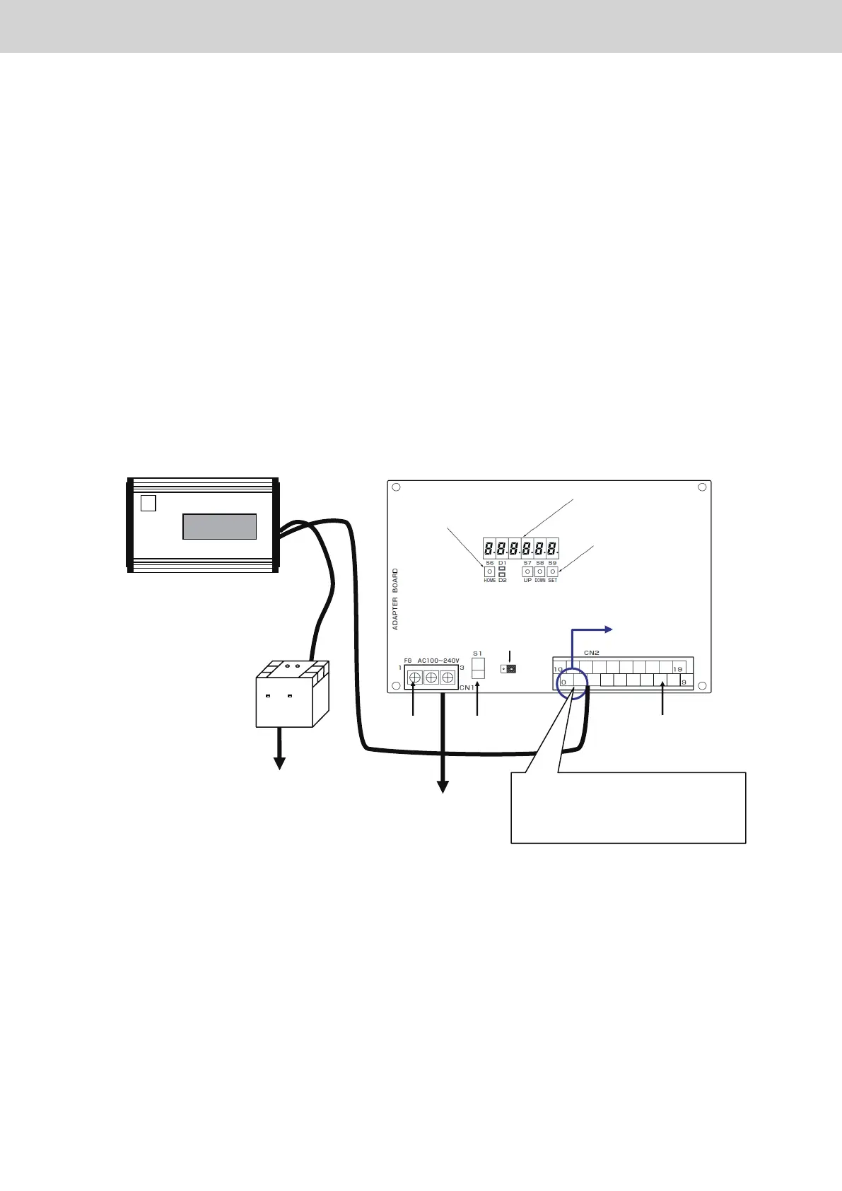
Wire as shown below and turn on the power.
CN32
BA
Flash Writer
2 Line
Polarity: none
12 V conversion
Power supply 100 V
Outlet
Power supply
100/200 V
Terminating
resistance
plug
for communication adaptor
control wire
Power supply
terminal strip
Power switch Signal terminal strip
UP / DOWN /
SET key
Connect to
0 and 1 (spare 0 and 2) of terminal
block 20P
(Remove other wiring.)
LINK1 (U1, U2)
Terminals (0, 1)
7-segment numerical
display LED
HOME key
Communication Adaptor
2
Press the button of Flash Writer 3. Software rewrite starts.
The rewrite time is 3 minutes 50 seconds. Progress is indicated as a percentage (%).
3
If [Completed!] is displayed on the Flash Writer 3 screen, rewriting is completed.
Turn off the power supply.
TGR-318_ENG.indb 34 2017/04/06 10:42:45

Table of Contents

Other manuals for Panasonic CZ-CFUNC2

Related product manuals