EasyManua.ls Logo

Pitney Bowes DA80F - Block Diagrams

Pitney Bowes DA80F
199 pages
Print Icon
To Next Page IconTo Next Page
To Next Page IconTo Next Page
To Previous Page IconTo Previous Page
To Previous Page IconTo Previous Page
Loading...
4-2 DA80F/DA95F AddressRight™ Printers Service Manual (SV61962 Rev. A)
4 • Troubleshooting/Diagnostics
4.2 Block
Diagrams
Control Panel &
Display Board
WS82002
Universal
Power Supply
WS80001
M
Transport Motor
AC Fan
Power Input
Emitter
Receiver
Shaft
Encoder
M
Emitter
Receiver
Exit Sensor
Paper Sensor
Emitter
Receiver
Feeder
Encoder
External Feeder
PB Stacker
Feeder Sensor
Feeder Motor
Hi Speed Feeder
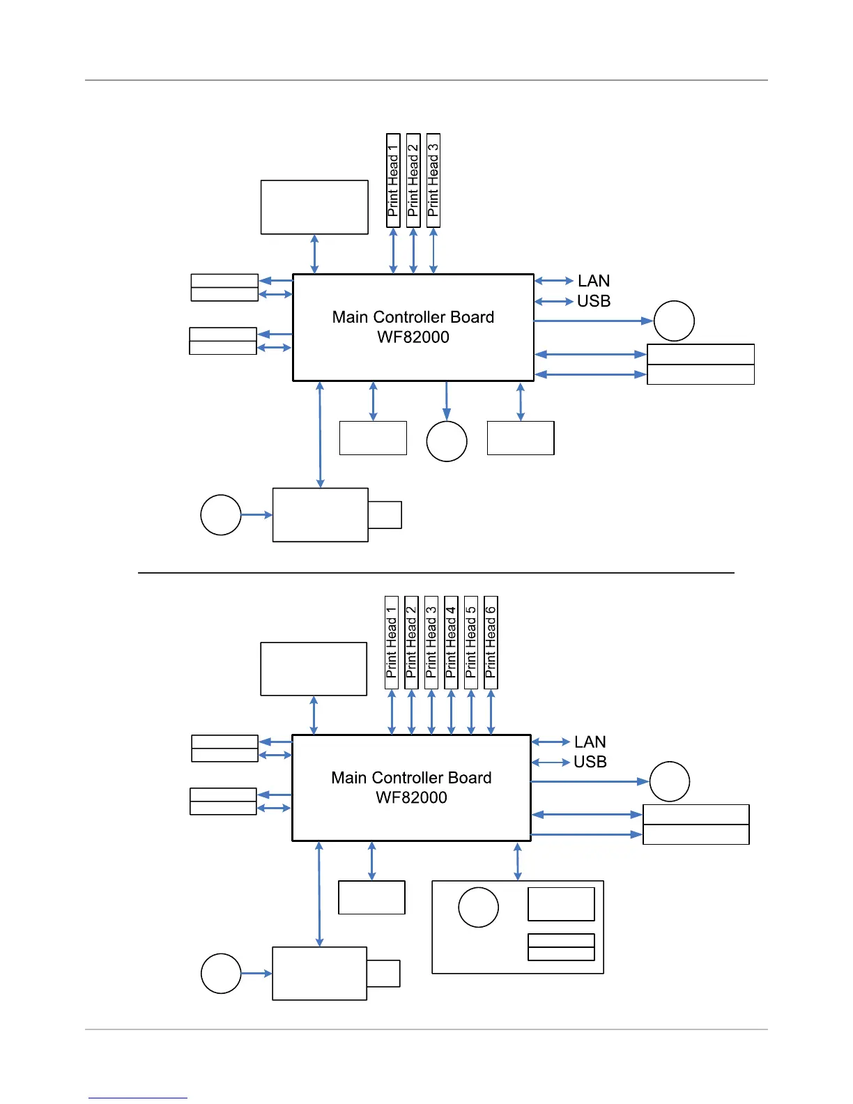
Figure 4-2 DA95F (WF96)
Printer Block Diagram
Figure 4-1 DA80F (WF81)
Printer Block Diagram
Control Panel &
Display Board
WS82002
Universal
Power Supply
WS80001
M
Transport Motor
AC Fan
Power Input
Emitter
Receiver
Shaft
Encoder
M
Emitter
Receiver
Feeder Sensor
Paper Sensor
Feeder
Encoder
PB Stacker
Feeder Motor
Bryce Stacker

Table of Contents

Other manuals for Pitney Bowes DA80F

Related product manuals