EasyManua.ls Logo

Rational SCC Series

Rational SCC Series
200 pages
To Next Page IconTo Next Page
To Next Page IconTo Next Page
To Previous Page IconTo Previous Page
To Previous Page IconTo Previous Page
Loading...
Edition 10-2008a
185
76-00051
0
Version
MODUL 2 Heißluftheizung/Dampfheizung
Hot air heating/Steam heating
201/202 G
Erstellt von
Created by
Datum
Date
Blatt
Page
PA
2
30.04.2004
1.09 / K1:14
1.09 / K1:A2
1.09 / PE
1.09 / K1:A1
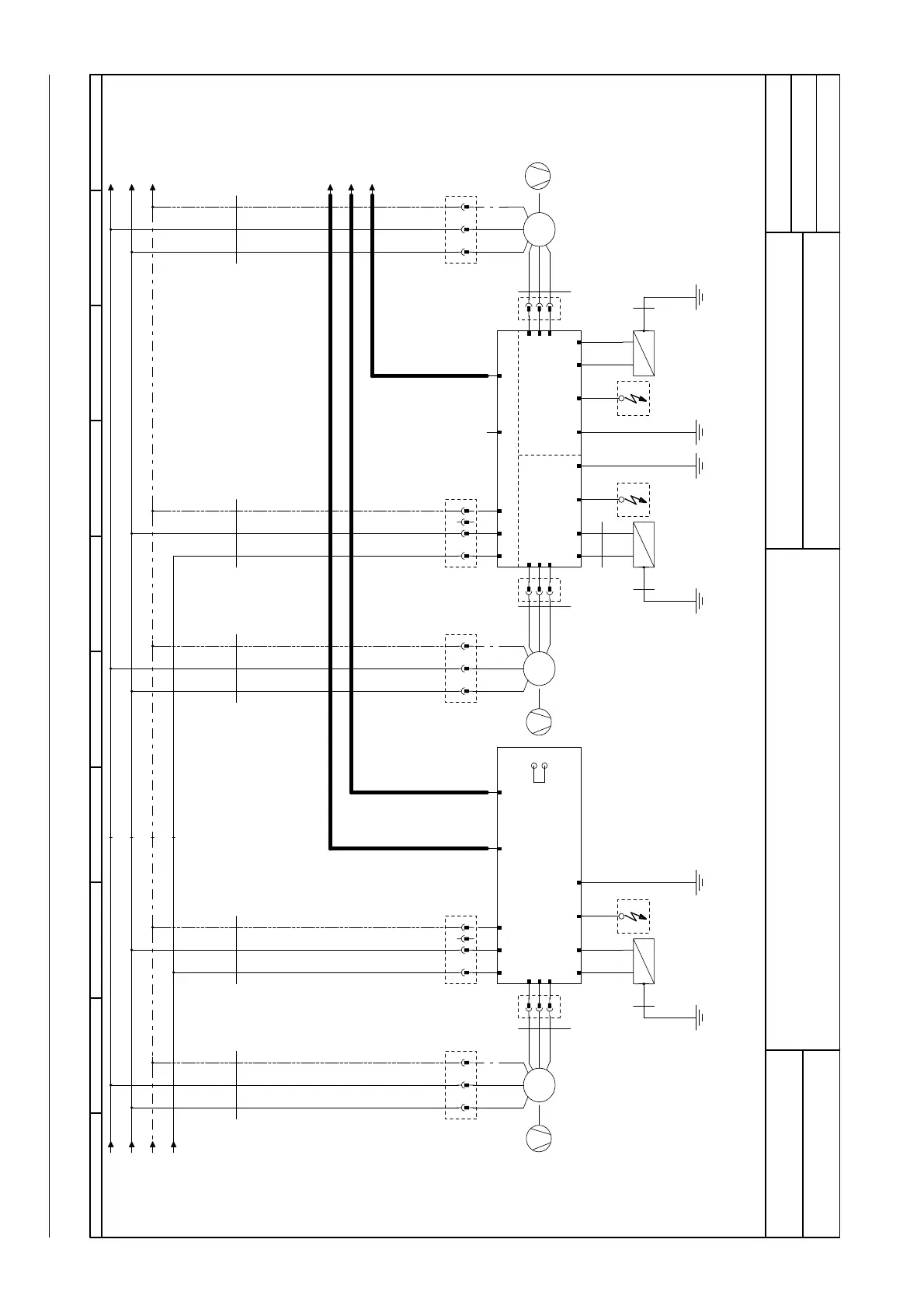
Gasgebläse (HL2)
Gasblower
M10
1
M
~
N
L1
PE
GND
U/min
PWM
W17
X62
11 22 33
W12
X53
33
44
22
W18
A6
Feuerungsautomat (HL2) unten
Ignitionbox down
BUSBUSPEN
L1
6
5
4
W17
Gasventil
Gas valve
Y13
X66
1
2 3
Elektrode Gasbrenner
Electrode gas burner
B13
4
HL 2
RJ 45
BN
BU
YE/GN
RD
RJ 45
Aderssierung
Gasgebläse (HL1)
Gasblower
M8
1
M
~
N
L1
PE
GND
U/min
PWM
W17
X60
11 22 33
W15
X51
33
44
22
W18
A5
Feuerungsautomat (HL1 und D)
Ignitionbox
BUSBUSPEN
L1
1
2
43
5
6
W17
W14
Gasventil
Gas valve
Y12
X65
1 2 3
Elektrode Gasbrenner
Electrode gas burner
B12
4
HL 1
Elektrode Gasbrenner
Electrode gas burner
B11
RJ 45
Gasventil
Gas valve
Y11
D
X52
33
44
22
W18
W15
Gasgebläse (D)
Gasblower
M9
1
M
~
PWM
U/min
GND
N
L1
PE
W17
X61
11 22 33
T4:~ / 5.00
T4:N / 5.00
PE / 5.00
A6 / I/O-PCB / 5.01
A6/M2 / 5.01
A5/M1 / 5.01
0
9876543210

Table of Contents

Related product manuals