EasyManua.ls Logo

Reliant SUPER ROBIN - Page 174

Default Icon
206 pages
Print Icon
To Next Page IconTo Next Page
To Next Page IconTo Next Page
To Previous Page IconTo Previous Page
To Previous Page IconTo Previous Page
Loading...
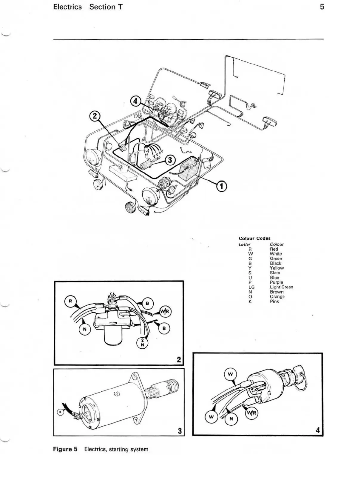
Electrics Section T
R
2
Figure
5 Electrics, starting system
Colour
Codes
Letter
R
w
G
B
y
s
u
p
LG
N
0
K
Colour
Red
White
Green
Black
Yellow
Slate
Blue
Purple
Light Green
Brown
Orange
Pink
5
4

Table of Contents

Related product manuals