EasyManua.ls Logo

Renesas RL78/G13 - Page 252

Renesas RL78/G13
1092 pages
Print Icon
To Next Page IconTo Next Page
To Next Page IconTo Next Page
To Previous Page IconTo Previous Page
To Previous Page IconTo Previous Page
Loading...
RL78/G13 CHAPTER 4 PORT FUNCTIONS
R01UH0146EJ0100 Rev.1.00 233
Sep 22, 2011
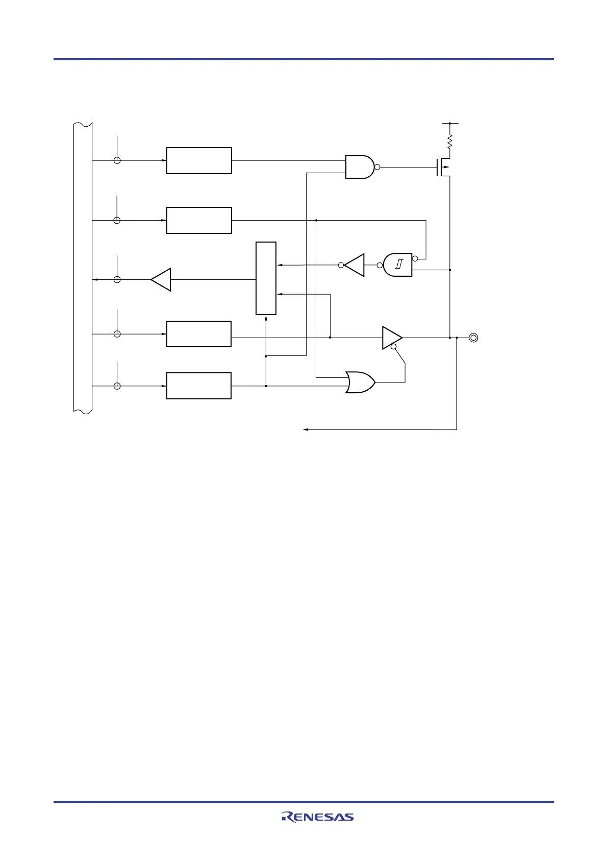
Figure 4-50. Block Diagram of P115 to P117
P115/ANI26 to
P117/ANI24
WR
PU
RD
WR
PORT
WR
PM
PU115 to PU117
PM115 to PM117
EV
DD
P-ch
PU11
PM11
P11
A/D converter
WR
PMC
PMC11
PMC115 to PMC117
Output latch
(P115 to P117)
Selector
Internal bus
P11: Port register 11
PU11: Pull-up resistor option register 11
PM11: Port mode register 11
PMC11: Port mode controlregister 11
RD: Read signal
WR××: Write signal

Table of Contents

Other manuals for Renesas RL78/G13

Related product manuals