EasyManua.ls Logo

Renesas RL78/G13

Renesas RL78/G13
1092 pages
To Next Page IconTo Next Page
To Next Page IconTo Next Page
To Previous Page IconTo Previous Page
To Previous Page IconTo Previous Page
Loading...
RL78/G13 CHAPTER 4 PORT FUNCTIONS
R01UH0146EJ0100 Rev.1.00 244
Sep 22, 2011
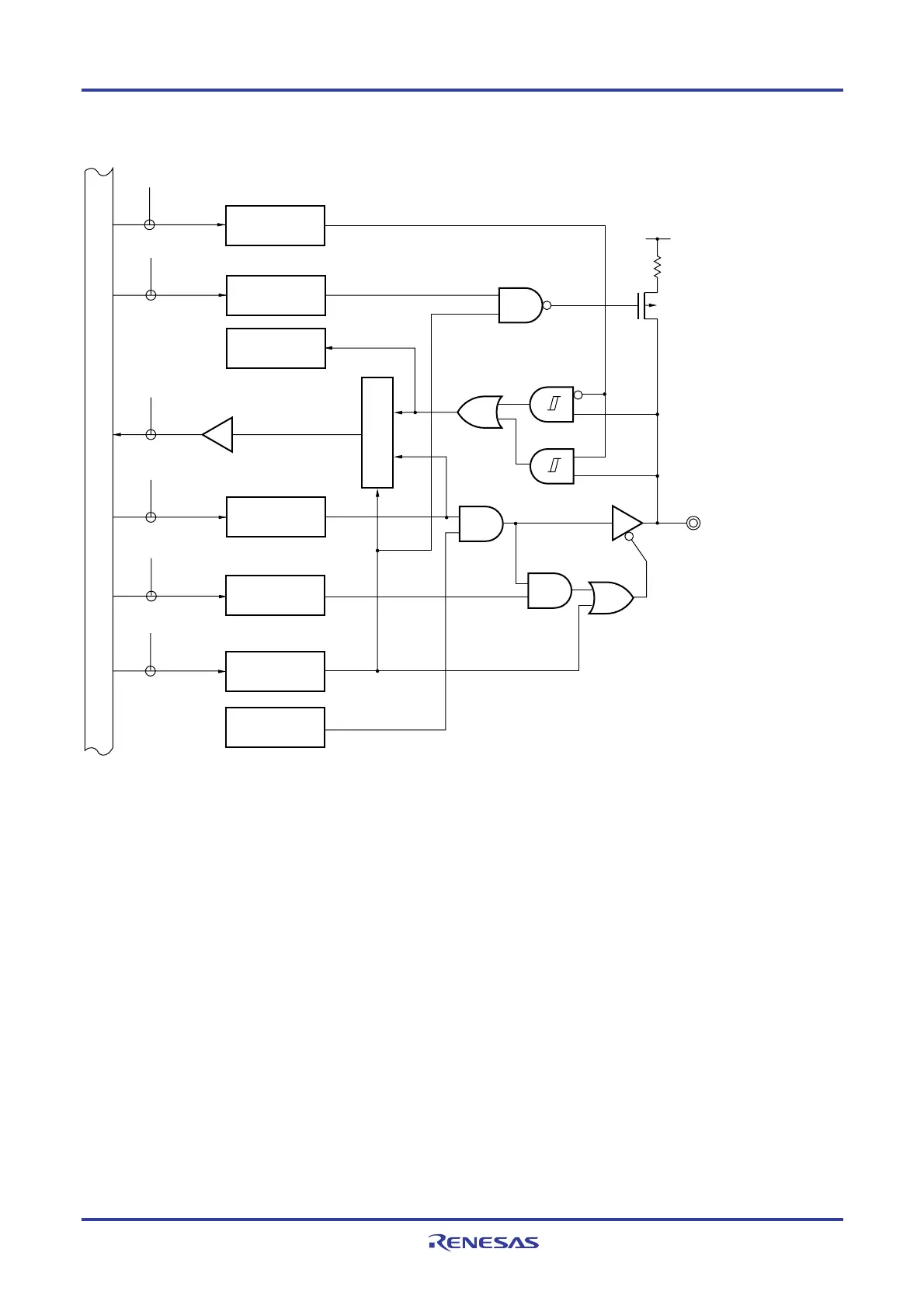
Figure 4-59. Block Diagram of P143
P143/SI30/RxD3/SDA30
WR
PU
RD
WR
PORT
PU143
EV
DD
P-ch
PU14
P14
WR
PM
PM14
POM143
POM14
WR
POM
PM143
CMOS
TTL
PIM14
PIM143
WR
PIM
Output latch
(P143)
Selector
Alternate
function
Alternate
function
Internal bus
P14: Port register 14
PU14: Pull-up resistor option register 14
PM14: Port mode register 14
PIM14: Port input mode register 14
POM14: Port output mode register 14
RD: Read signal
WR××: Write signal

Table of Contents

Other manuals for Renesas RL78/G13

Related product manuals