EasyManua.ls Logo

SATO s86ex - Page 79

SATO s86ex
380 pages
Print Icon
To Next Page IconTo Next Page
To Next Page IconTo Next Page
To Previous Page IconTo Previous Page
To Previous Page IconTo Previous Page
Loading...
4 Operation and Configuration
77
S84-ex/S86-ex Operator Manual
button
button
button
button
button
button
button
Select ENABLE +
button
Select DISABLE +
button
Select IPv4
+ button
Select IPv6
+ button
button
button
button
button
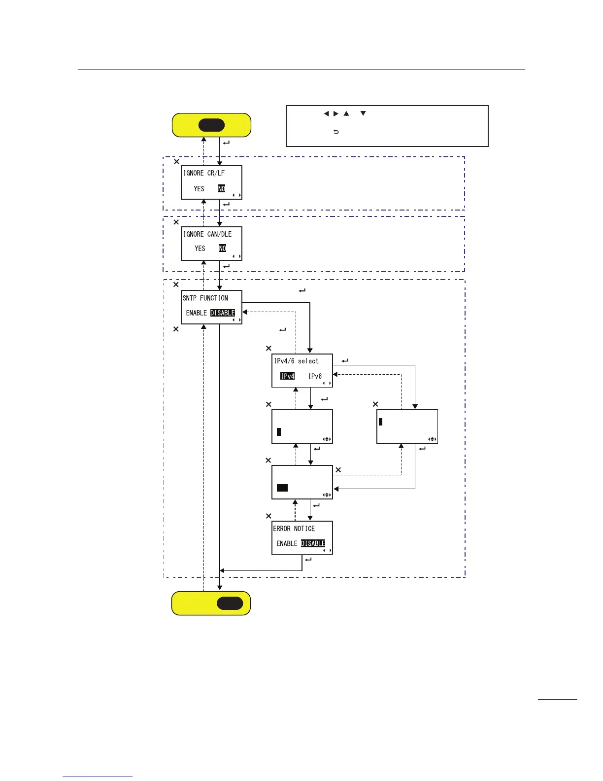
* Press the , , or button to select an item or set the value
accordingly. The active arrow icons are shown on the screen.
* Pressing the button on each screen will revert to the
INTERFACE MODE menu.
button
button
I-F
Proceed to .
I-G
button
button
IPv4 +
button
IPv6 +
button
173,3Y$''5(66

173,3Y$''5(66



7,0(=21(

Shows only when
PROTOCOL is set to
STATUS 4.
Shows only when
the
calendar IC is
installed and a LAN
connection is
established.
Shows only when
DATA PORT is
selected.

Table of Contents

Other manuals for SATO s86ex

Related product manuals