EasyManua.ls Logo

SATO s86ex - Page 80

SATO s86ex
380 pages
Print Icon
To Next Page IconTo Next Page
To Next Page IconTo Next Page
To Previous Page IconTo Previous Page
To Previous Page IconTo Previous Page
Loading...
4 Operation and Configuration
78
S84-ex/S86-ex Operator Manual
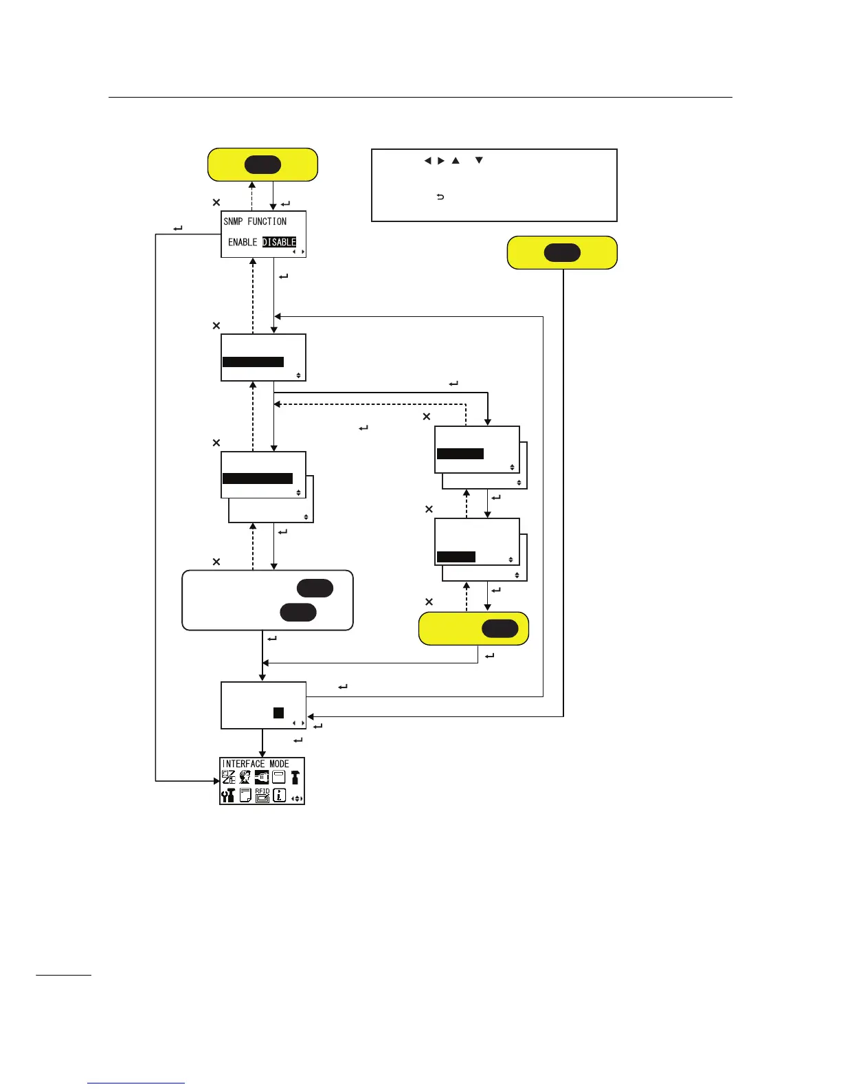
* Press the , , or button to select an item or
set the value accordingly. The active arrow icons are
shown on the screen.
* Pressing the button on each screen will revert to the
INTERFACE MODE menu.
SNMP SETTING+ button
SNMP TRAP SET+
button
ENABLE+
button
button
button
button
button
button
button
button
button
button
button
button
button
I-G
I-M
Proceed to .
I-K
I-H
),1,6+6(77,1*"
<(612
61036(77,1*
61036(76(/(&7
610375$36(7
610375$36(7
75$3>@
75$3>@
75$3>@
6103Y>@
6103Y>@
6103YYF>@
61036(77,1*
6103YYF>@
To the SNMP v1/v2c
I-J
To the SNMP v3
75$37<3(6(/(&7
6103Y
6103Y
6103YF
button
button
NO+ button
YES + button
DISABLE+
button

Table of Contents

Other manuals for SATO s86ex

Related product manuals