EasyManua.ls Logo

SEW DRC2 - Dimension Drawings

SEW DRC2
212 pages
Print Icon
To Next Page IconTo Next Page
To Next Page IconTo Next Page
To Previous Page IconTo Previous Page
To Previous Page IconTo Previous Page
Loading...
184
Operating Instructions – Electronic Motor DRC.-..-SNI
12
Dimension drawings
Technical Data and Dimension Sheets
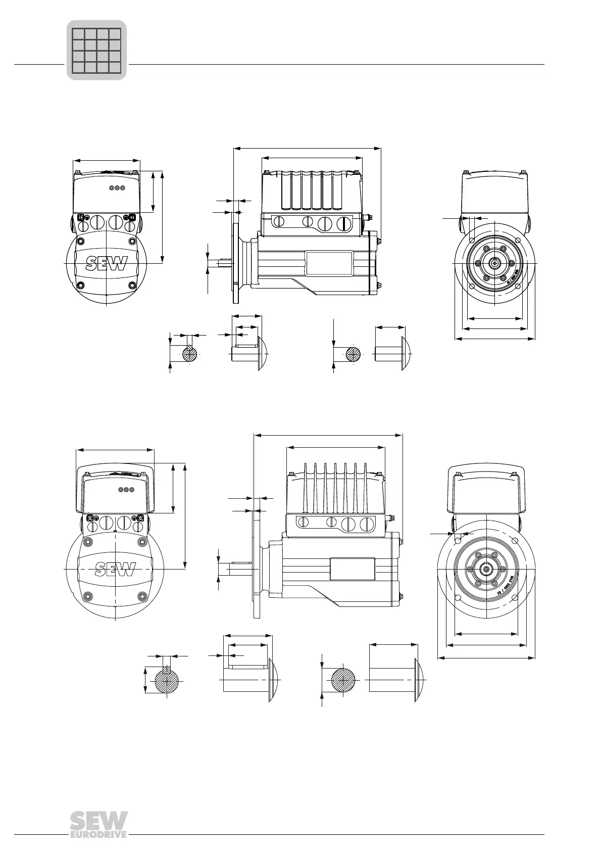
12.9 Dimension drawings
12.9.1 DRC1 with IEC flange
1)
12.9.2 DRC2 with IEC flange
1)
4791750667
1) For gearmotor dimension sheets, refer to the "DRC Gearmotors" catalog
4791754507
10
3.5
296
202
134
185
83
Ø110
j6
Ø160
Ø10
Ø130
4
22
30
5
16
30
Ø14
j6
Ø14
j6
NET RUN DRIVE
12.4
3.5
Ø24
j6
Ø24
j6
306
223
218
103
160
Ø130
j6
Ø200
Ø12
Ø165
5
40
50
8
27.1
50
NET RUN DRIVE
P
i
f
kVA
Hz
n

Table of Contents

Related product manuals