EasyManua.ls Logo

SEW DRC2 - Page 185

SEW DRC2
212 pages
Print Icon
To Next Page IconTo Next Page
To Next Page IconTo Next Page
To Previous Page IconTo Previous Page
To Previous Page IconTo Previous Page
Loading...
Operating Instructions – Electronic Motor DRC.-..-SNI
185
12
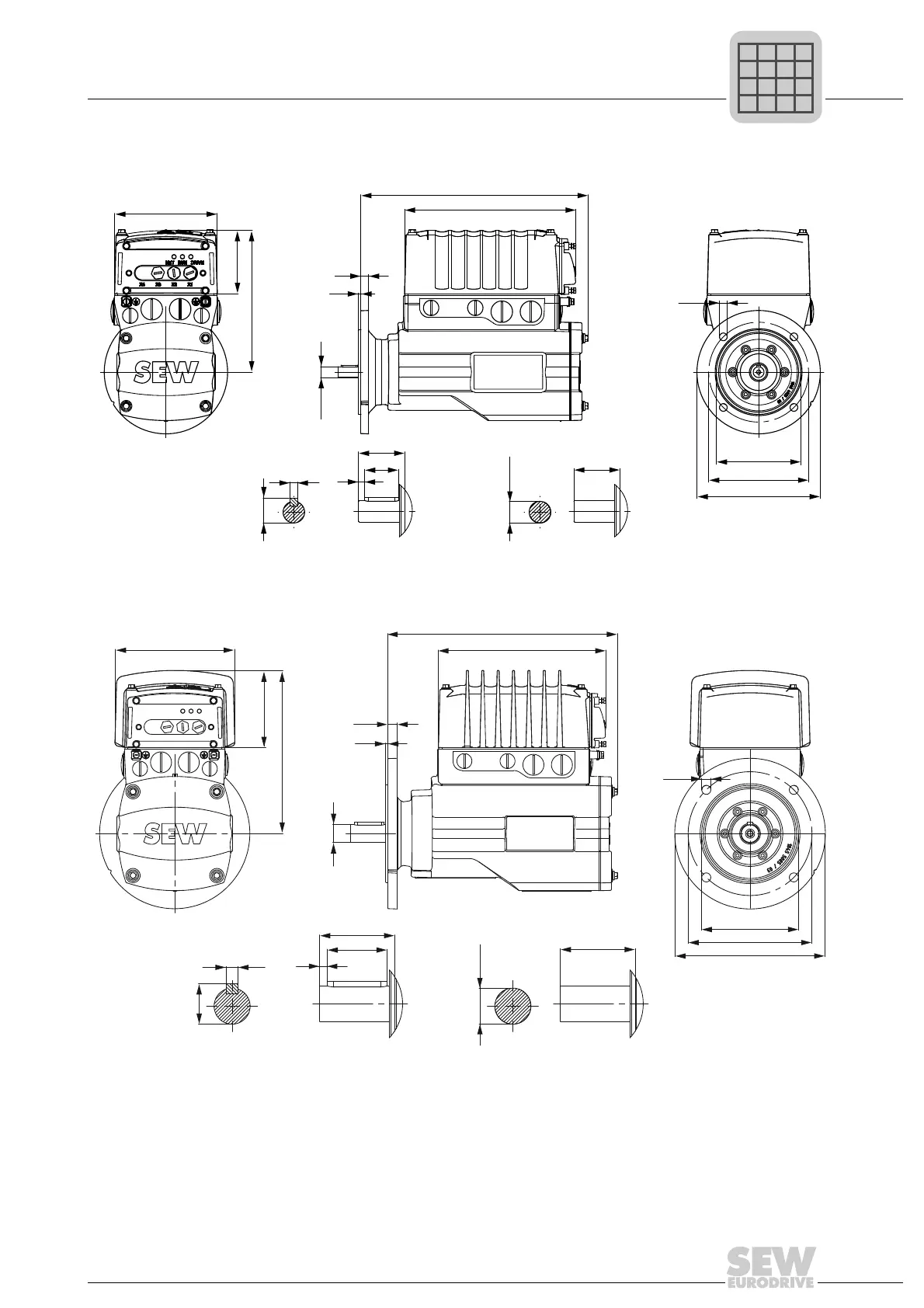
Dimension drawings
Technical Data and Dimension Sheets
12.9.3 DRC1 with IEC flange and application option
1)
12.9.4 DRC2 with IEC flange and application option
1)
4791756427
1) For gearmotor dimension sheets, refer to the "DRC Gearmotors" catalog
4791752587
10
3.5
296
223
134
185
83
Ø110
j6
Ø160
Ø10
Ø130
4
22
30
5
16
30
Ø14
j6
Ø14
j6
12.4
3.5
Ø24
j6
Ø24
j6
306
223
218
103
160
Ø130
j6
Ø200
Ø12
Ø165
5
40
50
8
27.1
50
NET RUN DRIVE
X4 X3 X2 X1
P
i
f
kVA
Hz
n

Table of Contents

Related product manuals