EasyManua.ls Logo

SICK TRANSIC111LP - Digital Output (ALA); Resetting the Measuring Device (Rese); Scaling the Analog Output (ASCL)

SICK TRANSIC111LP
108 pages
Print Icon
To Next Page IconTo Next Page
To Next Page IconTo Next Page
To Previous Page IconTo Previous Page
To Previous Page IconTo Previous Page
Loading...
39
8014084/ZWT7/V3-1/2020-06 | SICK OPERATING INSTRUCTIONS | TRANSIC111LP
Subject to change without notice
OPERATION 4
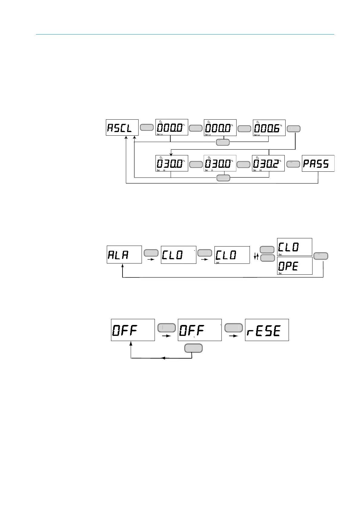
4.5.8 Scaling the analog output (ASCL)
The analog output can be scaled freely.
1 After pressing Ent, use submenu item Set Lo to set the oxygen value to be transferred
with the lower mA value (4 mA or 0 mA).
2 Use submenu item Set Hi to set the oxygen value to be transferred with the upper mA
value (20 mA).
Fig. 28: Scaling the analog output
4.5.9 Digital output (ALA)
1 Press Ent to display the current switching position.
2 To check the switching function, press Ent and use Dn and Up to select the desired
switching function OPE (open) or CLO (closed).
Fig. 29: Checking and changing the digital output state
4.5.10 Resetting the measuring device (rESE)
The device is restarted.
Fig. 30: Restarting the oxygen sensor TRANSIC111LP
Ent
E
n
t
Dn
Back
Back
k
Up
Ent
E
n
t
Ent
E
n
t
Dn
<
<
<
<
<
<
<
<
<
<
Up
<
<
Back
Back
k
3 x
6 x
2 x
Ent
E
n
t
Ent
E
n
t
<
<
<
Dn
Up
Ent
E
n
t
Ent
E
n
t
Ent
E
n
t
<
<
<
<
Back
Back
k

Table of Contents

Related product manuals