EasyManua.ls Logo

Siemens SENTRON - Page 200

Siemens SENTRON
224 pages
Print Icon
To Next Page IconTo Next Page
To Next Page IconTo Next Page
To Previous Page IconTo Previous Page
To Previous Page IconTo Previous Page
Loading...
Dimension drawings
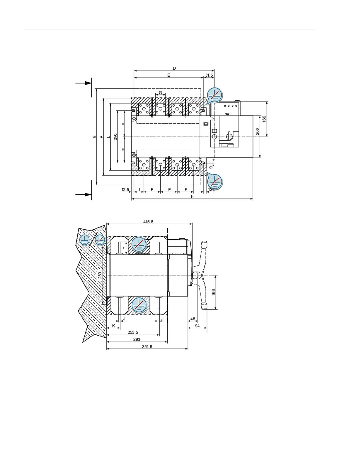
12.2 Dimension drawings of the 3KC8 transfer switching equipment
200 Manual, 08/2017, L1V30368969104A-02
Current rating 800 A to 1600 A
Figure 12-7 Dimension drawing current rating 800 A to 1600 A, front view
Figure 12-8 Dimension drawing current rating 800 A to 1600 A, side view

Table of Contents

Other manuals for Siemens SENTRON

Related product manuals