EasyManua.ls Logo

Siemens SENTRON - Circuit Diagram for the 3 KC8 Transfer Switching Equipment - 4-Pole Transfer Switching Equipment; Three-Phase 3-Wire Network Without Neutral (3 PH)

Siemens SENTRON
224 pages
Print Icon
To Next Page IconTo Next Page
To Next Page IconTo Next Page
To Previous Page IconTo Previous Page
To Previous Page IconTo Previous Page
Loading...
Connection
6.1 Network types
Manual, 08/2017, L1V30368969104A-02
33
6.1.1.2
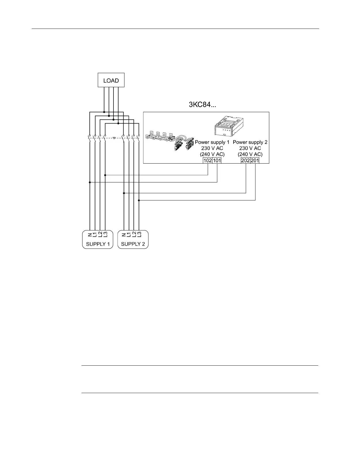
Circuit diagram for the 3KC8 transfer switching equipment - 4-pole transfer switching
equipment
Figure 6-2 Three-phase 4-wire network with neutral for the 3KC8 transfer switching equipment
The power supply kit accessories 3KC9830-, 3KC9831- can be used for the power supply of
the transfer switching equipment. You can find a detailed description in the section titled
Connecting power supply kit 3KC9830-, 3KC9831- (4-pole) (Page 92).
The dual power supply (DPS) accessory is not required with the 3KC8 transfer switching
equipment since it is supplied with power via two inputs of the electronic module.
6.1.2
Three-phase 3-wire network without neutral (3PH)
The 3KC4 and 3KC8 transfer switching equipment can be used in a network comprising 3
phases. It can be used both in networks with balanced load, as well as in networks with
unbalanced load.
Note
The fictitiously generated fourth pole is used only for the power supply of the transfer
switching equipment and must not be run to the main load.

Table of Contents

Other manuals for Siemens SENTRON

Related product manuals