EasyManua.ls Logo

Siemens SENTRON - Circuit Diagram for the 3 KC8 Transfer Switching Equipment - 4-Pole Transfer Switching; Equipment

Siemens SENTRON
224 pages
Print Icon
To Next Page IconTo Next Page
To Next Page IconTo Next Page
To Previous Page IconTo Previous Page
To Previous Page IconTo Previous Page
Loading...
Connection
6.1 Network types
Manual, 08/2017, L1V30368969104A-02
35
6.1.2.2
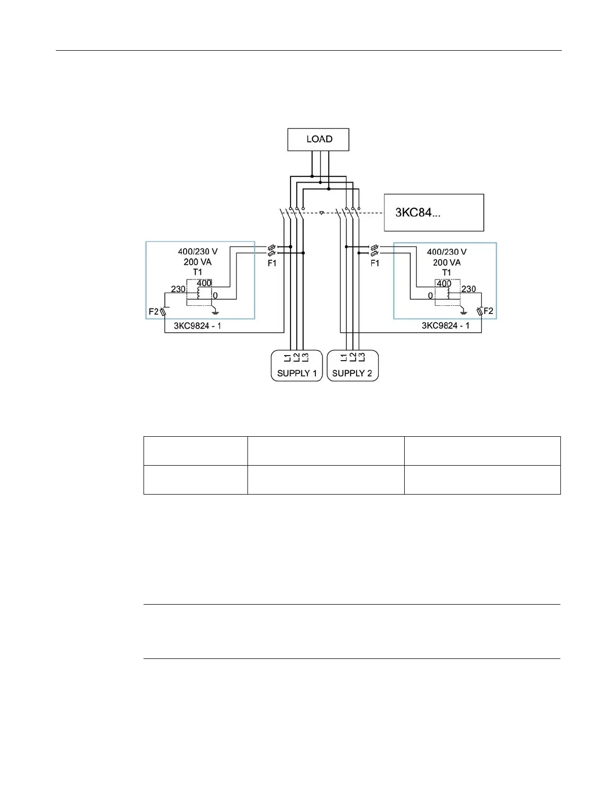
Circuit diagram for the 3KC8 transfer switching equipment - 4-pole transfer switching
equipment
Figure 6-4 Three-phase 3-wire network without neutral for the 3KC8 transfer switching equipment
(4-pole)
F1 2 x 3NW6002-1
1 x 3NW7023
2 A, gG
F2 1 x 3NW6004-1
1 x 3NW7013
4 A, gG
With this arrangement there is no neutral conductor available. For this reason, the following
optional accessories can be used for establishing this network:
2 x autotransformer 3KC9824-1. For information, see the section titled Installing and
connecting an autotransformer (400 V / 230 V) (Page 79).
For the power supply: Power supply kit 3KC9830-, 3KC9831-. For information, see the
section titled Connecting power supply kit 3KC9830-, 3KC9831- (4-pole) (Page 92).
Note
The F1 fuses must be installed as closely as possible to the tap.
The F2 fuses must be fitted as closely as possible to the output of the autotransformer.
The dual power supply (DPS) accessory is not required with the 3KC8 transfer switching
equipment since it is supplied with power via two inputs of the electronic module.

Table of Contents

Other manuals for Siemens SENTRON

Related product manuals