EasyManua.ls Logo

Siemens SENTRON - Single-Phase Network with Neutral (1 PH + N); Circuit Diagram for the 3 KC4 Transfer Switching Equipment - 3-Pole Transfer Switching; Equipment

Siemens SENTRON
224 pages
Print Icon
To Next Page IconTo Next Page
To Next Page IconTo Next Page
To Previous Page IconTo Previous Page
To Previous Page IconTo Previous Page
Loading...
Connection
6.1 Network types
Manual, 08/2017, L1V30368969104A-02
37
6.1.3
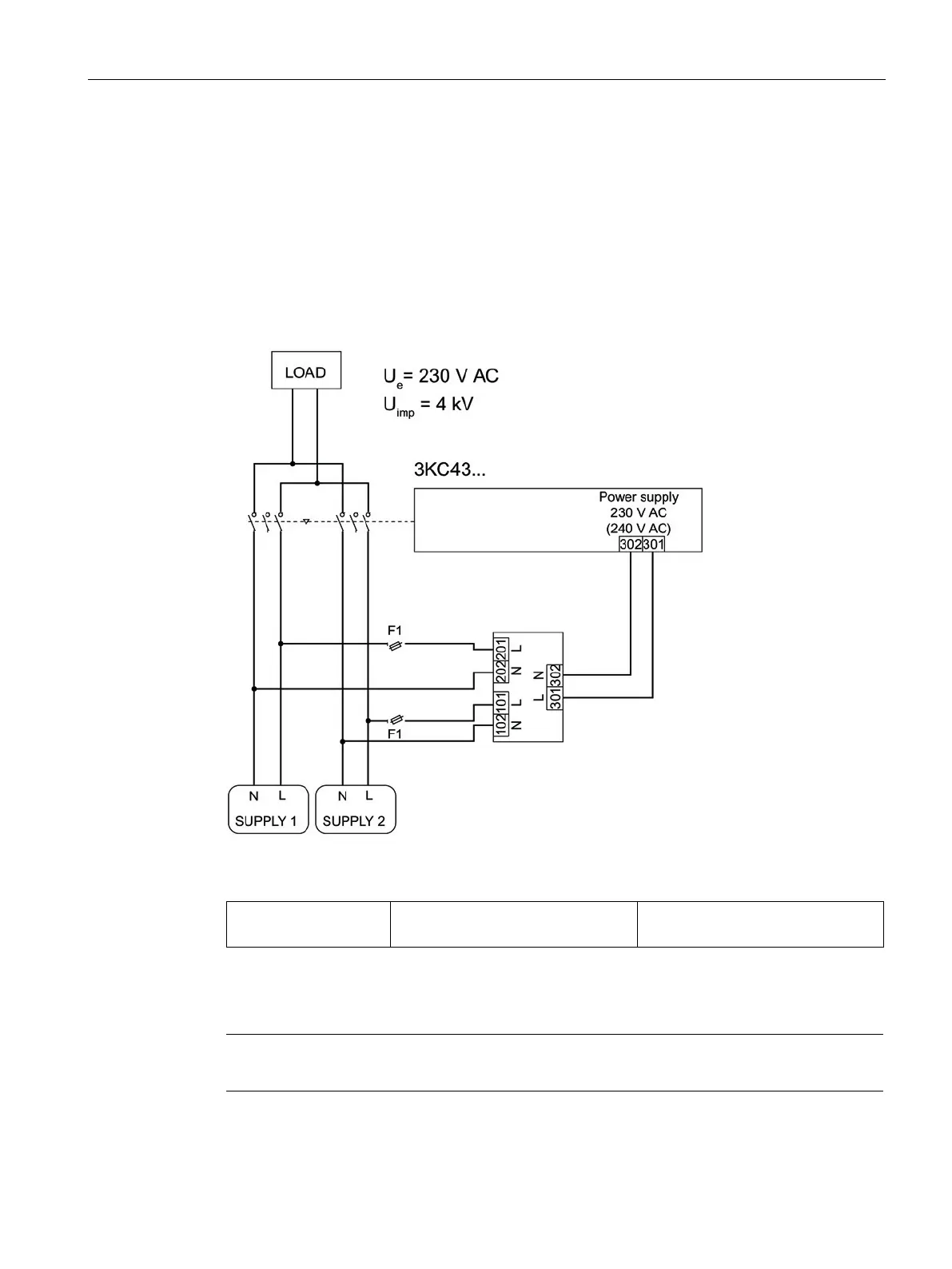
Single-phase network with neutral (1PH + N)
The 3KC4 and 3KC8 transfer switching equipment can be used in a single-phase network
comprising one phase and a neutral conductor. Since there is no 2-pole design available for
the transfer switching equipment, the 3KC4 and 3KC8 transfer switching equipment in 3-pole
design is the best choice.
6.1.3.1
Circuit diagram for the 3KC4 transfer switching equipment - 3-pole transfer switching
equipment
Figure 6-6 Single-phase network without neutral for 3KC4 transfer switching equipment
F1 1 x 3NW6004-1
1 x 3NW7013
4 A, gG
For the power supply of the 3KC4 transfer switching equipment, the dual power supply
accessory 3KC9625-1 is required. You can find a detailed description of this in the section
titled Mounting and connecting the dual power supply (DPS) (Page 77).
Note
The F1 fuses must be installed as closely as possible to the tap.

Table of Contents

Other manuals for Siemens SENTRON

Related product manuals