EasyManua.ls Logo

Siemens SIMODRIVE 611 universal - Page 726

Siemens SIMODRIVE 611 universal
930 pages
To Next Page IconTo Next Page
To Next Page IconTo Next Page
To Previous Page IconTo Previous Page
To Previous Page IconTo Previous Page
Loading...
7
7.4 Commissioning functions
7-726
Siemens AG 2005 All Rights Reserved
SIMODRIVE 611 universal Description of Functions (FBU) – 04.05 Edition
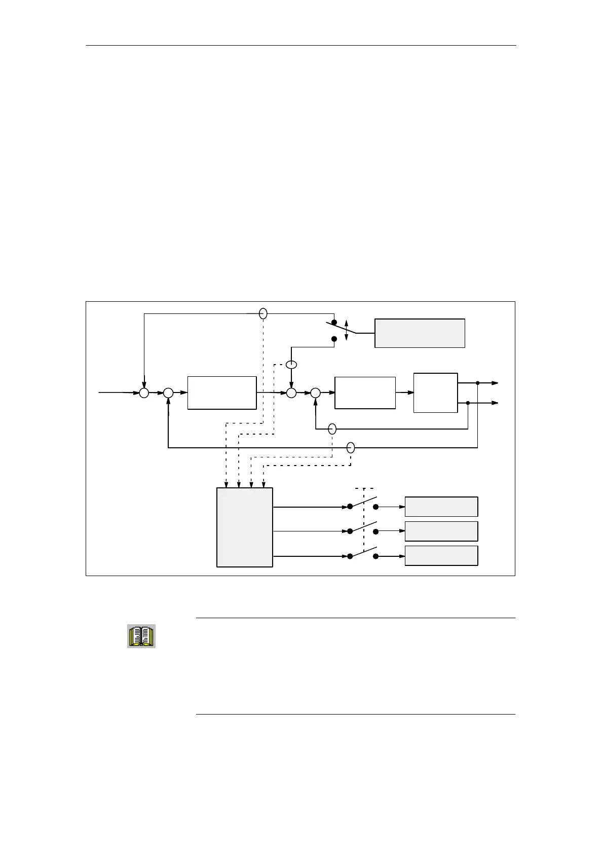
7.4.4 Measurement function
Using the measuring function, by using simple parameterization, the
influence of higher–level control circuits can be disabled and the dyna-
mic performance of the individual drives can be displayed without using
any external measuring equipment.
This means that it is possible to evaluate and analyze important quanti-
ties of the current and speed control loop in the time and frequency do-
mains.
Test signals with a selectable time interval are input into the drives to
determine the measured values for graphic display of the time and fre-
quency characteristics of drives and closed–loop control functions.
Test signal
generator
Test duration (T
test
)
Meas.
value
selection
(max. 3)
Meas. value 1
Meas. value 2
Meas. value 3
Speed setpoint
Current
setpoint
Actual current value
Speed actual value
Setpoint
0
Speed
controller
Current
regulator
Control
loop
Meas. buffer 2
Meas. buffer 3
Meas. buffer 1
Fig. 7-11 Block diagram of the drive optimization (schematic)
Readers note
The trace function can only be used together with the SimoCom U
parameterizing and start–up tool, i.e. SimoCom U is used to control
the trace function and to display the measured values.
Additional information on the measuring functions is provided in the
online help for SimoCom U.
Overview
Measuring
principle
7 Fault Handling/Diagnostics
01.99

Table of Contents

Related product manuals